ZHCSW46A April   2024  – July 2024 SN4599-Q1

PRODUCTION DATA  

  1.   1
  2. 特性
  3. 应用
  4. 说明
  5. 引脚配置和功能
  6. 规格
    1. 5.1 绝对最大额定值
    2. 5.2 ESD 等级
    3. 5.3 建议运行条件
    4. 5.4 热性能信息
    5. 5.5 流经开关的源极或漏极电流
    6. 5.6 电气特性
    7. 5.7 模拟通道规格
    8. 5.8 开关特性
    9. 5.9 典型特性
  7. 参数测量信息
    1. 6.1 导通电阻
    2. 6.2 关断漏电流
    3. 6.3 导通漏电流
    4. 6.4 转换时间
    5. 6.5 先断后合
    6. 6.6 电荷注入
    7. 6.7 关断隔离
    8. 6.8 串扰
    9. 6.9 带宽
  8. 详细说明
    1. 7.1 功能方框图
    2. 7.2 特性说明
      1. 7.2.1 双向运行
      2. 7.2.2 轨到轨运行
      3. 7.2.3 失效防护逻辑
    3. 7.3 器件功能模式
    4. 7.4 真值表
  9. 应用和实施
    1. 8.1 应用信息
    2. 8.2 典型应用
      1. 8.2.1 可切换的运算放大器增益设置
        1. 8.2.1.1 设计要求
        2. 8.2.1.2 详细设计过程
        3. 8.2.1.3 应用曲线
      2. 8.2.2 功率放大器输入控制
        1. 8.2.2.1 设计要求
        2. 8.2.2.2 详细设计过程
        3. 8.2.2.3 应用曲线
    3. 8.3 电源相关建议
    4. 8.4 布局
      1. 8.4.1 布局指南
      2. 8.4.2 布局示例
  10. 器件和文档支持
    1. 9.1 文档支持
      1. 9.1.1 相关文档
    2. 9.2 接收文档更新通知
    3. 9.3 支持资源
    4. 9.4 商标
    5. 9.5 静电放电警告
    6. 9.6 术语表
  11. 10修订历史记录
  12. 11机械、封装和可订购信息
    1. 11.1 卷带包装信息
    2. 11.2 机械数据

封装选项

请参考 PDF 数据表获取器件具体的封装图。

机械数据 (封装 | 引脚)
  • DBV|6
散热焊盘机械数据 (封装 | 引脚)
订购信息

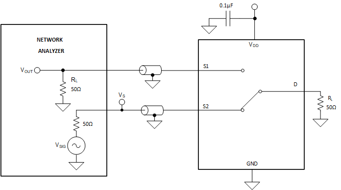
串扰

串扰定义为另一通道的漏极引脚 (D) 处的信号与开启通道的源极引脚 (Sx) 上施加的信号之比。图 6-8 展示了用于测量串扰的设置和用于计算串扰的公式。

SN4599-Q1 串扰测量设置图 6-8 串扰测量设置
方程式 2. Channel-to-Channel Crostalk = 20 × Log VOUTVS