ZHCSI18B April   2018  – May 2025 OPA858

PRODUCTION DATA  

  1.   1
  2. 特性
  3. 应用
  4. 说明
  5. 器件比较表
  6. 引脚配置和功能
  7. 规格
    1. 6.1 绝对最大额定值
    2. 6.2 ESD 等级
    3. 6.3 建议运行条件
    4. 6.4 热性能信息
    5. 6.5 电气特性
    6. 6.6 典型特性
  8. 参数测量信息
  9. 详细说明
    1. 8.1 概述
    2. 8.2 功能方框图
    3. 8.3 特性说明
      1. 8.3.1 输入和 ESD 保护
      2. 8.3.2 反馈引脚
      3. 8.3.3 宽增益带宽积
      4. 8.3.4 压摆率与输出级之间的关系
      5. 8.3.5 电流噪声
    4. 8.4 器件功能模式
      1. 8.4.1 分立式电源和单电源供电
      2. 8.4.2 断电模式
  10. 应用和实施
    1. 9.1 应用信息
      1. 9.1.1 使用OPA858作为跨阻放大器
    2. 9.2 典型应用
      1. 9.2.1 光学前端系统中的 TIA
        1. 9.2.1.1 设计要求
        2. 9.2.1.2 详细设计过程
        3. 9.2.1.3 应用曲线
    3. 9.3 电源相关建议
    4. 9.4 布局
      1. 9.4.1 布局指南
      2. 9.4.2 布局示例
  11. 10器件和文档支持
    1. 10.1 器件支持
      1. 10.1.1 开发支持
    2. 10.2 文档支持
      1. 10.2.1 相关文档
    3. 10.3 接收文档更新通知
    4. 10.4 支持资源
    5. 10.5 商标
    6. 10.6 静电放电警告
    7. 10.7 术语表
  12. 11修订历史记录
  13. 12机械、封装和可订购信息

封装选项

请参考 PDF 数据表获取器件具体的封装图。

机械数据 (封装 | 引脚)
  • Y|0
  • DSG|8
散热焊盘机械数据 (封装 | 引脚)
订购信息

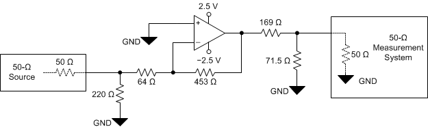
参数测量信息

OPA858的各种测试设置配置如图 7-1图 7-2图 7-3所示。

OPA858 同相配置图 7-1 同相配置
OPA858 反相配置(增益= -7V/V)图 7-2 反相配置(增益= -7V/V)
OPA858 容性负载驱动器配置图 7-3 容性负载驱动器配置