ZHCSH89A December   2017  – March 2018 MSP430FR5969-SP

PRODUCTION DATA.  

  1. 1器件概述
    1. 1.1 特性
    2. 1.2 应用
    3. 1.3 说明
    4. 1.4 功能框图
  2. 2修订历史记录
  3. 3Terminal Configuration and Functions
    1. 3.1 Pin Diagrams
    2. 3.2 Signal Descriptions
      1.      Signal Descriptions
    3. 3.3 Pin Multiplexing
    4. 3.4 Connection of Unused Pins
  4. 4Specifications
    1. 4.1  Absolute Maximum Ratings
    2. 4.2  ESD Ratings
    3. 4.3  Recommended Operating Conditions
    4. 4.4  Active Mode Supply Current Into VCC Excluding External Current
    5. 4.5  Typical Characteristics – Active Mode Supply Currents
    6. 4.6  Low-Power Mode (LPM0, LPM1) Supply Currents Into VCC Excluding External Current
    7. 4.7  Low-Power Mode (LPM2, LPM3, LPM4) Supply Currents (Into VCC) Excluding External Current
    8. 4.8  Low-Power Mode (LPM3.5, LPM4.5) Supply Currents (Into VCC) Excluding External Current
    9. 4.9  Typical Characteristics, Current Consumption per Module
    10. 4.10 Thermal Resistance Characteristics
    11. 4.11 Timing and Switching Characteristics
      1. 4.11.1  Power Supply Sequencing
        1. Table 4-1 Brownout and Device Reset Power Ramp Requirements
        2. Table 4-2 SVS
      2. 4.11.2  Reset Timing
        1. Table 4-3 Reset Input
      3. 4.11.3  Clock Specifications
        1. Table 4-4 Low-Frequency Crystal Oscillator, LFXT
        2. Table 4-5 High-Frequency Crystal Oscillator, HFXT
        3. Table 4-6 DCO
        4. Table 4-7 Internal Very-Low-Power Low-Frequency Oscillator (VLO)
        5. Table 4-8 Module Oscillator (MODOSC)
      4. 4.11.4  Wake-up Characteristics
        1. Table 4-9   Wake-up Times From Low-Power Modes and Reset
        2. Table 4-10 Typical Wake-up Charge
        3. 4.11.4.1    Typical Characteristics, Average LPM Currents vs Wake-up Frequency
      5. 4.11.5  Digital I/Os
        1. Table 4-11 Digital Inputs
        2. Table 4-12 Digital Outputs
        3. 4.11.5.1    Typical Characteristics, Digital Outputs at 3.0 V and 2.2 V
        4. Table 4-13 Pin-Oscillator Frequency, Ports Px
        5. 4.11.5.2    Typical Characteristics, Pin-Oscillator Frequency
      6. 4.11.6  Timer_A and Timer_B
        1. Table 4-14 Timer_A
        2. Table 4-15 Timer_B
      7. 4.11.7  eUSCI
        1. Table 4-16 eUSCI (UART Mode) Clock Frequency
        2. Table 4-17 eUSCI (UART Mode)
        3. Table 4-18 eUSCI (SPI Master Mode) Clock Frequency
        4. Table 4-19 eUSCI (SPI Master Mode)
        5. Table 4-20 eUSCI (SPI Slave Mode)
        6. Table 4-21 eUSCI (I2C Mode)
      8. 4.11.8  ADC
        1. Table 4-22 12-Bit ADC, Power Supply and Input Range Conditions
        2. Table 4-23 12-Bit ADC, Timing Parameters
        3. Table 4-24 12-Bit ADC, Linearity Parameters With External Reference
        4. Table 4-25 12-Bit ADC, Dynamic Performance for Differential Inputs With External Reference
        5. Table 4-26 12-Bit ADC, Dynamic Performance for Differential Inputs With Internal Reference
        6. Table 4-27 12-Bit ADC, Dynamic Performance for Single-Ended Inputs With External Reference
        7. Table 4-28 12-Bit ADC, Dynamic Performance for Single-Ended Inputs With Internal Reference
        8. Table 4-29 12-Bit ADC, Dynamic Performance With 32.768-kHz Clock
        9. Table 4-30 12-Bit ADC, Temperature Sensor and Built-In V1/2
        10. Table 4-31 12-Bit ADC, External Reference
      9. 4.11.9  Reference
        1. Table 4-32 REF, Built-In Reference
      10. 4.11.10 Comparator
        1. Table 4-33 Comparator_E
      11. 4.11.11 FRAM
        1. Table 4-34 FRAM
    12. 4.12 Emulation and Debug
      1. Table 4-35 JTAG and Spy-Bi-Wire Interface
  5. 5Detailed Description
    1. 5.1  Overview
    2. 5.2  CPU
    3. 5.3  Operating Modes
      1. 5.3.1 Peripherals in Low-Power Modes
        1. 5.3.1.1 Idle Currents of Peripherals in LPM3 and LPM4
    4. 5.4  Interrupt Vector Table and Signatures
    5. 5.5  Memory Organization
    6. 5.6  Bootloader (BSL)
    7. 5.7  JTAG Operation
      1. 5.7.1 JTAG Standard Interface
      2. 5.7.2 Spy-Bi-Wire Interface
    8. 5.8  FRAM
    9. 5.9  Memory Protection Unit Including IP Encapsulation
    10. 5.10 Peripherals
      1. 5.10.1  Digital I/O
      2. 5.10.2  Oscillator and Clock System (CS)
      3. 5.10.3  Power-Management Module (PMM)
      4. 5.10.4  Hardware Multiplier (MPY)
      5. 5.10.5  Real-Time Clock (RTC_B) (Only MSP430FR596x and MSP430FR594x)
      6. 5.10.6  Watchdog Timer (WDT_A)
      7. 5.10.7  System Module (SYS)
      8. 5.10.8  DMA Controller
      9. 5.10.9  Enhanced Universal Serial Communication Interface (eUSCI)
      10. 5.10.10 TA0, TA1
      11. 5.10.11 TA2, TA3
      12. 5.10.12 TB0
      13. 5.10.13 ADC12_B
      14. 5.10.14 Comparator_E
      15. 5.10.15 CRC16
      16. 5.10.16 AES256 Accelerator
      17. 5.10.17 True Random Seed
      18. 5.10.18 Shared Reference (REF)
      19. 5.10.19 Embedded Emulation
        1. 5.10.19.1 Embedded Emulation Module (EEM)
        2. 5.10.19.2 EnergyTrace++ Technology
      20. 5.10.20 Peripheral File Map
    11. 5.11 Input and Output Diagrams
      1. 5.11.1  Port P1 (P1.0 to P1.2) Input/Output With Schmitt Trigger
      2. 5.11.2  Port P1 (P1.3 to P1.5) Input/Output With Schmitt Trigger
      3. 5.11.3  Port P1 (P1.6 and P1.7) Input/Output With Schmitt Trigger
      4. 5.11.4  Port P2 (P2.0 to P2.2) Input/Output With Schmitt Trigger
      5. 5.11.5  Port P2 (P2.3 and P2.4) Input/Output With Schmitt Trigger
      6. 5.11.6  Port P2 (P2.5 and P2.6) Input/Output With Schmitt Trigger
      7. 5.11.7  Port P2 (P2.7) Input/Output With Schmitt Trigger
      8. 5.11.8  Port P3 (P3.0 to P3.3) Input/Output With Schmitt Trigger
      9. 5.11.9  Port P3 (P3.4 to P3.7) Input/Output With Schmitt Trigger
      10. 5.11.10 Port P4 (P4.0 to P4.3) Input/Output With Schmitt Trigger
      11. 5.11.11 Port P4 (P4.4 to P4.7) Input/Output With Schmitt Trigger
      12. 5.11.12 Port PJ, PJ.4 and PJ.5 Input/Output With Schmitt Trigger
      13. 5.11.13 Port PJ (PJ.6 and PJ.7) Input/Output With Schmitt Trigger
      14. 5.11.14 Port PJ (PJ.0 to PJ.3) JTAG Pins TDO, TMS, TCK, TDI/TCLK, Input/Output With Schmitt Trigger
    12. 5.12 Device Descriptor (TLV)
    13. 5.13 Identification
      1. 5.13.1 Revision Identification
      2. 5.13.2 Device Identification
      3. 5.13.3 JTAG Identification
  6. 6Applications, Implementation, and Layout
    1. 6.1 Software Best Practices for Radiation Effects Mitigation
    2. 6.2 Device Connection and Layout Fundamentals
      1. 6.2.1 Power Supply Decoupling and Bulk Capacitors
      2. 6.2.2 External Oscillator
      3. 6.2.3 JTAG
      4. 6.2.4 Reset
      5. 6.2.5 Unused Pins
      6. 6.2.6 General Layout Recommendations
      7. 6.2.7 Do's and Don'ts
    3. 6.3 Peripheral- and Interface-Specific Design Information
      1. 6.3.1 ADC12_B Peripheral
        1. 6.3.1.1 Partial Schematic
        2. 6.3.1.2 Design Requirements
        3. 6.3.1.3 Detailed Design Procedure
        4. 6.3.1.4 Layout Guidelines
  7. 7器件和文档支持
    1. 7.1  入门和后续步骤
    2. 7.2  工具和软件
    3. 7.3  文档支持
    4. 7.4  辐射信息
    5. 7.5  相关链接
    6. 7.6  社区资源
    7. 7.7  商标
    8. 7.8  静电放电警告
    9. 7.9  出口管制提示
    10. 7.10 术语表
  8. 8机械、封装和可订购信息

封装选项

机械数据 (封装 | 引脚)
散热焊盘机械数据 (封装 | 引脚)
订购信息

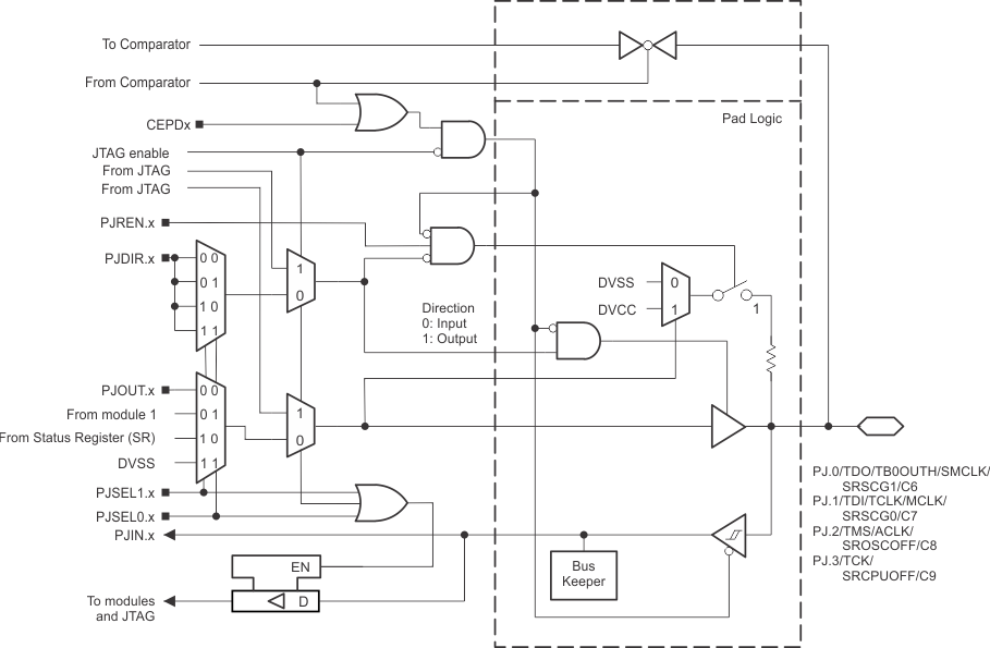
Port PJ (PJ.0 to PJ.3) JTAG Pins TDO, TMS, TCK, TDI/TCLK, Input/Output With Schmitt Trigger

Figure 5-17 shows the port diagram. Table 5-60 summarizes the selection of the pin function.

MSP430FR5969-SP PJ_0123.gif

NOTE:

Functional representation only.
Figure 5-17 Port PJ (PJ.0 to PJ.3) Diagram

Table 5-60 Port PJ (PJ.0 to PJ.3) Pin Functions

PIN NAME (PJ.x) x FUNCTION CONTROL BITS/ SIGNALS(1)
PJDIR.x PJSEL1.x PJSEL0.x CEPDx (Cx)
PJ.0/TDO/TB0OUTH/ SMCLK/SRSCG1/C6 0 PJ.0 (I/O)(2) I: 0; O: 1 0 0 0
TDO(3) X X X 0
TB0OUTH 0 0 1 0
SMCLK(6) 1
N/A 0 1 0 0
CPU Status Register Bit SCG1 1
N/A 0 1 1 0
Internally tied to DVSS 1
C6(5) X X X 1
PJ.1/TDI/TCLK/MCLK/ SRSCG0/C7 1 PJ.1 (I/O)(2) I: 0; O: 1 0 0 0
TDI/TCLK(3)(4) X X X 0
N/A 0 0 1 0
MCLK 1
N/A 0 1 0 0
CPU Status Register Bit SCG0 1
N/A 0 1 1 0
Internally tied to DVSS 1
C7(5) X X X 1
PJ.2/TMS/ACLK/ SROSCOFF/C8 2 PJ.2 (I/O)(2) I: 0; O: 1 0 0 0
TMS(3)(4) X X X 0
N/A 0 0 1 0
ACLK 1
N/A 0 1 0 0
CPU Status Register Bit OSCOFF 1
N/A 0 1 1 0
Internally tied to DVSS 1
C8(5) X X X 1
PJ.3/TCK/SRCPUOFF/C9 3 PJ.3 (I/O)(2) I: 0; O: 1 0 0 0
TCK(3)(4) X X X 0
N/A 0 0 1 0
Internally tied to DVSS 1
N/A 0 1 0 0
CPU Status Register Bit CPUOFF 1
N/A 0 1 1 0
Internally tied to DVSS 1
C9(5) X X X 1
X = Don't care
Default condition
The pin direction is controlled by the JTAG module. JTAG mode selection is made via the SYS module or by the Spy-Bi-Wire four-wire entry sequence. Neither PJSEL1.x and PJSEL0.x nor CEPDx bits have an effect in these cases.
In JTAG mode, pullups are activated automatically on TMS, TCK, and TDI/TCLK. PJREN.x are don't care.
Setting the CEPDx bit of the comparator disables the output driver and the input Schmitt trigger to prevent parasitic cross currents when applying analog signals. Selecting the Cx input pin to the comparator multiplexer with the input select bits in the comparator module automatically disables output driver and input buffer for that pin, regardless of the state of the associated CEPDx bit.
Do not use this pin as SMCLK output if the TB0OUTH functionality is used on any other pin. Select an alternative SMCLK output pin.