ZHCSDF6F October   2014  – December 2021 MSP430FR4131 , MSP430FR4132 , MSP430FR4133

PRODUCTION DATA  

  1. 特性
  2. 应用
  3. 说明
  4. 功能方框图
  5. Revision History
  6. Device Comparison
    1. 6.1 Related Products
  7. Terminal Configuration and Functions
    1. 7.1 Pin Diagrams
    2. 7.2 Signal Descriptions
    3. 7.3 Pin Multiplexing
    4. 7.4 Connection of Unused Pins
  8. Specifications
    1. 8.1  Absolute Maximum Ratings
    2. 8.2  ESD Ratings
    3. 8.3  Recommended Operating Conditions
    4. 8.4  Active Mode Supply Current Into VCC Excluding External Current
    5. 8.5  Active Mode Supply Current Per MHz
    6. 8.6  Low-Power Mode LPM0 Supply Currents Into VCC Excluding External Current
    7. 8.7  Low-Power Mode LPM3, LPM4 Supply Currents (Into VCC) Excluding External Current
    8. 8.8  Low-Power Mode LPMx.5 Supply Currents (Into VCC) Excluding External Current
    9. 8.9  Typical Characteristics, Low-Power Mode Supply Currents
    10. 8.10 Current Consumption Per Module
    11. 8.11 Thermal Characteristics
    12. 8.12 Timing and Switching Characteristics
      1. 8.12.1  Power Supply Sequencing
        1. 8.12.1.1 PMM, SVS and BOR
      2. 8.12.2  Reset Timing
        1. 8.12.2.1 Wake-up Times From Low-Power Modes and Reset
      3. 8.12.3  Clock Specifications
        1. 8.12.3.1 XT1 Crystal Oscillator (Low Frequency)
        2. 8.12.3.2 DCO FLL, Frequency
        3. 8.12.3.3 REFO
        4. 8.12.3.4 Internal Very-Low-Power Low-Frequency Oscillator (VLO)
        5. 8.12.3.5 Module Oscillator Clock (MODCLK)
      4. 8.12.4  Digital I/Os
        1. 8.12.4.1 Digital Inputs
        2. 8.12.4.2 Digital Outputs
        3. 8.12.4.3 Digital I/O Typical Characteristics
      5. 8.12.5  Timer_A
        1. 8.12.5.1 Timer_A
      6. 8.12.6  eUSCI
        1. 8.12.6.1 eUSCI (UART Mode) Operating Frequency
        2. 8.12.6.2 eUSCI (UART Mode) Switching Characteristics
        3. 8.12.6.3 eUSCI (SPI Master Mode) Operating Frequency
        4. 8.12.6.4 eUSCI (SPI Master Mode) Switching Characteristics
        5. 8.12.6.5 eUSCI (SPI Slave Mode) Switching Characteristics
        6. 8.12.6.6 eUSCI (I2C Mode) Switching Characteristics
      7. 8.12.7  ADC
        1. 8.12.7.1 ADC, Power Supply and Input Range Conditions
        2. 8.12.7.2 ADC, 10-Bit Timing Parameters
        3. 8.12.7.3 ADC, 10-Bit Linearity Parameters
      8. 8.12.8  LCD Controller
        1. 8.12.8.1 LCD Recommended Operating Conditions
      9. 8.12.9  FRAM
        1. 8.12.9.1 FRAM
      10. 8.12.10 Emulation and Debug
        1. 8.12.10.1 JTAG and Spy-Bi-Wire Interface
  9. Detailed Description
    1. 9.1  CPU
    2. 9.2  Operating Modes
    3. 9.3  Interrupt Vector Addresses
    4. 9.4  Bootloader (BSL)
    5. 9.5  JTAG Standard Interface
    6. 9.6  Spy-Bi-Wire Interface (SBW)
    7. 9.7  FRAM
    8. 9.8  Memory Protection
    9. 9.9  Peripherals
      1. 9.9.1  Power Management Module (PMM) and On-Chip Reference Voltages
      2. 9.9.2  Clock System (CS) and Clock Distribution
      3. 9.9.3  General-Purpose Input/Output Port (I/O)
      4. 9.9.4  Watchdog Timer (WDT)
      5. 9.9.5  System Module (SYS)
      6. 9.9.6  Cyclic Redundancy Check (CRC)
      7. 9.9.7  Enhanced Universal Serial Communication Interface (eUSCI_A0, eUSCI_B0)
      8. 9.9.8  Timers (Timer0_A3, Timer1_A3)
      9. 9.9.9  Real-Time Clock (RTC) Counter
      10. 9.9.10 10-Bit Analog Digital Converter (ADC)
      11. 9.9.11 Liquid Crystal Display (LCD)
      12. 9.9.12 Embedded Emulation Module (EEM)
      13. 9.9.13 Input/Output Schematics
        1. 9.9.13.1  Port P1 Input/Output With Schmitt Trigger
        2. 9.9.13.2  Port P2 Input/Output With Schmitt Trigger
        3. 9.9.13.3  Port P3 Input/Output With Schmitt Trigger
        4. 9.9.13.4  Port P4.0 Input/Output With Schmitt Trigger
        5. 9.9.13.5  Port P4.1 and P4.2 Input/Output With Schmitt Trigger
        6. 9.9.13.6  Port 4.3, P4.4, P4.5, P4.6, and P4.7 Input/Output With Schmitt Trigger
        7. 9.9.13.7  Port P5.0, P5.1, P5.2, and P5.3 Input/Output With Schmitt Trigger
        8. 9.9.13.8  Port P5.4, P5.5, P5.6, and P5.7 Input/Output With Schmitt Trigger
        9. 9.9.13.9  Port P6 Input/Output With Schmitt Trigger
        10. 9.9.13.10 Port P7 Input/Output With Schmitt Trigger
        11. 9.9.13.11 Port P8.0 and P8.1 Input/Output With Schmitt Trigger
        12. 9.9.13.12 Port P8.2 and P8.3 Input/Output With Schmitt Trigger
    10. 9.10 Device Descriptors (TLV)
    11. 9.11 Memory
      1. 9.11.1 Peripheral File Map
    12. 9.12 Identification
      1. 9.12.1 Revision Identification
      2. 9.12.2 Device Identification
      3. 9.12.3 JTAG Identification
  10. 10Applications, Implementation, and Layout
    1. 10.1 Device Connection and Layout Fundamentals
      1. 10.1.1 Power Supply Decoupling and Bulk Capacitors
      2. 10.1.2 External Oscillator
      3. 10.1.3 JTAG
      4. 10.1.4 Reset
      5. 10.1.5 Unused Pins
      6. 10.1.6 General Layout Recommendations
      7. 10.1.7 Do's and Don'ts
    2. 10.2 Peripheral- and Interface-Specific Design Information
      1. 10.2.1 ADC Peripheral
        1. 10.2.1.1 Partial Schematic
        2. 10.2.1.2 Design Requirements
        3. 10.2.1.3 Layout Guidelines
      2. 10.2.2 LCD_E Peripheral
        1. 10.2.2.1 Partial Schematic
        2. 10.2.2.2 Design Requirements
        3. 10.2.2.3 Detailed Design Procedure
        4. 10.2.2.4 Layout Guidelines
      3. 10.2.3 Timer
        1. 10.2.3.1 Generate Accurate PWM Using Internal Oscillator
    3. 10.3 Typical Applications
  11. 11Device and Documentation Support
    1. 11.1 Getting Started
    2. 11.2 Device Nomenclature
    3. 11.3 Tools and Software
    4. 11.4 Documentation Support
    5. 11.5 支持资源
    6. 11.6 Trademarks
    7. 11.7 Electrostatic Discharge Caution
    8. 11.8 Export Control Notice
    9. 11.9 术语表
  12. 12Mechanical, Packaging, and Orderable Information

封装选项

机械数据 (封装 | 引脚)
散热焊盘机械数据 (封装 | 引脚)
订购信息

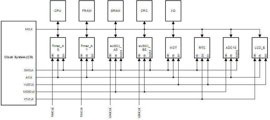
Clock System (CS) and Clock Distribution

The clock system includes a 32-kHz crystal oscillator (XT1), an internal very low-power low-frequency oscillator (VLO), an integrated 32-kHz RC oscillator (REFO), an integrated internal digitally controlled oscillator (DCO) that may use frequency-locked loop (FLL) locking with internal or external 32-kHz reference clock, and on-chip asynchronous high-speed clock (MODCLK). The clock system is designed to target cost-effective designs with minimal external components. A fail-safe mechanism is designed for XT1. The clock system module offers the following clock signals.

  • Main Clock (MCLK): the system clock used by the CPU and all relevant peripherals accessed by the bus. All clock sources except MODCLK can be selected as the source with a predivider of 1, 2, 4, 8, 16, 32, 64, or 128.
  • Sub-Main Clock (SMCLK): the subsystem clock used by the peripheral modules. SMCLK derives from the MCLK with a predivider of 1, 2, 4, or 8. This means SMCLK is always equal to or less than MCLK.
  • Auxiliary Clock (ACLK): this clock is derived from the external XT1 clock or internal REFO clock up to 40 kHz.

All peripherals may have one or several clock sources depending on specific functionality. Table 9-6 shows the clock distribution used in this device.

Table 9-6 Clock Distribution
CLOCK SOURCE SELECT BITSMCLKSMCLKACLKMODCLKXT1CLK(1)VLOCLKEXTERNAL PIN
Frequency RangeDC to 16 MHzDC to 16 MHzDC to 40 kHz5 MHz ±10%DC to 40 kHz10 kHz ±50%
CPUN/ADefault
FRAMN/ADefault
RAMN/ADefault
CRCN/ADefault
I/ON/ADefault
TA0TASSEL10b01b00b (TA0CLK pin)
TA1TASSEL10b01b00b (TA1CLK pin)
eUSCI_A0UCSSELx10b or 11b01b00b (UCA0CLK pin)
eUSCI_B0UCSSELx10b or 11b01b00b (UCB0CLK pin)
WDTWDTSSEL00b01b10b
ADCADCSSEL10b or 11b01b00b
LCDLCDSSEL01b00b10b
RTCRTCSS01b10b11b
To enable XT1 functionality, configure P4SEL0.1 (XIN) and P4SEL0.2 (XOUT) before configuring the Clock System registers.
GUID-06D6E4EC-901B-4CF5-8603-CD9B9C4D4C0B-low.gifFigure 9-1 Clock Distribution Block Diagram