ZHCSET6E November   2015  – December 2019 MSP430FR2532 , MSP430FR2533 , MSP430FR2632 , MSP430FR2633

PRODUCTION DATA.  

  1. 1器件概述
    1. 1.1 特性
    2. 1.2 应用
    3. 1.3 说明
    4. 1.4 功能框图
  2. 2修订历史记录
  3. 3Device Comparison
    1. 3.1 Related Products
  4. 4Terminal Configuration and Functions
    1. 4.1 Pin Diagrams
    2. 4.2 Pin Attributes
    3. 4.3 Signal Descriptions
    4. 4.4 Pin Multiplexing
    5. 4.5 Buffer Types
    6. 4.6 Connection of Unused Pins
  5. 5Specifications
    1. 5.1       Absolute Maximum Ratings
    2. 5.2       ESD Ratings
    3. 5.3       Recommended Operating Conditions
    4. 5.4       Active Mode Supply Current Into VCC Excluding External Current
    5. 5.5       Active Mode Supply Current Per MHz
    6. 5.6       Low-Power Mode LPM0 Supply Currents Into VCC Excluding External Current
    7. 5.7       Low-Power Mode (LPM3 and LPM4) Supply Currents (Into VCC) Excluding External Current
    8. 5.8       Low-Power Mode LPMx.5 Supply Currents (Into VCC) Excluding External Current
    9. 5.9       Typical Characteristics - Low-Power Mode Supply Currents
    10. Table 5-1 Typical Characteristics – Current Consumption Per Module
    11. 5.10      Thermal Resistance Characteristics
    12. 5.11      Timing and Switching Characteristics
      1. 5.11.1  Power Supply Sequencing
        1. Table 5-2 PMM, SVS and BOR
      2. 5.11.2  Reset Timing
        1. Table 5-3 Wake-up Times From Low-Power Modes and Reset
      3. 5.11.3  Clock Specifications
        1. Table 5-4 XT1 Crystal Oscillator (Low Frequency)
        2. Table 5-5 DCO FLL, Frequency
        3. Table 5-6 DCO Frequency
        4. Table 5-7 REFO
        5. Table 5-8 Internal Very-Low-Power Low-Frequency Oscillator (VLO)
        6. Table 5-9 Module Oscillator (MODOSC)
      4. 5.11.4  Digital I/Os
        1. Table 5-10 Digital Inputs
        2. Table 5-11 Digital Outputs
        3. 5.11.4.1   Typical Characteristics – Outputs at 3 V and 2 V
      5. 5.11.5  VREF+ Built-in Reference
        1. Table 5-12 VREF+
      6. 5.11.6  Timer_A
        1. Table 5-13 Timer_A
      7. 5.11.7  eUSCI
        1. Table 5-14 eUSCI (UART Mode) Clock Frequency
        2. Table 5-15 eUSCI (UART Mode)
        3. Table 5-16 eUSCI (SPI Master Mode) Clock Frequency
        4. Table 5-17 eUSCI (SPI Master Mode)
        5. Table 5-18 eUSCI (SPI Slave Mode)
        6. Table 5-19 eUSCI (I2C Mode)
      8. 5.11.8  ADC
        1. Table 5-20 ADC, Power Supply and Input Range Conditions
        2. Table 5-21 ADC, 10-Bit Timing Parameters
        3. Table 5-22 ADC, 10-Bit Linearity Parameters
      9. 5.11.9  CapTIvate
        1. Table 5-23 CapTIvate Electrical Characteristics
        2. Table 5-24 CapTIvate Signal-to-Noise Ratio Characteristics
      10. 5.11.10 FRAM
        1. Table 5-25 FRAM
      11. 5.11.11 Debug and Emulation
        1. Table 5-26 JTAG, Spy-Bi-Wire Interface
        2. Table 5-27 JTAG, 4-Wire Interface
  6. 6Detailed Description
    1. 6.1  Overview
    2. 6.2  CPU
    3. 6.3  Operating Modes
    4. 6.4  Interrupt Vector Addresses
    5. 6.5  Bootloader (BSL)
    6. 6.6  JTAG Standard Interface
    7. 6.7  Spy-Bi-Wire Interface (SBW)
    8. 6.8  FRAM
    9. 6.9  Memory Protection
    10. 6.10 Peripherals
      1. 6.10.1  Power-Management Module (PMM)
      2. 6.10.2  Clock System (CS) and Clock Distribution
      3. 6.10.3  General-Purpose Input/Output Port (I/O)
      4. 6.10.4  Watchdog Timer (WDT)
      5. 6.10.5  System (SYS) Module
      6. 6.10.6  Cyclic Redundancy Check (CRC)
      7. 6.10.7  Enhanced Universal Serial Communication Interface (eUSCI_A0, eUSCI_B0)
      8. 6.10.8  Timers (Timer0_A3, Timer1_A3, Timer2_A2 and Timer3_A2)
      9. 6.10.9  Hardware Multiplier (MPY)
      10. 6.10.10 Backup Memory (BAKMEM)
      11. 6.10.11 Real-Time Clock (RTC)
      12. 6.10.12 10-Bit Analog-to-Digital Converter (ADC)
      13. 6.10.13 CapTIvate Technology
      14. 6.10.14 Embedded Emulation Module (EEM)
    11. 6.11 Input/Output Diagrams
      1. 6.11.1 Port P1 Input/Output With Schmitt Trigger
      2. 6.11.2 Port P2 (P2.0 to P2.2) Input/Output With Schmitt Trigger
      3. 6.11.3 Port P2 (P2.3 to P2.7) Input/Output With Schmitt Trigger
      4. 6.11.4 Port P3 (P3.0 to P3.2) Input/Output With Schmitt Trigger
    12. 6.12 Device Descriptors
    13. 6.13 Memory
      1. 6.13.1 Memory Organization
      2. 6.13.2 Peripheral File Map
    14. 6.14 Identification
      1. 6.14.1 Revision Identification
      2. 6.14.2 Device Identification
      3. 6.14.3 JTAG Identification
  7. 7Applications, Implementation, and Layout
    1. 7.1 Device Connection and Layout Fundamentals
      1. 7.1.1 Power Supply Decoupling and Bulk Capacitors
      2. 7.1.2 External Oscillator
      3. 7.1.3 JTAG
      4. 7.1.4 Reset
      5. 7.1.5 Unused Pins
      6. 7.1.6 General Layout Recommendations
      7. 7.1.7 Do's and Don'ts
    2. 7.2 Peripheral- and Interface-Specific Design Information
      1. 7.2.1 ADC Peripheral
        1. 7.2.1.1 Partial Schematic
        2. 7.2.1.2 Design Requirements
        3. 7.2.1.3 Layout Guidelines
      2. 7.2.2 CapTIvate Peripheral
        1. 7.2.2.1 Device Connection and Layout Fundamentals
        2. 7.2.2.2 Measurements
          1. 7.2.2.2.1 SNR
          2. 7.2.2.2.2 Sensitivity
          3. 7.2.2.2.3 Power
    3. 7.3 CapTIvate Technology Evaluation
  8. 8器件和文档支持
    1. 8.1  入门和后续步骤
    2. 8.2  器件命名规则
    3. 8.3  工具和软件
    4. 8.4  文档支持
    5. 8.5  相关链接
    6. 8.6  社区资源
    7. 8.7  商标
    8. 8.8  静电放电警告
    9. 8.9  Export Control Notice
    10. 8.10 Glossary
  9. 9机械、封装和可订购信息

封装选项

机械数据 (封装 | 引脚)
散热焊盘机械数据 (封装 | 引脚)
订购信息

JTAG

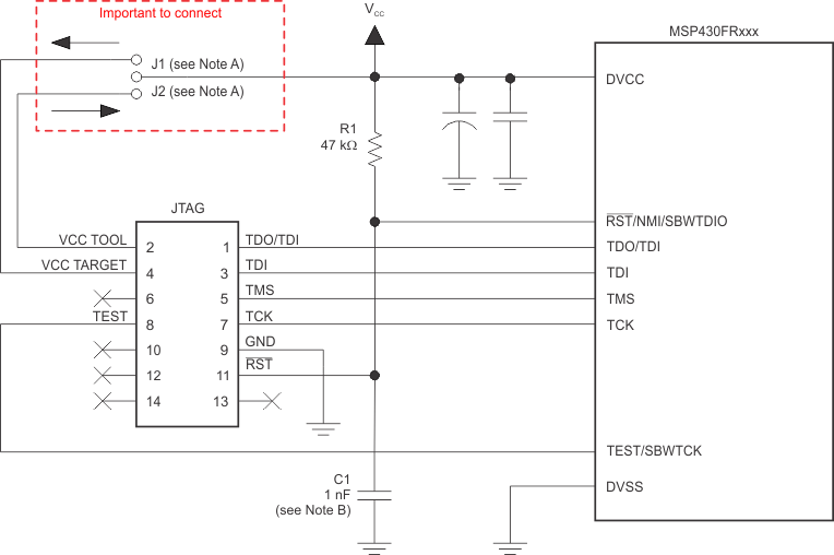
With the proper connections, the debugger and a hardware JTAG interface (such as the MSP-FET or MSP-FET430UIF) can be used to program and debug code on the target board. In addition, the connections also support the MSP-GANG production programmers, thus providing an easy way to program prototype boards, if desired. Figure 7-3 shows the connections between the 14-pin JTAG connector and the target device required to support in-system programming and debugging for 4-wire JTAG communication. Figure 7-4 shows the connections for 2-wire JTAG mode (Spy-Bi-Wire).

The connections for the MSP-FET and MSP-FET430UIF interface modules and the MSP-GANG are identical. Both can supply VCC to the target board (through pin 2). In addition, the MSP-FET and MSP-FET430UIF interface modules and MSP-GANG have a VCC sense feature that, if used, requires an alternate connection (pin 4 instead of pin 2). The VCC sense feature detects the local VCC present on the target board (that is, a battery or other local power supply) and adjusts the output signals accordingly. Figure 7-3 and Figure 7-4 show a jumper block that supports both scenarios of supplying VCC to the target board. If this flexibility is not required, the desired VCC connections may be hard-wired to eliminate the jumper block. Pins 2 and 4 must not be connected at the same time.

For additional design information regarding the JTAG interface, see the MSP430 Hardware Tools User's Guide.

MSP430FR2633 MSP430FR2632 MSP430FR2533 MSP430FR2532 app_signal_conn_4wire_jtag.gif
If a local target power supply is used, make connection J1. If power from the debug or programming adapter is used, make connection J2.
The upper limit for C1 is 1.1 nF when using current TI tools.
Figure 7-3 Signal Connections for 4-Wire JTAG Communication
MSP430FR2633 MSP430FR2632 MSP430FR2533 MSP430FR2532 app_signal_conn_2wire_jtag.gif
Make connection J1 if a local target power supply is used, or make connection J2 if the target is powered from the debug or programming adapter.
The device RST/NMI/SBWTDIO pin is used in 2-wire mode for bidirectional communication with the device during JTAG access, and any capacitance that is attached to this signal may affect the ability to establish a connection with the device. The upper limit for C1 is 1.1 nF when using current TI tools.
Figure 7-4 Signal Connections for 2-Wire JTAG Communication (Spy-Bi-Wire)