ZHCS912H April   2009  – October 2023 INA199

PRODUCTION DATA  

  1.   1
  2. 特性
  3. 应用
  4. 说明
  5. 器件比较表
  6. 引脚配置和功能
  7. 规格
    1. 6.1 绝对最大额定值
    2. 6.2 ESD 等级
    3. 6.3 建议运行条件
    4. 6.4 热性能信息
    5. 6.5 电气特性
    6. 6.6 典型特性
  8. 详细说明
    1. 7.1 概述
    2. 7.2 功能方框图
    3. 7.3 特性说明
      1. 7.3.1 基本连接
      2. 7.3.2 选择 RS
    4. 7.4 器件功能模式
      1. 7.4.1 输入滤波
      2. 7.4.2 关断 INA199 系列
      3. 7.4.3 REF 输入阻抗影响
      4. 7.4.4 在共模瞬态电压大于 26V 的情况下使用 INA199
      5. 7.4.5 改善瞬态稳定性
  9. 应用和实施
    1. 8.1 应用信息
    2. 8.2 典型应用
      1. 8.2.1 单向运行
        1. 8.2.1.1 设计要求
        2. 8.2.1.2 详细设计过程
        3. 8.2.1.3 应用曲线
      2. 8.2.2 双向运行
        1. 8.2.2.1 设计要求
        2. 8.2.2.2 详细设计过程
        3. 8.2.2.3 应用曲线
  10. 电源相关建议
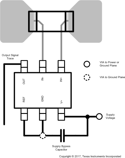
  11. 10布局
    1. 10.1 布局指南
    2. 10.2 布局示例
  12. 11器件和文档支持
    1. 11.1 文档支持
      1. 11.1.1 相关文档
    2. 11.2 接收文档更新通知
    3. 11.3 支持资源
    4. 11.4 商标
    5. 11.5 静电放电警告
    6. 11.6 术语表
  13. 12Revision History
  14. 13机械、封装和可订购信息

封装选项

机械数据 (封装 | 引脚)
散热焊盘机械数据 (封装 | 引脚)
订购信息

布局示例

GUID-F3678DCF-5DBF-44AF-93AB-379FB16D718B-low.gif图 10-1 建议布局