ZHCSID2C July   2018  – December 2023 DRV8847

PRODUCTION DATA  

  1.   1
  2. 特性
  3. 应用
  4. 说明
  5. 修订历史记录
  6. 引脚配置和功能
  7. 规格
    1. 6.1 绝对最大额定值
    2. 6.2 ESD 等级
    3. 6.3 建议运行条件
    4. 6.4 热性能信息
    5. 6.5 电气特性
    6. 6.6 I2C 时序要求
    7. 6.7 典型特性
  8. 详细说明
    1. 7.1 概述
    2. 7.2 功能方框图
    3. 7.3 特性说明
      1. 7.3.1 PWM 电机驱动器
      2. 7.3.2 桥运行
        1. 7.3.2.1 正向运行
        2. 7.3.2.2 反向运行
        3. 7.3.2.3 滑行运行(快速衰减)
        4. 7.3.2.4 制动运行(慢速衰减)
      3. 7.3.3 桥控制
        1. 7.3.3.1 4 引脚连接
        2. 7.3.3.2 2 引脚连接
        3. 7.3.3.3 并联桥式连接
        4. 7.3.3.4 独立桥式连接
      4. 7.3.4 电流调节
      5. 7.3.5 电流再循环和衰减模式
      6. 7.3.6 扭矩标量
      7. 7.3.7 步进模式
        1. 7.3.7.1 全步进模式(4 引脚连接)
        2. 7.3.7.2 全步进模式(2 引脚连接)
        3. 7.3.7.3 半步进模式(非驱动快速衰减)
        4. 7.3.7.4 半步进模式(非驱动慢速衰减)
      8. 7.3.8 电机驱动器保护电路
        1. 7.3.8.1 过流保护 (OCP)
          1. 7.3.8.1.1 OCP 自动重试(硬件器件和软件器件 (OCPR = 0b))
          2. 7.3.8.1.2 OCP 锁存模式(软件器件 (OCPR = 1b))
          3. 7.3.8.1.3 42
        2. 7.3.8.2 热关断 (TSD)
        3. 7.3.8.3 VM 欠压锁定 (VM_UVLO)
        4. 7.3.8.4 开路负载检测 (OLD)
          1. 7.3.8.4.1 全桥开路负载检测
          2. 7.3.8.4.2 负载连接至 VM
          3. 7.3.8.4.3 负载连接至 GND
    4. 7.4 器件功能模式
    5. 7.5 编程
      1. 7.5.1 I2C 通信
        1. 7.5.1.1 I2C 写入
        2. 7.5.1.2 I2C 读取
      2. 7.5.2 多从运行
    6. 7.6 寄存器映射
      1. 7.6.1 从地址寄存器(地址 = 0x00)[复位 = 0x60]
      2. 7.6.2 IC1 控制寄存器(地址 = 0x01)[复位 = 0x00]
      3. 7.6.3 IC2 控制寄存器(地址 = 0x02)[复位 = 0x00]
      4. 7.6.4 压摆率和故障状态 1 寄存器(地址 = 0x03)[复位 = 0x40]
      5. 7.6.5 故障状态 2 寄存器(地址 = 0x04)[复位 = 0x00]
  9. 应用和实施
    1. 8.1 应用信息
    2. 8.2 典型应用
      1. 8.2.1 步进电机应用
        1. 8.2.1.1 设计要求
        2. 8.2.1.2 详细设计过程
          1. 8.2.1.2.1 步进模式
            1. 8.2.1.2.1.1 全步进运行
            2. 8.2.1.2.1.2 快速衰减下的半步进运行
            3. 8.2.1.2.1.3 慢速衰减下的半步进运行
          2. 8.2.1.2.2 电流调节
        3. 8.2.1.3 应用曲线
      2. 8.2.2 双 BDC 电机应用
        1. 8.2.2.1 设计要求
        2. 8.2.2.2 详细设计过程
          1. 8.2.2.2.1 电机电压
          2. 8.2.2.2.2 电流调节
          3. 8.2.2.2.3 感测电阻
      3. 8.2.3 开路负载实现
        1. 8.2.3.1 开路负载检测电路
        2. 8.2.3.2 接地连接负载的 OLD
          1. 8.2.3.2.1 半桥开路
          2. 8.2.3.2.2 半桥短路
          3. 8.2.3.2.3 连接的负载
        3. 8.2.3.3 连接电源 (VM) 的负载的 OLD
          1. 8.2.3.3.1 半桥开路
          2. 8.2.3.3.2 半桥短路
          3. 8.2.3.3.3 连接的负载
        4. 8.2.3.4 全桥连接负载的 OLD
          1. 8.2.3.4.1 全桥开路
            1. 8.2.3.4.1.1 半桥 1 的高侧比较器 (OL1_HS)
            2. 8.2.3.4.1.2 半桥 2 的低侧比较器 (OL2_LS)
          2. 8.2.3.4.2 全桥短路
            1. 8.2.3.4.2.1 半桥 1 的高侧比较器 (OL1_HS)
            2. 8.2.3.4.2.2 半桥 2 的低侧比较器 (OL2_LS)
          3. 8.2.3.4.3 全桥中连接的负载
            1. 8.2.3.4.3.1 半桥 1 的高侧比较器 (OL1_HS)
            2. 8.2.3.4.3.2 半桥 2 的低侧比较器 (OL2_LS)
  10.   电源相关建议
    1. 9.1 确定大容量电容器的大小
  11. 布局
    1. 9.1 布局指南
    2. 9.2 布局示例
    3. 9.3 散热注意事项
      1. 9.3.1 最大输出电流
      2. 9.3.2 过热保护
    4. 9.4 功率损耗
  12. 10器件和文档支持
    1. 10.1 器件支持(可选)
      1. 10.1.1 开发支持(可选)
      2. 10.1.2 器件命名规则(可选)
    2. 10.2 文档支持
      1. 10.2.1 相关文档
    3. 10.3 接收文档更新通知
    4. 10.4 社区资源
    5. 10.5 商标
  13. 11机械、封装和可订购信息

封装选项

请参考 PDF 数据表获取器件具体的封装图。

机械数据 (封装 | 引脚)
  • PW|16
  • PWP|16
  • RTE|16
散热焊盘机械数据 (封装 | 引脚)
订购信息

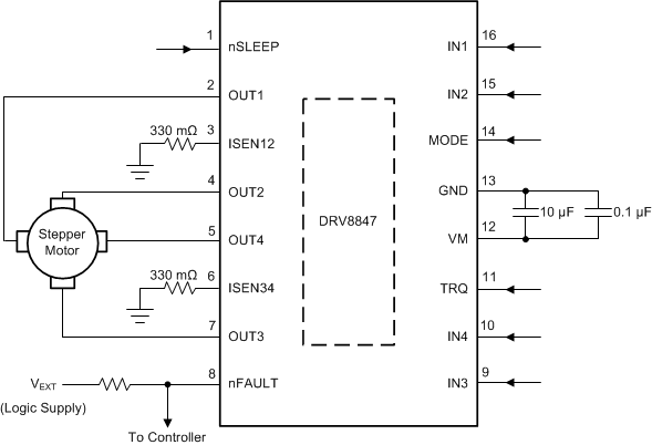
步进电机应用

图 8-1 显示了 DRV8847 器件驱动步进电机的典型应用。

GUID-4CF84DC6-637E-4545-835D-879B71F9B625-low.gif图 8-1 驱动步进电机的器件的典型应用原理图