ZHCSG69E November   2016  – May 2018 DM505

PRODUCTION DATA.  

  1. 1器件概述
    1. 1.1 特性
    2. 1.2 应用
    3. 1.3 说明
    4. 1.4 功能框图
  2. 2修订历史记录
  3. 3Device Comparison
    1. 3.1 Device Comparison Table
  4. 4Terminal Configuration and Functions
    1. 4.1 Pin Diagram
    2. 4.2 Pin Attributes
    3. 4.3 Signal Descriptions
      1. 4.3.1  VIP
      2. 4.3.2  DSS
      3. 4.3.3  SD_DAC
      4. 4.3.4  ADC
      5. 4.3.5  Camera Control
      6. 4.3.6  CPI
      7. 4.3.7  CSI2
      8. 4.3.8  EMIF
      9. 4.3.9  GPMC
      10. 4.3.10 Timers
      11. 4.3.11 I2C
      12. 4.3.12 UART
      13. 4.3.13 McSPI
      14. 4.3.14 QSPI
      15. 4.3.15 McASP
      16. 4.3.16 DCAN and MCAN
      17. 4.3.17 GMAC_SW
      18. 4.3.18 SDIO Controller
      19. 4.3.19 GPIO
      20. 4.3.20 ePWM
      21. 4.3.21 Emulation and Debug Subsystem
      22. 4.3.22 System and Miscellaneous
        1. 4.3.22.1 Sysboot
        2. 4.3.22.2 Power, Reset and Clock Management (PRCM)
        3. 4.3.22.3 Enhanced Direct Memory Access (EDMA)
        4. 4.3.22.4 Interrupt Controllers (INTC)
      23. 4.3.23 Power Supplies
    4. 4.4 Pin Multiplexing
    5. 4.5 Connections for Unused Pins
  5. 5Specifications
    1. 5.1 Absolute Maximum Ratings
    2. 5.2 ESD Ratings
    3. 5.3 Power on Hour (POH) Limits
    4. 5.4 Recommended Operating Conditions
    5. 5.5 Operating Performance Points
      1. 5.5.1 AVS Requirements
      2. 5.5.2 Voltage And Core Clock Specifications
      3. 5.5.3 Maximum Supported Frequency
    6. 5.6 Power Consumption Summary
    7. 5.7 Electrical Characteristics
      1. Table 5-6   LVCMOS DDR DC Electrical Characteristics
      2. Table 5-7   Dual Voltage LVCMOS I2C DC Electrical Characteristics
      3. Table 5-8   IQ1833 Buffers DC Electrical Characteristics
      4. Table 5-9   IHHV1833 Buffers DC Electrical Characteristics
      5. Table 5-10 LVCMOS Analog OSC Buffers DC Electrical Characteristics
      6. Table 5-11 LVCMOS CSI2 DC Electrical Characteristics
      7. Table 5-12 Dual Voltage LVCMOS DC Electrical Characteristics
      8. Table 5-13 Analog-to-Digital ADC Subsystem Electrical Specifications
    8. 5.8 Thermal Characteristics
      1. 5.8.1 Package Thermal Characteristics
    9. 5.9 Timing Requirements and Switching Characteristics
      1. 5.9.1 Timing Parameters and Information
        1. 5.9.1.1 Parameter Information
          1. 5.9.1.1.1 1.8V and 3.3V Signal Transition Levels
          2. 5.9.1.1.2 1.8V and 3.3V Signal Transition Rates
          3. 5.9.1.1.3 Timing Parameters and Board Routing Analysis
      2. 5.9.2 Interface Clock Specifications
        1. 5.9.2.1 Interface Clock Terminology
        2. 5.9.2.2 Interface Clock Frequency
      3. 5.9.3 Power Supply Sequences
      4. 5.9.4 Clock Specifications
        1. 5.9.4.1 Input Clocks / Oscillators
          1. 5.9.4.1.1 OSC0 External Crystal
          2. 5.9.4.1.2 OSC0 Input Clock
          3. 5.9.4.1.3 Auxiliary Oscillator OSC1 Input Clock
            1. 5.9.4.1.3.1 OSC1 External Crystal
            2. 5.9.4.1.3.2 OSC1 Input Clock
          4. 5.9.4.1.4 RC On-die Oscillator Clock
        2. 5.9.4.2 Output Clocks
        3. 5.9.4.3 DPLLs, DLLs
          1. 5.9.4.3.1 DPLL Characteristics
          2. 5.9.4.3.2 DLL Characteristics
            1. 5.9.4.3.2.1 DPLL and DLL Noise Isolation
      5. 5.9.5 Recommended Clock and Control Signal Transition Behavior
      6. 5.9.6 Peripherals
        1. 5.9.6.1  Timing Test Conditions
        2. 5.9.6.2  VIP
        3. 5.9.6.3  DSS
        4. 5.9.6.4  ISS
          1. 5.9.6.4.1 CSI-2 MIPI D-PHY—1.5 V and 1.8 V
        5. 5.9.6.5  EMIF
        6. 5.9.6.6  GPMC
          1. 5.9.6.6.1 GPMC/NOR Flash Interface Synchronous Timing
          2. 5.9.6.6.2 GPMC/NOR Flash Interface Asynchronous Timing
          3. 5.9.6.6.3 GPMC/NAND Flash Interface Asynchronous Timing
        7. 5.9.6.7  GP Timers
          1. 5.9.6.7.1 GP Timer Features
        8. 5.9.6.8  I2C
          1. Table 5-41 Timing Requirements for I2C Input Timings
          2. Table 5-42 Switching Characteristics Over Recommended Operating Conditions for I2C Output Timings
        9. 5.9.6.9  UART
          1. Table 5-43 Timing Requirements for UART
          2. Table 5-44 Switching Characteristics Over Recommended Operating Conditions for UART
        10. 5.9.6.10 McSPI
        11. 5.9.6.11 QSPI
        12. 5.9.6.12 McASP
          1. Table 5-52 Timing Requirements for McASP1
          2. Table 5-53 Timing Requirements for McASP2
          3. Table 5-54 Timing Requirements for McASP3
          4. Table 5-55 Switching Characteristics Over Recommended Operating Conditions for McASP1
          5. Table 5-56 Switching Characteristics Over Recommended Operating Conditions for McASP2
          6. Table 5-57 Switching Characteristics Over Recommended Operating Conditions for McASP3
        13. 5.9.6.13 DCAN and MCAN
          1. 5.9.6.13.1  DCAN
          2. 5.9.6.13.2  MCAN
          3. Table 5-60 Timing Requirements for CAN Receive
          4. Table 5-61 Switching Characteristics Over Recommended Operating Conditions for CAN Transmit
        14. 5.9.6.14 GMAC_SW
          1. 5.9.6.14.1 GMAC MDIO Interface Timings
          2. 5.9.6.14.2 GMAC RGMII Timings
            1. Table 5-65 Timing Requirements for rgmiin_rxc - RGMIIn Operation
            2. Table 5-66 Timing Requirements for GMAC RGMIIn Input Receive for 10/100/1000 Mbps
            3. Table 5-67 Switching Characteristics Over Recommended Operating Conditions for rgmiin_txctl - RGMIIn Operation for 10/100/1000 Mbit/s
            4. Table 5-68 Switching Characteristics for GMAC RGMIIn Output Transmit for 10/100/1000 Mbps
        15. 5.9.6.15 SDIO Controller
          1. 5.9.6.15.1 MMC, SD Default Speed
          2. 5.9.6.15.2 MMC, SD High Speed
          3. 5.9.6.15.3 MMC, SD and SDIO SDR12 Mode
          4. 5.9.6.15.4 MMC, SD SDR25 Mode
        16. 5.9.6.16 GPIO
      7. 5.9.7 Emulation and Debug Subsystem
        1. 5.9.7.1 JTAG Electrical Data/Timing
          1. Table 5-79 Timing Requirements for IEEE 1149.1 JTAG
          2. Table 5-80 Switching Characteristics Over Recommended Operating Conditions for IEEE 1149.1 JTAG
          3. Table 5-81 Timing Requirements for IEEE 1149.1 JTAG With RTCK
          4. Table 5-82 Switching Characteristics Over Recommended Operating Conditions for IEEE 1149.1 JTAG With RTCK
        2. 5.9.7.2 Trace Port Interface Unit (TPIU)
          1. 5.9.7.2.1 TPIU PLL DDR Mode
  6. 6Detailed Description
    1. 6.1  Description
    2. 6.2  Functional Block Diagram
    3. 6.3  DSP Subsystem
    4. 6.4  IPU
    5. 6.5  EVE
    6. 6.6  Memory Subsystem
      1. 6.6.1 EMIF
      2. 6.6.2 GPMC
      3. 6.6.3 ELM
      4. 6.6.4 OCMC
    7. 6.7  Interprocessor Communication
      1. 6.7.1 Mailbox
      2. 6.7.2 Spinlock
    8. 6.8  Interrupt Controller
    9. 6.9  EDMA
    10. 6.10 Peripherals
      1. 6.10.1  VIP
      2. 6.10.2  DSS
      3. 6.10.3  ADC
      4. 6.10.4  ISS
      5. 6.10.5  Timers
        1. 6.10.5.1 General-Purpose Timers
        2. 6.10.5.2 32-kHz Synchronized Timer (COUNTER_32K)
      6. 6.10.6  I2C
      7. 6.10.7  UART
        1. 6.10.7.1 UART Features
      8. 6.10.8  McSPI
      9. 6.10.9  QSPI
      10. 6.10.10 McASP
      11. 6.10.11 DCAN
      12. 6.10.12 MCAN
      13. 6.10.13 GMAC_SW
      14. 6.10.14 SDIO
      15. 6.10.15 GPIO
      16. 6.10.16 ePWM
      17. 6.10.17 eCAP
      18. 6.10.18 eQEP
    11. 6.11 On-Chip Debug
  7. 7Applications, Implementation, and Layout
    1. 7.1  Introduction
      1. 7.1.1 Initial Requirements and Guidelines
    2. 7.2  Power Optimizations
      1. 7.2.1 Step 1: PCB Stack-up
      2. 7.2.2 Step 2: Physical Placement
      3. 7.2.3 Step 3: Static Analysis
        1. 7.2.3.1 PDN Resistance and IR Drop
      4. 7.2.4 Step 4: Frequency Analysis
      5. 7.2.5 System ESD Generic Guidelines
        1. 7.2.5.1 System ESD Generic PCB Guideline
        2. 7.2.5.2 Miscellaneous EMC Guidelines to Mitigate ESD Immunity
        3. 7.2.5.3 ESD Protection System Design Consideration
      6. 7.2.6 EMI / EMC Issues Prevention
        1. 7.2.6.1 Signal Bandwidth
        2. 7.2.6.2 Signal Routing
          1. 7.2.6.2.1 Signal Routing—Sensitive Signals and Shielding
          2. 7.2.6.2.2 Signal Routing—Outer Layer Routing
        3. 7.2.6.3 Ground Guidelines
          1. 7.2.6.3.1 PCB Outer Layers
          2. 7.2.6.3.2 Metallic Frames
          3. 7.2.6.3.3 Connectors
          4. 7.2.6.3.4 Guard Ring on PCB Edges
          5. 7.2.6.3.5 Analog and Digital Ground
    3. 7.3  Core Power Domains
      1. 7.3.1 General Constraints and Theory
      2. 7.3.2 Voltage Decoupling
      3. 7.3.3 Static PDN Analysis
      4. 7.3.4 Dynamic PDN Analysis
      5. 7.3.5 Power Supply Mapping
      6. 7.3.6 DPLL Voltage Requirement
      7. 7.3.7 Loss of Input Power Event
      8. 7.3.8 Example PCB Design
        1. 7.3.8.1 Example Stack-up
        2. 7.3.8.2 vdd_dspeve Example Analysis
    4. 7.4  Single-Ended Interfaces
      1. 7.4.1 General Routing Guidelines
      2. 7.4.2 QSPI Board Design and Layout Guidelines
        1. 7.4.2.1 If QSPI is operated in Mode 0 (POL=0, PHA=0):
        2. 7.4.2.2 If QSPI is operated in Mode 3 (POL=1, PHA=1):
    5. 7.5  Differential Interfaces
      1. 7.5.1 General Routing Guidelines
      2. 7.5.2 CSI2 Board Design and Routing Guidelines
        1. 7.5.2.1 CSI2_0 MIPI CSI-2 (1.5 Gbps)
          1. 7.5.2.1.1 General Guidelines
          2. 7.5.2.1.2 Length Mismatch Guidelines
            1. 7.5.2.1.2.1 CSI2_0 MIPI CSI-2 (1.5 Gbps)
          3. 7.5.2.1.3 Frequency-domain Specification Guidelines
    6. 7.6  Clock Routing Guidelines
      1. 7.6.1 Oscillator Ground Connection
    7. 7.7  LPDDR2 Board Design and Layout Guidelines
      1. 7.7.1 LPDDR2 Board Designs
      2. 7.7.2 LPDDR2 Device Configurations
      3. 7.7.3 LPDDR2 Interface
        1. 7.7.3.1 LPDDR2 Interface Schematic
        2. 7.7.3.2 Compatible JEDEC LPDDR2 Devices
        3. 7.7.3.3 LPDDR2 PCB Stackup
        4. 7.7.3.4 LPDDR2 Placement
        5. 7.7.3.5 LPDDR2 Keepout Region
        6. 7.7.3.6 LPDDR2 Net Classes
        7. 7.7.3.7 LPDDR2 Signal Termination
        8. 7.7.3.8 LPDDR2 DDR_VREF Routing
      4. 7.7.4 Routing Specification
        1. 7.7.4.1 DQS[x] and DQ[x] Routing Specification
        2. 7.7.4.2 CK and ADDR_CTRL Routing Specification
    8. 7.8  DDR2 Board Design and Layout Guidelines
      1. 7.8.1 DDR2 General Board Layout Guidelines
      2. 7.8.2 DDR2 Board Design and Layout Guidelines
        1. 7.8.2.1 Board Designs
        2. 7.8.2.2 DDR2 Interface
          1. 7.8.2.2.1  DDR2 Interface Schematic
          2. 7.8.2.2.2  Compatible JEDEC DDR2 Devices
          3. 7.8.2.2.3  PCB Stackup
          4. 7.8.2.2.4  Placement
          5. 7.8.2.2.5  DDR2 Keepout Region
          6. 7.8.2.2.6  Bulk Bypass Capacitors
          7. 7.8.2.2.7  High-Speed Bypass Capacitors
          8. 7.8.2.2.8  Net Classes
          9. 7.8.2.2.9  DDR2 Signal Termination
          10. 7.8.2.2.10 VREF Routing
        3. 7.8.2.3 DDR2 CK and ADDR_CTRL Routing
    9. 7.9  DDR3 Board Design and Layout Guidelines
      1. 7.9.1 DDR3 General Board Layout Guidelines
      2. 7.9.2 DDR3 Board Design and Layout Guidelines
        1. 7.9.2.1  Board Designs
        2. 7.9.2.2  DDR3 Device Combinations
        3. 7.9.2.3  DDR3 Interface Schematic
          1. 7.9.2.3.1 32-Bit DDR3 Interface
          2. 7.9.2.3.2 16-Bit DDR3 Interface
        4. 7.9.2.4  Compatible JEDEC DDR3 Devices
        5. 7.9.2.5  PCB Stackup
        6. 7.9.2.6  Placement
        7. 7.9.2.7  DDR3 Keepout Region
        8. 7.9.2.8  Bulk Bypass Capacitors
        9. 7.9.2.9  High-Speed Bypass Capacitors
          1. 7.9.2.9.1 Return Current Bypass Capacitors
        10. 7.9.2.10 Net Classes
        11. 7.9.2.11 DDR3 Signal Termination
        12. 7.9.2.12 VTT
        13. 7.9.2.13 CK and ADDR_CTRL Topologies and Routing Definition
          1. 7.9.2.13.1 Three DDR3 Devices
            1. 7.9.2.13.1.1 CK and ADDR_CTRL Topologies, Three DDR3 Devices
            2. 7.9.2.13.1.2 CK and ADDR_CTRL Routing, Three DDR3 Devices
          2. 7.9.2.13.2 Two DDR3 Devices
            1. 7.9.2.13.2.1 CK and ADDR_CTRL Topologies, Two DDR3 Devices
            2. 7.9.2.13.2.2 CK and ADDR_CTRL Routing, Two DDR3 Devices
          3. 7.9.2.13.3 One DDR3 Device
            1. 7.9.2.13.3.1 CK and ADDR_CTRL Topologies, One DDR3 Device
            2. 7.9.2.13.3.2 CK and ADDR/CTRL Routing, One DDR3 Device
        14. 7.9.2.14 Data Topologies and Routing Definition
          1. 7.9.2.14.1 DQS and DQ/DM Topologies, Any Number of Allowed DDR3 Devices
          2. 7.9.2.14.2 DQS and DQ/DM Routing, Any Number of Allowed DDR3 Devices
        15. 7.9.2.15 Routing Specification
          1. 7.9.2.15.1 CK and ADDR_CTRL Routing Specification
          2. 7.9.2.15.2 DQS and DQ Routing Specification
    10. 7.10 CVIDEO/SD-DAC Guidelines and Electrical Data/Timing
  8. 8Device and Documentation Support
    1. 8.1 Device Nomenclature
      1. 8.1.1 Standard Package Symbolization
      2. 8.1.2 Device Naming Convention
    2. 8.2 Tools and Software
    3. 8.3 Documentation Support
      1. 8.3.1 FCC Warning
      2. 8.3.2 Information About Cautions and Warnings
    4. 8.4 Receiving Notification of Documentation Updates
    5. 8.5 Community Resources
    6. 8.6 Trademarks
      1. 8.6.1 静电放电警告
    7. 8.7 出口管制提示
    8. 8.8 术语表
  9. 9Mechanical Packaging Information
    1. 9.1 Mechanical Data

封装选项

机械数据 (封装 | 引脚)
散热焊盘机械数据 (封装 | 引脚)
订购信息

CK and ADDR_CTRL Routing Specification

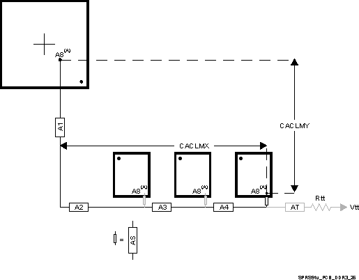
Skew within the CK and ADDR_CTRL net classes directly reduces setup and hold margin and, thus, this skew must be controlled. The only way to practically match lengths on a PCB is to lengthen the shorter traces up to the length of the longest net in the net class and its associated clock. A metric to establish this maximum length is Manhattan distance. The Manhattan distance between two points on a PCB is the length between the points when connecting them only with horizontal or vertical segments. A reasonable trace route length is to within a percentage of its Manhattan distance. CACLM is defined as Clock Address Control Longest Manhattan distance.

Given the clock and address pin locations on the processor and the DDR3 memories, the maximum possible Manhattan distance can be determined given the placement. Figure 7-69 and Figure 7-70 show this distance for three loads and two loads, respectively. It is from this distance that the specifications on the lengths of the transmission lines for the address bus are determined. CACLM is determined similarly for other address bus configurations; that is, it is based on the longest net of the CK/ADDR_CTRL net class. For CK and ADDR_CTRL routing, these specifications are contained in Table 7-44.

DM505 SPRS91v_PCB_DDR3_26.gif
It is very likely that the longest CK/ADDR_CTRL Manhattan distance will be for Address Input 8 (A8) on the DDR3 memories. CACLM is based on the longest Manhattan distance due to the device placement. Verify the net class that satisfies this criteria and use as the baseline for CK/ADDR_CTRL skew matching and length control.

The length of shorter CK/ADDR_CTRL stubs as well as the length of the terminator stub are not included in this length calculation. Non-included lengths are grayed out in the figure.

Assuming A8 is the longest, CALM = CACLMY + CACLMX + 300 mils.
The extra 300 mils allows for routing down lower than the DDR3 memories and returning up to reach A8.
Figure 7-69 CACLM for Three Address Loads on One Side of PCB
DM505 SPRS91v_PCB_DDR3_27.gif
It is very likely that the longest CK/ADDR_CTRL Manhattan distance will be for Address Input 8 (A8) on the DDR3 memories. CACLM is based on the longest Manhattan distance due to the device placement. Verify the net class that satisfies this criteria and use as the baseline for CK/ADDR_CTRL skew matching and length control.

The length of shorter CK/ADDR_CTRL stubs as well as the length of the terminator stub are not included in this length calculation. Non-included lengths are grayed out in the figure.

Assuming A8 is the longest, CALM = CACLMY + CACLMX + 300 mils.
The extra 300 mils allows for routing down lower than the DDR3 memories and returning up to reach A8.
Figure 7-70 CACLM for Two Address Loads on One Side of PCB

Table 7-44 CK and ADDR_CTRL Routing Specification(2)(3)

NO. PARAMETER MIN TYP MAX UNIT
CARS31 A1+A2 length 500(1) ps
CARS32 A1+A2 skew 29 ps
CARS33 A3 length 125 ps
CARS34 A3 skew(4) 6 ps
CARS35 A3 skew(5) 6 ps
CARS36 A4 length 125 ps
CARS37 A4 skew 6 ps
CARS38 AS length 5 17(1) ps
CARS39 AS skew 1.3 14(1) ps
CARS310 AS+/AS- length 5 12 ps
CARS311 AS+/AS- skew 1 ps
CARS312 AT length(6) 75 ps
CARS313 AT skew(7) 14 ps
CARS314 AT skew(8) 1 ps
CARS315 CK/ADDR_CTRL trace length 1020 ps
CARS316 Vias per trace 3(1) vias
CARS317 Via count difference 1(15) vias
CARS318 Center-to-center CK to other DDR3 trace spacing(9) 4w
CARS319 Center-to-center ADDR_CTRL to other DDR3 trace spacing(9)(10) 4w
CARS320 Center-to-center ADDR_CTRL to other ADDR_CTRL trace spacing(9) 3w
CARS321 CK center-to-center spacing(11)(12)
CARS322 CK spacing to other net(9) 4w
CARS323 Rcp(13) Zo-1 Zo Zo+1 Ω
CARS324 Rtt(13)(14) Zo-5 Zo Zo+5 Ω
  1. Max value is based upon conservative signal integrity approach. This value could be extended only if detailed signal integrity analysis of rise time and fall time confirms desired operation.
  2. The use of vias should be minimized.
  3. Additional bypass capacitors are required when using the DDR_1V5 plane as the reference plane to allow the return current to jump between the DDR_1V5 plane and the ground plane when the net class switches layers at a via.
  4. Non-mirrored configuration (all DDR3 memories on same side of PCB).
  5. Mirrored configuration (one DDR3 device on top of the board and one DDR3 device on the bottom).
  6. While this length can be increased for convenience, its length should be minimized.
  7. ADDR_CTRL net class only (not CK net class). Minimizing this skew is recommended, but not required.
  8. CK net class only.
  9. Center-to-center spacing is allowed to fall to minimum (2w) for up to 1250 mils of routed length.
  10. The ADDR_CTRL net class of the other DDR EMIF is considered other DDR3 trace spacing.
  11. CK spacing set to ensure proper differential impedance.
  12. The most important thing to do is control the impedance so inadvertent impedance mismatches are not created. Generally speaking, center-to-center spacing should be either 2w or slightly larger than 2w to achieve a differential impedance equal to twice the singleended impedance, Zo.
  13. Source termination (series resistor at driver) is specifically not allowed.
  14. Termination values should be uniform across the net class.
  15. Via count difference may increase by 1 only if accurate 3-D modeling of the signal flight times – including accurately modeled signal propagation through vias – has been applied to ensure all segment skew maximums are not exceeded.