ZHCSI19F April   2010  – April 2018 DLPC200

PRODUCTION DATA.  

  1. 特性
  2. 应用
  3. 说明
  4. 修订历史记录
  5. Pin Configuration and Functions
    1.     Pin Functions
    2.     Power and Ground Pins
  6. Specifications
    1. 6.1  Absolute Maximum Ratings
    2. 6.2  Handling Ratings
    3. 6.3  Recommended Operating Conditions
    4. 6.4  Thermal Information
    5. 6.5  I/O Electrical Characteristics
    6. 6.6  Video Input Pixel Interface Timing Requirements
    7. 6.7  I2C Interface Timing Requirements
    8. 6.8  USB Read Interface Timing Requirements
    9. 6.9  USB Write Interface Timing Requirements
    10. 6.10 SPI Slave Interface Timing Requirements
    11. 6.11 Parallel Flash Interface Timing Requirements
    12. 6.12 Serial Flash Interface Timing Requirements
    13. 6.13 Static RAM Interface Timing Requirements
    14. 6.14 DMD Interface Timing Requirements
    15. 6.15 DLPA200 Interface Timing Requirements
    16. 6.16 DDR2 SDR Memory Interface Timing Requirements
    17. 6.17 Video Input Pixel Interface – Image Sync and Blanking Requirements
  7. Detailed Description
    1. 7.1 Overview
    2. 7.2 Functional Block Diagram
    3. 7.3 Feature Description
      1. 7.3.1 Frame Rates
    4. 7.4 Device Functional Modes
      1. 7.4.1 Video Modes
      2. 7.4.2 Structured Light Modes
        1. 7.4.2.1 Static Image Buffer Mode
        2. 7.4.2.2 Real Time Structured Light Mode
  8. Application and Implementation
    1. 8.1 Application Information
    2. 8.2 Typical Application
      1. 8.2.1 Design Requirements
      2. 8.2.2 Detailed Design Procedure
        1. 8.2.2.1 DLPC200 System Interfaces
          1. 8.2.2.1.1  DLPC200 Master, I2C Interface for EDID Programming
          2. 8.2.2.1.2  USB Interface
          3. 8.2.2.1.3  Bus Protocol
          4. 8.2.2.1.4  SPI Slave Interface
          5. 8.2.2.1.5  Parallel Flash Memory Interface
          6. 8.2.2.1.6  Serial Flash Memory Interface
          7. 8.2.2.1.7  SRAM Interface
          8. 8.2.2.1.8  DDR2 SDR Memory Interface
          9. 8.2.2.1.9  Projector Image and Control Port Signals
          10. 8.2.2.1.10 SDRAM Memory
      3. 8.2.3 Application Curve
  9. Power Supply Recommendations
    1. 9.1 Power-Up Requirements
    2. 9.2 Power-Down Requirements
  10. 10Layout
    1. 10.1 Layout Guidelines
      1. 10.1.1 Impedance Requirements
      2. 10.1.2 PCB Signal Routing
      3. 10.1.3 Fiducials
    2. 10.2 Layout Example
    3. 10.3 Thermal Considerations
      1. 10.3.1 Heat Sink
  11. 11器件和文档支持
    1. 11.1 器件支持
      1. 11.1.1 Third-Party Products Disclaimer
      2. 11.1.2 器件标记
    2. 11.2 文档支持
    3. 11.3 接收文档更新通知
    4. 11.4 社区资源
    5. 11.5 商标
    6. 11.6 静电放电警告
    7. 11.7 Glossary
  12. 12机械、封装和可订购信息

封装选项

机械数据 (封装 | 引脚)
散热焊盘机械数据 (封装 | 引脚)
订购信息

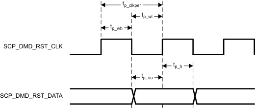
DLPA200 Interface Timing Requirements

The DLPC200 interface to the DLPA200 consists of a 125 kHz (nominal) serial communications port (SCP).
PARAMETER MIN TYP MAX UNIT
ƒclock Clock frequency 125 125 kHz
tp_clkper Clock period 8 us
tp_wh Pulse duration low 4 us
tp_wl Pulse duration high 4 us
tp_su SCPDI setup time 7.3 ns
tp_h SCPDI hold time 5.7 ns
DLPC200 DAD_IF_LPS014.gifFigure 10. DLPA200 I/F Timing