ZHCSDC3E June   2014  – January 2019 AM4372 , AM4376 , AM4377 , AM4378 , AM4379

PRODUCTION DATA.  

  1. 1器件概述
    1. 1.1 特性
    2. 1.2 应用
    3. 1.3 说明
    4. 1.4 功能方框图
  2. 2修订历史记录
  3. 3Device Comparison
    1. 3.1 Related Products
  4. 4Terminal Configuration and Functions
    1. 4.1 Pin Diagrams
      1. Table 4-1 ZDN Ball Map [Section Top Left - Top View]
      2. Table 4-2 ZDN Ball Map [Section Top Middle - Top View]
      3. Table 4-3 ZDN Ball Map [Section Top Right - Top View]
      4. Table 4-4 ZDN Ball Map [Section Middle Left - Top View]
      5. Table 4-5 ZDN Ball Map [Section Middle Middle - Top View]
      6. Table 4-6 ZDN Ball Map [Section Middle Right - Top View]
      7. Table 4-7 ZDN Ball Map [Section Bottom Left - Top View]
      8. Table 4-8 ZDN Ball Map [Section Bottom Middle - Top View]
      9. Table 4-9 ZDN Ball Map [Section Bottom Right - Top View]
    2. 4.2 Pin Attributes
    3. 4.3 Signal Descriptions
      1. 4.3.1  ADC Interfaces
      2. 4.3.2  CAN Interfaces
      3. 4.3.3  Camera (VPFE) Interfaces
      4. 4.3.4  Debug Subsystem Interface
      5. 4.3.5  Display Subsystem (DSS) Interface
      6. 4.3.6  Ethernet (GEMAC_CPSW) Interfaces
      7. 4.3.7  External Memory Interfaces
      8. 4.3.8  General Purpose IOs
      9. 4.3.9  HDQ Interface
      10. 4.3.10 I2C Interfaces
      11. 4.3.11 McASP Interfaces
      12. 4.3.12 Miscellaneous
      13. 4.3.13 PRU-ICSS0 Interface
      14. 4.3.14 PRU-ICSS1 Interface
      15. 4.3.15 QSPI Interface
      16. 4.3.16 RTC Subsystem Interface
      17. 4.3.17 Removable Media Interfaces
      18. 4.3.18 SPI Interfaces
      19. 4.3.19 Timer Interfaces
      20. 4.3.20 UART Interfaces
      21. 4.3.21 USB Interfaces
      22. 4.3.22 eCAP Interfaces
      23. 4.3.23 eHRPWM Interfaces
      24. 4.3.24 eQEP Interfaces
  5. 5Specifications
    1. 5.1  Absolute Maximum Ratings
    2. 5.2  ESD Ratings
    3. 5.3  Power-On Hours (POH)
    4. 5.4  Operating Performance Points
    5. 5.5  Recommended Operating Conditions
    6. 5.6  Power Consumption Summary
    7. 5.7  DC Electrical Characteristics
    8. 5.8  ADC0: Touch Screen Controller and Analog-to-Digital Subsystem Electrical Parameters
    9. 5.9  VPP Specifications for One-Time Programmable (OTP) eFuses
      1. Table 5-6 Recommended Operating Conditions for OTP eFuse Programming
      2. 5.9.1     Hardware Requirements
      3. 5.9.2     Programming Sequence
      4. 5.9.3     Impact to Your Hardware Warranty
    10. 5.10 Thermal Resistance Characteristics
      1. Table 5-7 Thermal Resistance Characteristics (NFBGA Package) [ZDN]
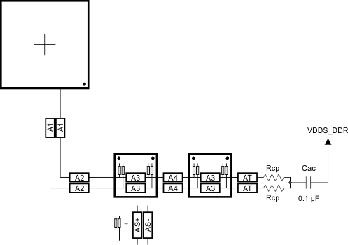
    11. 5.11 External Capacitors
      1. 5.11.1 Voltage Decoupling Capacitors
        1. 5.11.1.1 Core Voltage Decoupling Capacitors
        2. 5.11.1.2 IO and Analog Voltage Decoupling Capacitors
      2. 5.11.2 Output Capacitors
    12. 5.12 Timing and Switching Characteristics
      1. 5.12.1  Power Supply Sequencing
        1. 5.12.1.1 Power Supply Slew Rate Requirement
        2. 5.12.1.2 Power-Up Sequencing
        3. 5.12.1.3 Power-Down Sequencing
      2. 5.12.2  Clock
        1. 5.12.2.1 PLLs
          1. 5.12.2.1.1 Digital Phase-Locked Loop Power Supply Requirements
        2. 5.12.2.2 Input Clock Specifications
        3. 5.12.2.3 Input Clock Requirements
          1. 5.12.2.3.1 OSC0 Internal Oscillator Clock Source
            1. Table 5-12 OSC0 Crystal Circuit Requirements
            2. Table 5-13 OSC0 Crystal Circuit Characteristics
          2. 5.12.2.3.2 OSC0 LVCMOS Digital Clock Source
          3. 5.12.2.3.3 OSC1 Internal Oscillator Clock Source
            1. Table 5-15 OSC1 Crystal Circuit Requirements
            2. Table 5-16 OSC1 Crystal Circuit Characteristics
          4. 5.12.2.3.4 OSC1 LVCMOS Digital Clock Source
          5. 5.12.2.3.5 OSC1 Not Used
        4. 5.12.2.4 Output Clock Specifications
        5. 5.12.2.5 Output Clock Characteristics
          1. 5.12.2.5.1 CLKOUT1
          2. 5.12.2.5.2 CLKOUT2
      3. 5.12.3  Timing Parameters and Board Routing Analysis
      4. 5.12.4  Recommended Clock and Control Signal Transition Behavior
      5. 5.12.5  Controller Area Network (CAN)
        1. 5.12.5.1 DCAN Electrical Data and Timing
          1. Table 5-18 Timing Requirements for DCANx Receive
          2. Table 5-19 Switching Characteristics for DCANx Transmit
      6. 5.12.6  DMTimer
        1. 5.12.6.1 DMTimer Electrical Data and Timing
          1. Table 5-20 Timing Requirements for DMTimer [1-11]
          2. Table 5-21 Switching Characteristics for DMTimer [4-7]
      7. 5.12.7  Ethernet Media Access Controller (EMAC) and Switch
        1. 5.12.7.1 Ethernet MAC and Switch Electrical Data and Timing
          1. Table 5-22 Ethernet MAC and Switch Timing Conditions
          2. 5.12.7.1.1 Ethernet MAC/Switch MDIO Electrical Data and Timing
            1. Table 5-23 Timing Requirements for MDIO_DATA
            2. Table 5-24 Switching Characteristics for MDIO_CLK
            3. Table 5-25 MDIO Switching Characteristics - MDIO_DATA
          3. 5.12.7.1.2 Ethernet MAC and Switch MII Electrical Data and Timing
            1. Table 5-26 Timing Requirements for GMII[x]_RXCLK - MII Mode
            2. Table 5-27 Timing Requirements for GMII[x]_TXCLK - MII Mode
            3. Table 5-28 Timing Requirements for GMII[x]_RXD[3:0], GMII[x]_RXDV, and GMII[x]_RXER - MII Mode
            4. Table 5-29 Switching Characteristics for GMII[x]_TXD[3:0], and GMII[x]_TXEN - MII Mode
          4. 5.12.7.1.3 Ethernet MAC and Switch RMII Electrical Data and Timing
            1. Table 5-30 Timing Requirements for RMII[x]_REFCLK - RMII Mode
            2. Table 5-31 Timing Requirements for RMII[x]_RXD[1:0], RMII[x]_CRS_DV, and RMII[x]_RXER - RMII Mode
            3. Table 5-32 Switching Characteristics for RMII[x]_TXD[1:0], and RMII[x]_TXEN - RMII Mode
          5. 5.12.7.1.4 Ethernet MAC and Switch RGMII Electrical Data and Timing
            1. Table 5-33 Timing Requirements for RGMII[x]_RCLK - RGMII Mode
            2. Table 5-34 Timing Requirements for RGMII[x]_RD[3:0], and RGMII[x]_RCTL - RGMII Mode
            3. Table 5-35 Switching Characteristics for RGMII[x]_TCLK - RGMII Mode
            4. Table 5-36 Switching Characteristics for RGMII[x]_TD[3:0], and RGMII[x]_TCTL - RGMII Mode
      8. 5.12.8  External Memory Interfaces
        1. 5.12.8.1 General-Purpose Memory Controller (GPMC)
          1. 5.12.8.1.1 GPMC and NOR Flash—Synchronous Mode
            1. Table 5-37 GPMC and NOR Flash Timing Conditions—Synchronous Mode
            2. Table 5-38 GPMC and NOR Flash Timing Requirements—Synchronous Mode
            3. Table 5-39 GPMC and NOR Flash Switching Characteristics—Synchronous Mode
          2. 5.12.8.1.2 GPMC and NOR Flash—Asynchronous Mode
            1. Table 5-40 GPMC and NOR Flash Timing Conditions—Asynchronous Mode
            2. Table 5-41 GPMC and NOR Flash Internal Timing Parameters—Asynchronous Mode
            3. Table 5-42 GPMC and NOR Flash Timing Requirements—Asynchronous Mode
            4. Table 5-43 GPMC and NOR Flash Switching Characteristics—Asynchronous Mode
          3. 5.12.8.1.3 GPMC and NAND Flash—Asynchronous Mode
            1. Table 5-44 GPMC and NAND Flash Timing Conditions—Asynchronous Mode
            2. Table 5-45 GPMC and NAND Flash Internal Timing Parameters—Asynchronous Mode
            3. Table 5-46 GPMC and NAND Flash Timing Requirements—Asynchronous Mode
            4. Table 5-47 GPMC and NAND Flash Switching Characteristics—Asynchronous Mode
        2. 5.12.8.2 Memory Interface
          1. 5.12.8.2.1 DDR3 and DDR3L Routing Guidelines
            1. 5.12.8.2.1.1 Board Designs
            2. 5.12.8.2.1.2 DDR3 Device Combinations
            3. 5.12.8.2.1.3 DDR3 Interface
              1. 5.12.8.2.1.3.1  DDR3 Interface Schematic
              2. 5.12.8.2.1.3.2  Compatible JEDEC DDR3 Devices
              3. 5.12.8.2.1.3.3  DDR3 PCB Stackup
              4. 5.12.8.2.1.3.4  DDR3 Placement
              5. 5.12.8.2.1.3.5  DDR3 Keepout Region
              6. 5.12.8.2.1.3.6  DDR3 Bulk Bypass Capacitors
              7. 5.12.8.2.1.3.7  DDR3 High-Speed Bypass Capacitors
                1. 5.12.8.2.1.3.7.1 Return Current Bypass Capacitors
              8. 5.12.8.2.1.3.8  DDR3 Net Classes
              9. 5.12.8.2.1.3.9  DDR3 Signal Termination
              10. 5.12.8.2.1.3.10 DDR3 DDR_VREF Routing
              11. 5.12.8.2.1.3.11 DDR3 VTT
            4. 5.12.8.2.1.4 DDR3 CK and ADDR_CTRL Topologies and Routing Definition
              1. 5.12.8.2.1.4.1 Using Two DDR3 Devices (x8 or x16)
                1. 5.12.8.2.1.4.1.1 CK and ADDR_CTRL Topologies, Two DDR3 Devices
                2. 5.12.8.2.1.4.1.2 CK and ADDR_CTRL Routing, Two DDR3 Devices
              2. 5.12.8.2.1.4.2 Using Four 8-Bit DDR3 Devices
                1. 5.12.8.2.1.4.2.1 CK and ADDR_CTRL Topologies, Four DDR3 Devices
                2. 5.12.8.2.1.4.2.2 CK and ADDR_CTRL Routing, Four DDR3 Devices
              3. 5.12.8.2.1.4.3 One 16-Bit DDR3 Device
                1. 5.12.8.2.1.4.3.1 CK and ADDR_CTRL Topologies, One DDR3 Device
                2. 5.12.8.2.1.4.3.2 CK and ADDR_CTRL Routing, One DDR3 Device
            5. 5.12.8.2.1.5 Data Topologies and Routing Definition
              1. 5.12.8.2.1.5.1 DQS[x] and DQ[x] Topologies, Any Number of Allowed DDR3 Devices
              2. 5.12.8.2.1.5.2 DQS[x] and DQ[x] Routing, Any Number of Allowed DDR3 Devices
            6. 5.12.8.2.1.6 Routing Specification
              1. 5.12.8.2.1.6.1 CK and ADDR_CTRL Routing Specification
              2. 5.12.8.2.1.6.2 DQS[x] and DQ[x] Routing Specification
          2. 5.12.8.2.2 LPDDR2 Routing Guidelines
            1. 5.12.8.2.2.1 LPDDR2 Board Designs
            2. 5.12.8.2.2.2 LPDDR2 Device Configurations
            3. 5.12.8.2.2.3 LPDDR2 Interface
              1. 5.12.8.2.2.3.1 LPDDR2 Interface Schematic
              2. 5.12.8.2.2.3.2 Compatible JEDEC LPDDR2 Devices
              3. 5.12.8.2.2.3.3 LPDDR2 PCB Stackup
              4. 5.12.8.2.2.3.4 LPDDR2 Placement
              5. 5.12.8.2.2.3.5 LPDDR2 Keepout Region
              6. 5.12.8.2.2.3.6 LPDDR2 Net Classes
              7. 5.12.8.2.2.3.7 LPDDR2 Signal Termination
              8. 5.12.8.2.2.3.8 LPDDR2 DDR_VREF Routing
            4. 5.12.8.2.2.4 Routing Specification
              1. 5.12.8.2.2.4.1 DQS[x] and DQ[x] Routing Specification
              2. 5.12.8.2.2.4.2 CK and ADDR_CTRL Routing Specification
      9. 5.12.9  Display Subsystem (DSS)
        1. 5.12.9.1 DSS—Parallel Interface
          1. 5.12.9.1.1 DSS—Parallel Interface—Bypass Mode
            1. 5.12.9.1.1.1 DSS—Parallel Interface—Bypass Mode—TFT Mode
            2. 5.12.9.1.1.2 DSS—Parallel Interface—Bypass Mode—STN Mode
          2. 5.12.9.1.2 DSS—Parallel Interface—RFBI Mode—Applications
            1. 5.12.9.1.2.1 DSS—Parallel Interface—RFBI Mode—MIPI DBI 2.0—LCD Panel
            2. 5.12.9.1.2.2 DSS—Parallel Interface—RFBI Mode—Pico DLP
      10. 5.12.10 Camera (VPFE)
        1. 5.12.10.1 Camera (VPFE) Timing
          1. Table 5-80 VPFE Timing Requirements
          2. Table 5-81 VPFE Output Switching Characteristics
      11. 5.12.11 Inter-Integrated Circuit (I2C)
        1. 5.12.11.1 I2C Electrical Data and Timing
          1. Table 5-82 I2C Timing Conditions - Slave Mode
          2. Table 5-83 Timing Requirements for I2C Input Timings
          3. Table 5-84 Switching Characteristics for I2C Output Timings
      12. 5.12.12 Multichannel Audio Serial Port (McASP)
        1. 5.12.12.1 McASP Device-Specific Information
        2. 5.12.12.2 McASP Electrical Data and Timing
          1. Table 5-85 McASP Timing Conditions
          2. Table 5-86 Timing Requirements for McASP
          3. Table 5-87 Switching Characteristics for McASP
      13. 5.12.13 Multichannel Serial Port Interface (McSPI)
        1. 5.12.13.1 McSPI Electrical Data and Timing
          1. 5.12.13.1.1 McSPI—Slave Mode
            1. Table 5-88 McSPI Timing Conditions—Slave Mode
            2. Table 5-89 Timing Requirements for McSPI Input Timings—Slave Mode
            3. Table 5-90 Switching Characteristics for McSPI Output Timings—Slave Mode
          2. 5.12.13.1.2 McSPI—Master Mode
            1. Table 5-91 McSPI Timing Conditions—Master Mode
            2. Table 5-92 Timing Requirements for McSPI Input Timings—Master Mode
            3. Table 5-93 Switching Characteristics for McSPI Output Timings—Master Mode
      14. 5.12.14 Quad Serial Port Interface (QSPI)
        1. Table 5-94 QSPI Switching Characteristics
      15. 5.12.15 HDQ/1-Wire Interface (HDQ/1-Wire)
        1. 5.12.15.1 HDQ Protocol
        2. 5.12.15.2 1-Wire Protocol
      16. 5.12.16 Programmable Real-Time Unit Subsystem and Industrial Communication Subsystem (PRU-ICSS)
        1. 5.12.16.1 Programmable Real-Time Unit (PRU-ICSS PRU)
          1. Table 5-99  PRU-ICSS PRU Timing Conditions
          2. 5.12.16.1.1 PRU-ICSS PRU Direct Input/Output Mode Electrical Data and Timing
            1. Table 5-100 PRU-ICSS PRU Timing Requirements - Direct Input Mode
            2. Table 5-101 PRU-ICSS PRU Switching Requirements - Direct Output Mode
          3. 5.12.16.1.2 PRU-ICSS PRU Parallel Capture Mode Electrical Data and Timing
            1. Table 5-102 PRU-ICSS PRU Timing Requirements - Parallel Capture Mode
          4. 5.12.16.1.3 PRU-ICSS PRU Shift Mode Electrical Data and Timing
            1. Table 5-103 PRU-ICSS PRU Timing Requirements - Shift In Mode
            2. Table 5-104 PRU-ICSS PRU Switching Requirements - Shift Out Mode
          5. 5.12.16.1.4 PRU-ICSS Sigma Delta Electrical Data and Timing
            1. Table 5-105 PRU-ICSS Timing Requirements - Sigma Delta Mode
          6. 5.12.16.1.5 PRU-ICSS ENDAT Electrical Data and Timing
            1. Table 5-106 PRU-ICSS Timing Requirements - ENDAT Mode
            2. Table 5-107 PRU-ICSS Switching Requirements - ENDAT Mode
        2. 5.12.16.2 PRU-ICSS EtherCAT (PRU-ICSS ECAT)
          1. Table 5-108 PRU-ICSS ECAT Timing Conditions
          2. 5.12.16.2.1 PRU-ICSS ECAT Electrical Data and Timing
            1. Table 5-109 PRU-ICSS ECAT Timing Requirements - Input Validated With LATCH_IN
            2. Table 5-110 PRU-ICSS ECAT Timing Requirements - Input Validated With SYNCx
            3. Table 5-111 PRU-ICSS ECAT Timing Requirements - Input Validated With Start of Frame (SOF)
            4. Table 5-112 PRU-ICSS ECAT Timing Requirements - LATCHx_IN
            5. Table 5-113 PRU-ICSS ECAT Switching Requirements - Digital IOs
        3. 5.12.16.3 PRU-ICSS MII_RT and Switch
          1. Table 5-114 PRU-ICSS MII_RT Switch Timing Conditions
          2. 5.12.16.3.1 PRU-ICSS MDIO Electrical Data and Timing
            1. Table 5-115 PRU-ICSS MDIO Timing Requirements - MDIO_DATA
            2. Table 5-116 PRU-ICSS MDIO Switching Characteristics - MDIO_CLK
            3. Table 5-117 PRU-ICSS MDIO Switching Characteristics - MDIO_DATA
          3. 5.12.16.3.2 PRU-ICSS MII_RT Electrical Data and Timing
            1. Table 5-118 PRU-ICSS MII_RT Timing Requirements - MII_RXCLK
            2. Table 5-119 PRU-ICSS MII_RT Timing Requirements - MII[x]_TXCLK
            3. Table 5-120 PRU-ICSS MII_RT Timing Requirements - MII_RXD[3:0], MII_RXDV, and MII_RXER
            4. Table 5-121 PRU-ICSS MII_RT Switching Characteristics - MII_TXD[3:0] and MII_TXEN
        4. 5.12.16.4 PRU-ICSS Universal Asynchronous Receiver Transmitter (PRU-ICSS UART)
          1. Table 5-122 Timing Requirements for PRU-ICSS UART Receive
          2. Table 5-123 Switching Characteristics Over Recommended Operating Conditions for PRU-ICSS UART Transmit
      17. 5.12.17 Multimedia Card (MMC) Interface
        1. 5.12.17.1 MMC Electrical Data and Timing
          1. Table 5-124 MMC Timing Conditions
          2. Table 5-125 Timing Requirements for MMC[0]_CMD and MMC[0]_DAT[7:0]
          3. Table 5-126 Timing Requirements for MMC[1/2]_CMD and MMC[1/2]_DAT[7:0]
          4. Table 5-127 Switching Characteristics for MMC[x]_CLK
          5. Table 5-128 Switching Characteristics for MMC[x]_CMD and MMC[x]_DAT[7:0]—HSPE=0
          6. Table 5-129 Switching Characteristics for MMC[x]_CMD and MMC[x]_DAT[7:0]—HSPE=1
      18. 5.12.18 Universal Asynchronous Receiver/Transmitter (UART)
        1. 5.12.18.1 UART Electrical Data and Timing
          1. Table 5-130 Timing Requirements for UARTx Receive
          2. Table 5-131 for UARTx Transmit
        2. 5.12.18.2 UART IrDA Interface
    13. 5.13 Emulation and Debug
      1. 5.13.1 IEEE 1149.1 JTAG
        1. 5.13.1.1 JTAG Electrical Data and Timing
          1. Table 5-134 Timing Requirements for JTAG
          2. Table 5-135 Switching Characteristics for JTAG
  6. 6Device and Documentation Support
    1. 6.1 Device Nomenclature
    2. 6.2 Tools and Software
    3. 6.3 Documentation Support
    4. 6.4 Related Links
    5. 6.5 Community Resources
    6. 6.6 商标
    7. 6.7 静电放电警告
    8. 6.8 Glossary
  7. 7Mechanical, Packaging, and Orderable Information
    1. 7.1 Via Channel
    2. 7.2 Packaging Information

封装选项

请参考 PDF 数据表获取器件具体的封装图。

机械数据 (封装 | 引脚)
  • ZDN|491
散热焊盘机械数据 (封装 | 引脚)
订购信息

CK and ADDR_CTRL Routing, Four DDR3 Devices

Figure 5-64 shows the CK routing for four DDR3 devices placed on the same side of the PCB. Figure 5-65 shows the corresponding ADDR_CTRL routing.

AM4372 AM4376 AM4377 AM4378 AM4379 ck_routing_4_single_sprs851.gif

NOTE:

For routing definitions, see Table 5-58, CK and ADDR_CTRL Routing Specification.
Figure 5-64 CK Routing for Four Single-Side DDR3 Devices
AM4372 AM4376 AM4377 AM4378 AM4379 addr_ctrl_routing_4_single_sprs614.gif

NOTE:

For routing definitions, see Table 5-58, CK and ADDR_CTRL Routing Specification.
Figure 5-65 ADDR_CTRL Routing for Four Single-Side DDR3 Devices

To save PCB space, the four DDR3 memories may be mounted as a mirrored pair at a cost of increased routing and assembly complexity. Figure 5-66 and Figure 5-67 show the routing for CK and ADDR_CTRL, respectively, for four DDR3 devices mirrored in a single-pair configuration.

AM4372 AM4376 AM4377 AM4378 AM4379 ck_routing_4_mirror_851.gifFigure 5-66 CK Routing for Four Mirrored DDR3 Devices
AM4372 AM4376 AM4377 AM4378 AM4379 addr_ctrl_routing_4_mirror_sprs614.gifFigure 5-67 ADDR_CTRL Routing for Four Mirrored DDR3 Devices