ZHCUC05A November   2022  – May 2024 AFE7900 , AFE7901 , AFE7903 , AFE7906 , AFE7920 , AFE7921 , AFE7950 , AFE7950-SP , AFE7951 , AFE7953 , AFE7954 , AFE7955 , AFE7958

 

  1.   1
  2.   摘要
  3.   商标
  4. 引言
  5. 先决条件
  6. 典型裸机设计流程
  7. 背景
  8. 添加 Microblaze 和 SPI IP 以便在 Vitis 中用于嵌入式开发
  9. 在 Vitis 中创建新平台
  10. 在 Vitis 中新建应用工程
  11. 构建应用工程
  12. 为 AFE79xx EVM 生成 SPI 日志
    1. 9.1 生成 LMK SPI 日志
    2. 9.2 生成 AFE SPI 日志
    3. 9.3 将 SPI 日志转换为 Vitis 的格式
  13. 10AFE79xxEVM 板修改
  14. 11配置 AXI GPIO
    1. 11.1 初始化 GPIO
    2. 11.2 设置方向
    3. 11.3 针对相应的位设置为高电平或低电平
  15. 12配置 AXI SPI
  16. 13设置硬件和为硬件加电
  17. 14为 VADJ_FMC 设置 ZCU102 电路板接口
  18. 15调试应用工程并设置 Vitis 串行终端
  19. 16执行应用
  20. 17修订历史记录

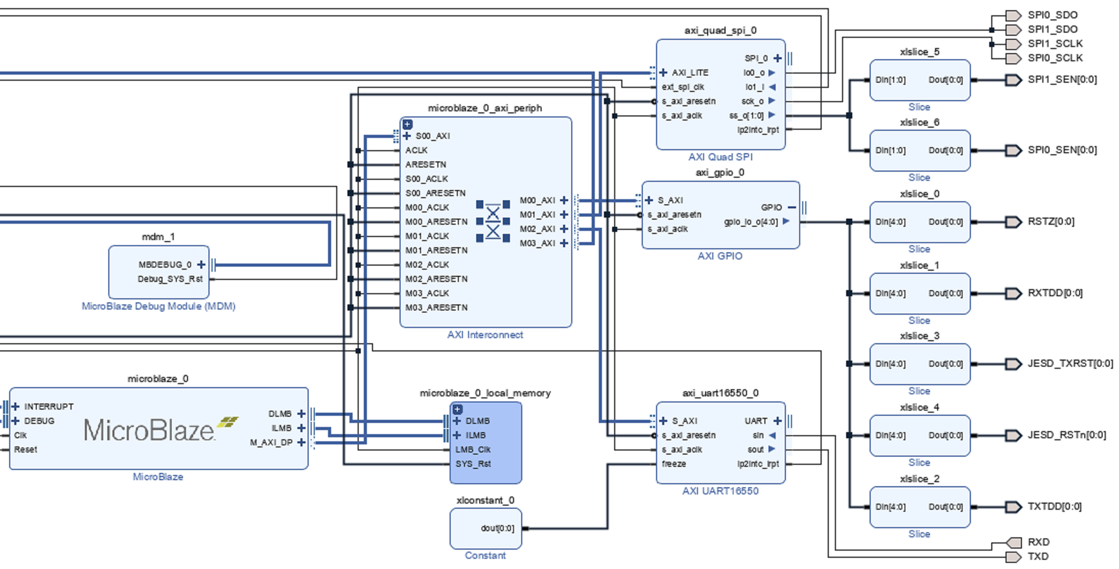
背景

此示例使用了软核 Microblaze,因为 Microblaze 可以在大多数 Xilinx FPGA 系列中实例化。SPI、UART 和 GPIO AXI 块在频率相对较低的 AXI 时钟上运行。如图 4-1 所示,AXI 外设由 Microblaze 块通过智能互连进行控制。

AFE7920 采用 Microblaze 和 AXI 外设的典型块设计图 4-1 采用 Microblaze 和 AXI 外设的典型块设计

Microblaze 的 HP 端口驱动 AXI 外设块设计。100MHz 差分时钟源需要为整个 IP 提供时钟。此示例使用 100MHz 差分时钟源,因为该时钟在大多数 FPGA EVM 中通常作为“用户时钟”提供。所有其他时钟频率通过时钟向导在内部生成。根据系统中所需的独立 SPI 总线数量,可将更多 AXI SPI IP 添加到块设计中。