ZHCUAR2B July   2017  – February 2023 ADS8331 , ADS8332

 

  1.   ADS8332EVMV2-PDK 用户指南
  2.   商标
  3. 1概述
    1. 1.1 ADS8332EVMV2-PDK 特性
    2. 1.2 ADS8332EVMV2 特性
  4. 2EVM 模拟接口
    1. 2.1 ADS8332EVMV2 板载基准
  5. 3数字接口
    1. 3.1 ADS8332 数字接口
  6. 4电源
  7. 5ADS8332EVMV2-PDK 初始设置
    1. 5.1 默认跳线设置
    2. 5.2 EVM 图形用户界面 (GUI) 软件安装
  8. 6ADS8332EVMV2-PDK 操作
    1. 6.1 用于 ADC 控制的 EVM GUI 全局设置
    2. 6.2 时域显示工具
    3. 6.3 频谱分析工具
    4. 6.4 直方图工具
    5. 6.5 线性分析工具
    6. 6.6 输入放大器配置
  9. 7物料清单、PCB 布局和原理图
    1. 7.1 物料清单
    2. 7.2 PCB 布局
    3. 7.3 原理图
  10. 8修订历史记录

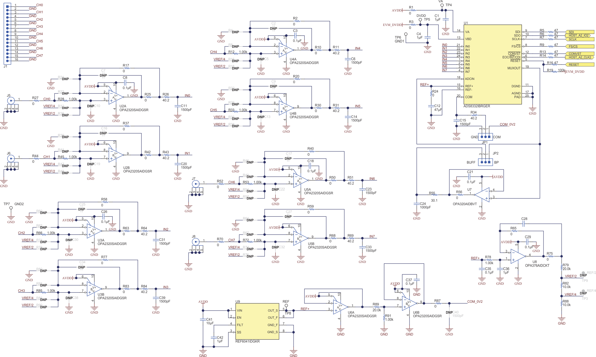
原理图

#SBAU2781060#T4567697-3 展示了 EVM 原理图。

GUID-09F1F023-26D5-428D-B1AE-0A8762FB6768-low.gif图 7-7 ADS8332EVMV2-PDK 原理图:ADC
GUID-96E0F629-E0D2-49C1-AF31-4CE5EC26FCAC-low.gif图 7-8 ADS8332EVMV2-PDK 原理图:接口
GUID-26AF6CE9-A0E2-4233-92D1-16D55AB7792C-low.gif图 7-9 ADS8332EVMV2-PDK 原理图:硬件