ZHCUAC5B October   2011  – June 2021 TPS62130 , TPS62131 , TPS62132 , TPS62133 , TPS62140 , TPS62141 , TPS62142 , TPS62143 , TPS62150 , TPS62151 , TPS62152 , TPS62153

 

  1.   TPS62130EVM-505、TPS62140EVM-505 和 TPS62150EVM-505 评估模块
  2.   商标
  3. 1引言
    1. 1.1 背景
    2. 1.2 性能规格
    3. 1.3 更改
      1. 1.3.1 固定输出运行
      2. 1.3.2 输入和输出电容器
      3. 1.3.3 软启动时间
      4. 1.3.4 环路响应测量
  4. 2设置
    1. 2.1 输入/输出连接器说明
    2. 2.2 设置
  5. 3TPS621x0EVM-505 测试结果
  6. 4电路板布局
  7. 5原理图和物料清单
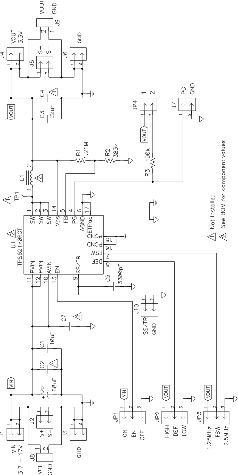
    1. 5.1 原理图
    2. 5.2 物料清单
  8. 6修订历史记录

原理图

GUID-6D49BDCC-1B7B-4C7D-A823-309684A5D700-low.gif图 5-1 TPS621x0EVM-505 原理图