ZHCSGE5A June   2017  – April 2020 ADC12DJ3200

PRODUCTION DATA.  

  1. 特性
    1.     ADC12DJ3200 测量的输入带宽
  2. 应用
  3. 说明
  4. 修订历史记录
  5. Pin Configuration and Functions
    1.     Pin Functions
  6. Specifications
    1. 6.1  Absolute Maximum Ratings
    2. 6.2  ESD Ratings
    3. 6.3  Recommended Operating Conditions
    4. 6.4  Thermal Information
    5. 6.5  Electrical Characteristics - DC Specifications
    6. 6.6  Electrical Characteristics - Power Consumption
    7. 6.7  Electrical Characteristics: AC Specifications (Dual-Channel Mode)
    8. 6.8  Electrical Characteristics: AC Specifications (Single-Channel Mode)
    9. 6.9  Timing Requirements
    10. 6.10 Switching Characteristics
    11. 6.11 Typical Characteristics
  7. Detailed Description
    1. 7.1 Overview
    2. 7.2 Functional Block Diagram
    3. 7.3 Feature Description
      1. 7.3.1 Device Comparison
      2. 7.3.2 Analog Inputs
        1. 7.3.2.1 Analog Input Protection
        2. 7.3.2.2 Full-Scale Voltage (VFS) Adjustment
        3. 7.3.2.3 Analog Input Offset Adjust
      3. 7.3.3 ADC Core
        1. 7.3.3.1 ADC Theory of Operation
        2. 7.3.3.2 ADC Core Calibration
        3. 7.3.3.3 Analog Reference Voltage
        4. 7.3.3.4 ADC Overrange Detection
        5. 7.3.3.5 Code Error Rate (CER)
      4. 7.3.4 Temperature Monitoring Diode
      5. 7.3.5 Timestamp
      6. 7.3.6 Clocking
        1. 7.3.6.1 Noiseless Aperture Delay Adjustment (tAD Adjust)
        2. 7.3.6.2 Aperture Delay Ramp Control (TAD_RAMP)
        3. 7.3.6.3 SYSREF Capture for Multi-Device Synchronization and Deterministic Latency
          1. 7.3.6.3.1 SYSREF Position Detector and Sampling Position Selection (SYSREF Windowing)
          2. 7.3.6.3.2 Automatic SYSREF Calibration
      7. 7.3.7 Digital Down Converters (Dual-Channel Mode Only)
        1. 7.3.7.1 Numerically-Controlled Oscillator and Complex Mixer
          1. 7.3.7.1.1 NCO Fast Frequency Hopping (FFH)
          2. 7.3.7.1.2 NCO Selection
          3. 7.3.7.1.3 Basic NCO Frequency Setting Mode
          4. 7.3.7.1.4 Rational NCO Frequency Setting Mode
          5. 7.3.7.1.5 NCO Phase Offset Setting
          6. 7.3.7.1.6 NCO Phase Synchronization
        2. 7.3.7.2 Decimation Filters
        3. 7.3.7.3 Output Data Format
        4. 7.3.7.4 Decimation Settings
          1. 7.3.7.4.1 Decimation Factor
          2. 7.3.7.4.2 DDC Gain Boost
      8. 7.3.8 JESD204B Interface
        1. 7.3.8.1 Transport Layer
        2. 7.3.8.2 Scrambler
        3. 7.3.8.3 Link Layer
          1. 7.3.8.3.1 Code Group Synchronization (CGS)
          2. 7.3.8.3.2 Initial Lane Alignment Sequence (ILAS)
          3. 7.3.8.3.3 8b, 10b Encoding
          4. 7.3.8.3.4 Frame and Multiframe Monitoring
        4. 7.3.8.4 Physical Layer
          1. 7.3.8.4.1 SerDes Pre-Emphasis
        5. 7.3.8.5 JESD204B Enable
        6. 7.3.8.6 Multi-Device Synchronization and Deterministic Latency
        7. 7.3.8.7 Operation in Subclass 0 Systems
      9. 7.3.9 Alarm Monitoring
        1. 7.3.9.1 NCO Upset Detection
        2. 7.3.9.2 Clock Upset Detection
    4. 7.4 Device Functional Modes
      1. 7.4.1 Dual-Channel Mode
      2. 7.4.2 Single-Channel Mode (DES Mode)
      3. 7.4.3 JESD204B Modes
        1. 7.4.3.1 JESD204B Output Data Formats
        2. 7.4.3.2 Dual DDC and Redundant Data Mode
      4. 7.4.4 Power-Down Modes
      5. 7.4.5 Test Modes
        1. 7.4.5.1 Serializer Test-Mode Details
        2. 7.4.5.2 PRBS Test Modes
        3. 7.4.5.3 Ramp Test Mode
        4. 7.4.5.4 Short and Long Transport Test Mode
          1. 7.4.5.4.1 Short Transport Test Pattern
          2. 7.4.5.4.2 Long Transport Test Pattern
        5. 7.4.5.5 D21.5 Test Mode
        6. 7.4.5.6 K28.5 Test Mode
        7. 7.4.5.7 Repeated ILA Test Mode
        8. 7.4.5.8 Modified RPAT Test Mode
      6. 7.4.6 Calibration Modes and Trimming
        1. 7.4.6.1 Foreground Calibration Mode
        2. 7.4.6.2 Background Calibration Mode
        3. 7.4.6.3 Low-Power Background Calibration (LPBG) Mode
      7. 7.4.7 Offset Calibration
      8. 7.4.8 Trimming
      9. 7.4.9 Offset Filtering
    5. 7.5 Programming
      1. 7.5.1 Using the Serial Interface
        1. 7.5.1.1 SCS
        2. 7.5.1.2 SCLK
        3. 7.5.1.3 SDI
        4. 7.5.1.4 SDO
        5. 7.5.1.5 Streaming Mode
    6. 7.6 Register Maps
      1. 7.6.1 Memory Map
      2. 7.6.2 Register Descriptions
        1. 7.6.2.1  Standard SPI-3.0 (0x000 to 0x00F)
          1. Table 46. Standard SPI-3.0 Registers
          2. 7.6.2.1.1 Configuration A Register (address = 0x000) [reset = 0x30]
            1. Table 47. CONFIG_A Field Descriptions
          3. 7.6.2.1.2 Device Configuration Register (address = 0x002) [reset = 0x00]
            1. Table 48. DEVICE_CONFIG Field Descriptions
          4. 7.6.2.1.3 Chip Type Register (address = 0x003) [reset = 0x03]
            1. Table 49. CHIP_TYPE Field Descriptions
          5. 7.6.2.1.4 Chip ID Register (address = 0x004 to 0x005) [reset = 0x0020]
            1. Table 50. CHIP_ID Field Descriptions
          6. 7.6.2.1.5 Chip Version Register (address = 0x006) [reset = 0x01]
            1. Table 51. CHIP_VERSION Field Descriptions
          7. 7.6.2.1.6 Vendor Identification Register (address = 0x00C to 0x00D) [reset = 0x0451]
            1. Table 52. VENDOR_ID Field Descriptions
        2. 7.6.2.2  User SPI Configuration (0x010 to 0x01F)
          1. 7.6.2.2.1 User SPI Configuration Register (address = 0x010) [reset = 0x00]
            1. Table 54. USR0 Field Descriptions
        3. 7.6.2.3  Miscellaneous Analog Registers (0x020 to 0x047)
          1. 7.6.2.3.1 Clock Control Register 0 (address = 0x029) [reset = 0x00]
            1. Table 56. CLK_CTRL0 Field Descriptions
          2. 7.6.2.3.2 Clock Control Register 1 (address = 0x02A) [reset = 0x00]
            1. Table 57. CLK_CTRL1 Field Descriptions
          3. 7.6.2.3.3 SYSREF Capture Position Register (address = 0x02C-0x02E) [reset = Undefined]
            1. Table 58. SYSREF_POS Field Descriptions
          4. 7.6.2.3.4 INA Full-Scale Range Adjust Register (address = 0x030-0x031) [reset = 0xA000]
            1. Table 59. FS_RANGE_A Field Descriptions
          5. 7.6.2.3.5 INB Full-Scale Range Adjust Register (address = 0x032-0x033) [reset = 0xA000]
            1. Table 60. FS_RANGE_B Field Descriptions
          6. 7.6.2.3.6 Internal Reference Bypass Register (address = 0x038) [reset = 0x00]
            1. Table 61. BG_BYPASS Field Descriptions
          7. 7.6.2.3.7 TMSTP± Control Register (address = 0x03B) [reset = 0x00]
            1. Table 62. TMSTP_CTRL Field Descriptions
        4. 7.6.2.4  Serializer Registers (0x048 to 0x05F)
          1. 7.6.2.4.1 Serializer Pre-Emphasis Control Register (address = 0x048) [reset = 0x00]
            1. Table 64. SER_PE Field Descriptions
        5. 7.6.2.5  Calibration Registers (0x060 to 0x0FF)
          1. 7.6.2.5.1  Input Mux Control Register (address = 0x060) [reset = 0x01]
            1. Table 66. INPUT_MUX Field Descriptions
          2. 7.6.2.5.2  Calibration Enable Register (address = 0x061) [reset = 0x01]
            1. Table 67. CAL_EN Field Descriptions
          3. 7.6.2.5.3  Calibration Configuration 0 Register (address = 0x062) [reset = 0x01]
            1. Table 68. CAL_CFG0 Field Descriptions
          4. 7.6.2.5.4  Calibration Status Register (address = 0x06A) [reset = Undefined]
            1. Table 69. CAL_STATUS Field Descriptions
          5. 7.6.2.5.5  Calibration Pin Configuration Register (address = 0x06B) [reset = 0x00]
            1. Table 70. CAL_PIN_CFG Field Descriptions
          6. 7.6.2.5.6  Calibration Software Trigger Register (address = 0x06C) [reset = 0x01]
            1. Table 71. CAL_SOFT_TRIG Field Descriptions
          7. 7.6.2.5.7  Low-Power Background Calibration Register (address = 0x06E) [reset = 0x88]
            1. Table 72. CAL_LP Field Descriptions
          8. 7.6.2.5.8  Calibration Data Enable Register (address = 0x070) [reset = 0x00]
            1. Table 73. CAL_DATA_EN Field Descriptions
          9. 7.6.2.5.9  Calibration Data Register (address = 0x071) [reset = Undefined]
            1. Table 74. CAL_DATA Field Descriptions
          10. 7.6.2.5.10 Channel A Gain Trim Register (address = 0x07A) [reset = Undefined]
            1. Table 75. GAIN_TRIM_A Field Descriptions
          11. 7.6.2.5.11 Channel B Gain Trim Register (address = 0x07B) [reset = Undefined]
            1. Table 76. GAIN_TRIM_B Field Descriptions
          12. 7.6.2.5.12 Band-Gap Reference Trim Register (address = 0x07C) [reset = Undefined]
            1. Table 77. BG_TRIM Field Descriptions
          13. 7.6.2.5.13 VINA Input Resistor Trim Register (address = 0x07E) [reset = Undefined]
            1. Table 78. RTRIM_A Field Descriptions
          14. 7.6.2.5.14 VINB Input Resistor Trim Register (address = 0x07F) [reset = Undefined]
            1. Table 79. RTRIM_B Field Descriptions
          15. 7.6.2.5.15 Timing Adjust for A-ADC, Single-Channel Mode, Foreground Calibration Register (address = 0x080) [reset = Undefined]
            1. Table 80. TADJ_A_FG90 Field Descriptions
          16. 7.6.2.5.16 Timing Adjust for B-ADC, Single-Channel Mode, Foreground Calibration Register (address = 0x081) [reset = Undefined]
            1. Table 81. TADJ_B_FG0 Field Descriptions
          17. 7.6.2.5.17 Timing Adjust for A-ADC, Single-Channel Mode, Background Calibration Register (address = 0x082) [reset = Undefined]
            1. Table 82. TADJ_B_FG0 Field Descriptions
          18. 7.6.2.5.18 Timing Adjust for C-ADC, Single-Channel Mode, Background Calibration Register (address = 0x083) [reset = Undefined]
            1. Table 83. TADJ_B_FG0 Field Descriptions
          19. 7.6.2.5.19 Timing Adjust for C-ADC, Single-Channel Mode, Background Calibration Register (address = 0x084) [reset = Undefined]
            1. Table 84. TADJ_B_FG0 Field Descriptions
          20. 7.6.2.5.20 Timing Adjust for B-ADC, Single-Channel Mode, Background Calibration Register (address = 0x085) [reset = Undefined]
            1. Table 85. TADJ_B_FG0 Field Descriptions
          21. 7.6.2.5.21 Timing Adjust for A-ADC, Dual-Channel Mode Register (address = 0x086) [reset = Undefined]
            1. Table 86. TADJ_A Field Descriptions
          22. 7.6.2.5.22 Timing Adjust for C-ADC Acting for A-ADC, Dual-Channel Mode Register (address = 0x087) [reset = Undefined]
            1. Table 87. TADJ_CA Field Descriptions
          23. 7.6.2.5.23 Timing Adjust for C-ADC Acting for B-ADC, Dual-Channel Mode Register (address = 0x088) [reset = Undefined]
            1. Table 88. TADJ_CB Field Descriptions
          24. 7.6.2.5.24 Timing Adjust for B-ADC, Dual-Channel Mode Register (address = 0x089) [reset = Undefined]
            1. Table 89. TADJ_B Field Descriptions
          25. 7.6.2.5.25 Offset Adjustment for A-ADC and INA Register (address = 0x08A-0x08B) [reset = Undefined]
            1. Table 90. OADJ_A_INA Field Descriptions
          26. 7.6.2.5.26 Offset Adjustment for A-ADC and INB Register (address = 0x08C-0x08D) [reset = Undefined]
            1. Table 91. OADJ_A_INB Field Descriptions
          27. 7.6.2.5.27 Offset Adjustment for C-ADC and INA Register (address = 0x08E-0x08F) [reset = Undefined]
            1. Table 92. OADJ_C_INA Field Descriptions
          28. 7.6.2.5.28 Offset Adjustment for C-ADC and INB Register (address = 0x090-0x091) [reset = Undefined]
            1. Table 93. OADJ_C_INB Field Descriptions
          29. 7.6.2.5.29 Offset Adjustment for B-ADC and INA Register (address = 0x092-0x093) [reset = Undefined]
            1. Table 94. OADJ_B_INA Field Descriptions
          30. 7.6.2.5.30 Offset Adjustment for B-ADC and INB Register (address = 0x094-0x095) [reset = Undefined]
            1. Table 95. OADJ_B_INB Field Descriptions
          31. 7.6.2.5.31 Offset Filtering Control 0 Register (address = 0x097) [reset = 0x00]
            1. Table 96. OSFILT0 Field Descriptions
          32. 7.6.2.5.32 Offset Filtering Control 1 Register (address = 0x098) [reset = 0x33]
            1. Table 97. OSFILT1 Field Descriptions
        6. 7.6.2.6  ADC Bank Registers (0x100 to 0x15F)
          1. 7.6.2.6.1  Timing Adjustment for Bank 0 (0° Clock) Register (address = 0x102) [reset = Undefined]
            1. Table 99. B0_TIME_0 Field Descriptions
          2. 7.6.2.6.2  Timing Adjustment for Bank 0 (–90° Clock) Register (address = 0x103) [reset = Undefined]
            1. Table 100. B0_TIME_90 Field Descriptions
          3. 7.6.2.6.3  Timing Adjustment for Bank 1 (0° Clock) Register (address = 0x112) [reset = Undefined]
            1. Table 101. B1_TIME_0 Field Descriptions
          4. 7.6.2.6.4  Timing Adjustment for Bank 1 (–90° Clock) Register (address = 0x113) [reset = Undefined]
            1. Table 102. B1_TIME_90 Field Descriptions
          5. 7.6.2.6.5  Timing Adjustment for Bank 2 (0° Clock) Register (address = 0x122) [reset = Undefined]
            1. Table 103. B2_TIME_0 Field Descriptions
          6. 7.6.2.6.6  Timing Adjustment for Bank 2 (–90° Clock) Register (address = 0x123) [reset = Undefined]
            1. Table 104. B2_TIME_90 Field Descriptions
          7. 7.6.2.6.7  Timing Adjustment for Bank 3 (0° Clock) Register (address = 0x132) [reset = Undefined]
            1. Table 105. B3_TIME_0 Field Descriptions
          8. 7.6.2.6.8  Timing Adjustment for Bank 3 (–90° Clock) Register (address = 0x133) [reset = Undefined]
            1. Table 106. B3_TIME_90 Field Descriptions
          9. 7.6.2.6.9  Timing Adjustment for Bank 4 (0° Clock) Register (address = 0x142) [reset = Undefined]
            1. Table 107. B4_TIME_0 Field Descriptions
          10. 7.6.2.6.10 Timing Adjustment for Bank 4 (–90° Clock) Register (address = 0x143) [reset = Undefined]
            1. Table 108. B4_TIME_90 Field Descriptions
          11. 7.6.2.6.11 Timing Adjustment for Bank 5 (0° Clock) Register (address = 0x152) [reset = Undefined]
            1. Table 109. B5_TIME_0 Field Descriptions
          12. 7.6.2.6.12 Timing Adjustment for Bank 5 (–90° Clock) Register (address = 0x153) [reset = Undefined]
            1. Table 110. B5_TIME_90 Field Descriptions
        7. 7.6.2.7  LSB Control Registers (0x160 to 0x1FF)
          1. 7.6.2.7.1 LSB Control Bit Output Register (address = 0x160) [reset = 0x00]
            1. Table 112. ENC_LSB Field Descriptions
        8. 7.6.2.8  JESD204B Registers (0x200 to 0x20F)
          1. 7.6.2.8.1  JESD204B Enable Register (address = 0x200) [reset = 0x01]
            1. Table 114. JESD_EN Field Descriptions
          2. 7.6.2.8.2  JESD204B Mode Register (address = 0x201) [reset = 0x02]
            1. Table 115. JMODE Field Descriptions
          3. 7.6.2.8.3  JESD204B K Parameter Register (address = 0x202) [reset = 0x1F]
            1. Table 116. KM1 Field Descriptions
          4. 7.6.2.8.4  JESD204B Manual SYNC Request Register (address = 0x203) [reset = 0x01]
            1. Table 117. JSYNC_N Field Descriptions
          5. 7.6.2.8.5  JESD204B Control Register (address = 0x204) [reset = 0x02]
            1. Table 118. JCTRL Field Descriptions
          6. 7.6.2.8.6  JESD204B Test Pattern Control Register (address = 0x205) [reset = 0x00]
            1. Table 119. JTEST Field Descriptions
          7. 7.6.2.8.7  JESD204B DID Parameter Register (address = 0x206) [reset = 0x00]
            1. Table 120. DID Field Descriptions
          8. 7.6.2.8.8  JESD204B Frame Character Register (address = 0x207) [reset = 0x00]
            1. Table 121. FCHAR Field Descriptions
          9. 7.6.2.8.9  JESD204B, System Status Register (address = 0x208) [reset = Undefined]
            1. Table 122. JESD_STATUS Field Descriptions
          10. 7.6.2.8.10 JESD204B Channel Power-Down Register (address = 0x209) [reset = 0x00]
            1. Table 123. PD_CH Field Descriptions
          11. 7.6.2.8.11 JESD204B Extra Lane Enable (Link A) Register (address = 0x20A) [reset = 0x00]
            1. Table 124. JESD204B Extra Lane Enable (Link A) Field Descriptions
          12. 7.6.2.8.12 JESD204B Extra Lane Enable (Link B) Register (address = 0x20B) [reset = 0x00]
            1. Table 125. JESD204B Extra Lane Enable (Link B) Field Descriptions
        9. 7.6.2.9  Digital Down Converter Registers (0x210-0x2AF)
          1. 7.6.2.9.1  DDC Configuration Register (address = 0x210) [reset = 0x00]
            1. Table 127. DDC_CFG Field Descriptions
          2. 7.6.2.9.2  Overrange Threshold 0 Register (address = 0x211) [reset = 0xF2]
            1. Table 128. OVR_T0 Field Descriptions
          3. 7.6.2.9.3  Overrange Threshold 1 Register (address = 0x212) [reset = 0xAB]
            1. Table 129. OVR_T1 Field Descriptions
          4. 7.6.2.9.4  Overrange Configuration Register (address = 0x213) [reset = 0x07]
            1. Table 130. OVR_CFG Field Descriptions
          5. 7.6.2.9.5  DDC Configuration Preset Mode Register (address = 0x214) [reset = 0x00]
            1. Table 131. CMODE Field Descriptions
          6. 7.6.2.9.6  DDC Configuration Preset Select Register (address = 0x215) [reset = 0x00]
            1. Table 132. CSEL Field Descriptions
          7. 7.6.2.9.7  Digital Channel Binding Register (address = 0x216) [reset = 0x02]
            1. Table 133. DIG_BIND Field Descriptions
          8. 7.6.2.9.8  Rational NCO Reference Divisor Register (address = 0x217 to 0x218) [reset = 0x0000]
            1. Table 134. NCO_RDIV Field Descriptions
          9. 7.6.2.9.9  NCO Synchronization Register (address = 0x219) [reset = 0x02]
            1. Table 135. NCO_SYNC Field Descriptions
          10. 7.6.2.9.10 NCO Frequency (DDC A or DDC B and Preset x) Register (address = see ) [reset = see ]
            1. Table 136. FREQAx or FREQBx Field Descriptions
          11. 7.6.2.9.11 NCO Phase (DDC A or DDC B and Preset x) Register (address = see ) [reset = see ]
            1. Table 137. PHASEAx or PHASEBx Field Descriptions
        10. 7.6.2.10 Spin Identification Register (address = 0x297) [reset = Undefined]
          1. Table 138. SPIN_ID Field Descriptions
      3. 7.6.3 SYSREF Calibration Registers (0x2B0 to 0x2BF)
        1. 7.6.3.1 SYSREF Calibration Enable Register (address = 0x2B0) [reset = 0x00]
          1. Table 140. SRC_EN Field Descriptions
        2. 7.6.3.2 SYSREF Calibration Configuration Register (address = 0x2B1) [reset = 0x05]
          1. Table 141. SRC_CFG Field Descriptions
        3. 7.6.3.3 SYSREF Calibration Status Register (address = 0x2B2 to 0x2B4) [reset = Undefined]
          1. Table 142. SRC_STATUS Field Descriptions
        4. 7.6.3.4 DEVCLK Aperture Delay Adjustment Register (address = 0x2B5 to 0x2B7) [reset = 0x000000]
          1. Table 143. TAD Field Descriptions
        5. 7.6.3.5 DEVCLK Timing Adjust Ramp Control Register (address = 0x2B8) [reset = 0x00]
          1. Table 144. TAD_RAMP Field Descriptions
      4. 7.6.4 Alarm Registers (0x2C0 to 0x2C2)
        1. 7.6.4.1 Alarm Interrupt Register (address = 0x2C0) [reset = Undefined]
          1. Table 146. ALARM Field Descriptions
        2. 7.6.4.2 Alarm Status Register (address = 0x2C1) [reset = 0x1F]
          1. Table 147. ALM_STATUS Field Descriptions
        3. 7.6.4.3 Alarm Mask Register (address = 0x2C2) [reset = 0x1F]
          1. Table 148. ALM_MASK Field Descriptions
  8. Application and Implementation
    1. 8.1 Application Information
    2. 8.2 Typical Applications
      1. 8.2.1 Wideband RF Sampling Receiver
        1. 8.2.1.1 Design Requirements
          1. 8.2.1.1.1 Input Signal Path
          2. 8.2.1.1.2 Clocking
        2. 8.2.1.2 Detailed Design Procedure
          1. 8.2.1.2.1 Calculating Values of AC-Coupling Capacitors
        3. 8.2.1.3 Application Curves
      2. 8.2.2 Reconfigurable Dual-Channel 2.5-GSPS or Single-Channel 5.0-Gsps Oscilloscope
        1. 8.2.2.1 Design Requirements
          1. 8.2.2.1.1 Input Signal Path
          2. 8.2.2.1.2 Clocking
          3. 8.2.2.1.3 ADC12DJ3200
        2. 8.2.2.2 Application Curves
    3. 8.3 Initialization Set Up
  9. Power Supply Recommendations
    1. 9.1 Power Sequencing
  10. 10Layout
    1. 10.1 Layout Guidelines
    2. 10.2 Layout Example
  11. 11器件和文档支持
    1. 11.1 器件支持
      1. 11.1.1 第三方产品免责声明
      2. 11.1.2 开发支持
    2. 11.2 文档支持
      1. 11.2.1 相关文档
    3. 11.3 接收文档更新通知
    4. 11.4 支持资源
    5. 11.5 商标
    6. 11.6 静电放电警告
    7. 11.7 Glossary
  12. 12机械、封装和可订购信息

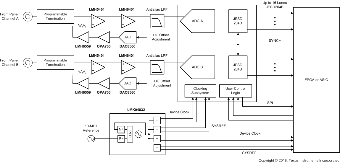
Reconfigurable Dual-Channel 2.5-GSPS or Single-Channel 5.0-Gsps Oscilloscope

This section demonstrates the use of the ADC12DJ3200 in a reconfigurable oscilloscope. The oscilloscope can operate as a dual-channel oscilloscope running at 2.5 GSPS or can be reconfigured through SPI programming as a single-channel, 5-GSPS oscilloscope. This reconfigurable setup allows users to trade off the number of channels and the sampling rate of the oscilloscope as needed without changing the hardware. Set the input bandwidth to the desired maximum signal bandwidth through the use of an antialiasing, low-pass filter. Digital filtering can then be used to reconfigure the analog bandwidth as required. For instance, the maximum bandwidth can be set to 1 GHz for use during pulsed transient detection and then reconfigured to 100 MHz through digital filtering for low-noise, sine-wave observation. Figure 184 shows the application block diagram.

ADC12DJ3200 SLVSD97_Scope_App.gifFigure 184. Typical Configuration for Reconfigurable Oscilloscope