ZHCSD54C October 2014 – February 2023 TDC1000
PRODUCTION DATA
TDC1000 前端中的 LNA 限制以输入为基准的噪声并确保生成的 STOP 脉冲的计时精度。LNA 是一种反相放大器,用于在外部输入电容器或电阻器的帮助下实现 20dB 的闭环增益,并且 LNA 可以针对两种反馈配置进行编程。带通配置称为电容反馈模式,必须与输入电容器结合使用。低通配置称为电阻反馈模式,必须与输入电阻器结合使用。输入元件的建议值分别为 300pF 和 900Ω。
对于谐振频率大约为几 MHz 的换能器,LNA 可配置为电容反馈模式。这是通过将 TOF_1 寄存器中的 LNA_FB 位清零来完成的。如图 8-2 所示,外部电容器 CIN 应放置在换能器和相应的输入引脚之间。这提供了 CIN/CF 的带内增益,其中 CF 是片上 30pF 反馈电容器。假设 CIN = 300pF,则 LNA 电路的带内增益为:

图 8-2 LNA 电容反馈配置LNA 的电容反馈配置具有带通频率响应。高通拐角频率由内部反馈元件 RF (9kΩ) 和 CF (30pF) 设置,大约为 590kHz。带内增益由电容器比设置,LNA 的 50MHz 增益带宽积设置频率响应的低通拐角。例如,如果带内增益为 10,则会使带通响应介于 590kHz 和 5MHz 之间。
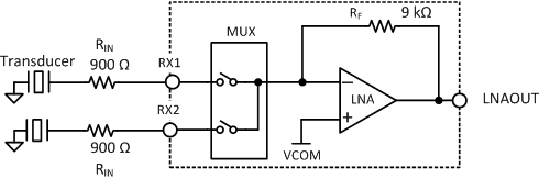
对于谐振频率大约为数百 kHz 的换能器,LNA 可配置为电阻反馈模式。这是通过将 TOF_1 寄存器中的 LNA_FB 位设置为 1 来完成的。在该配置下,内部反馈电容器 CF 被断开(请参阅图 8-3),LNA 电路的直流增益取决于内部反馈电阻器 RF (9kΩ) 与外部电阻器 RIN 之比。当 RIN = 900Ω 时,电路的增益为 10。
图 8-3 LNA 电阻反馈配置通过向 TOF_1 寄存器中的 LNA_CTRL 位写入 1,可以绕过和禁用 LNA。