ZHCSD54C October   2014  – February 2023 TDC1000

PRODUCTION DATA  

  1. 特性
  2. 应用
  3. 说明
  4. 修订历史记录
  5. 引脚配置和功能
  6. 规格
    1. 6.1 绝对最大额定值
    2. 6.2 ESD 等级
    3. 6.3 建议工作条件
    4. 6.4 热性能信息 (1)
    5. 6.5 电气特性
    6. 6.6 时序要求
    7. 6.7 开关特性
    8. 6.8 典型特性
  7. 参数测量信息
  8. 详细说明
    1. 8.1 概述
    2. 8.2 功能方框图
    3. 8.3 特性说明
      1. 8.3.1 发送器信号路径
      2. 8.3.2 接收器信号路径
      3. 8.3.3 低噪声放大器 (LNA)
      4. 8.3.4 可编程增益放大器 (PGA)
      5. 8.3.5 接收器滤波器
      6. 8.3.6 用于生成 STOP 脉冲的比较器
        1. 8.3.6.1 阈值检测器和 DAC
        2. 8.3.6.2 过零检测比较器
        3. 8.3.6.3 事件管理器
      7. 8.3.7 共模缓冲器 (VCOM)
      8. 8.3.8 温度传感器
        1. 8.3.8.1 使用多个 RTD 进行温度测量
        2. 8.3.8.2 使用单个 RTD 进行温度测量
    4. 8.4 器件功能模式
      1. 8.4.1 飞行时间测量模式
        1. 8.4.1.1 模式 0
        2. 8.4.1.2 模式 1
        3. 8.4.1.3 模式 2
      2. 8.4.2 状态机
      3. 8.4.3 发送操作
        1. 8.4.3.1 发送脉冲数
        2. 8.4.3.2 TX 180° 脉冲移位
        3. 8.4.3.3 发送器阻尼
      4. 8.4.4 接收操作
        1. 8.4.4.1 单回波接收模式
        2. 8.4.4.2 多回波接收模式
      5. 8.4.5 时序
        1. 8.4.5.1 时序控制和频率调节 (CLKIN)
        2. 8.4.5.2 TX/RX 测量时序
      6. 8.4.6 飞行时间 (TOF) 控制
        1. 8.4.6.1 短 TOF 测量
        2. 8.4.6.2 标准 TOF 测量
        3. 8.4.6.3 具有电源消隐功能的标准 TOF 测量
        4. 8.4.6.4 共模基准稳定时间
        5. 8.4.6.5 TOF 测量间隔
      7. 8.4.7 均值计算和通道选择
      8. 8.4.8 错误报告
    5. 8.5 编程
      1. 8.5.1 串行外设接口 (SPI)
        1. 8.5.1.1 负片选 (CSB)
        2. 8.5.1.2 串行时钟 (SCLK)
        3. 8.5.1.3 串行数据输入 (SDI)
        4. 8.5.1.4 串行数据输出 (SDO)
    6. 8.6 寄存器映射
  9. 应用和实施
    1. 9.1 应用信息
    2. 9.2 典型应用
      1. 9.2.1 液位和流体识别测量
        1. 9.2.1.1 设计要求
        2. 9.2.1.2 详细设计过程
          1. 9.2.1.2.1 液位测量
          2. 9.2.1.2.2 流体识别
        3. 9.2.1.3 应用曲线
      2. 9.2.2 水流量计量
        1. 9.2.2.1 设计要求
        2. 9.2.2.2 详细设计过程
          1. 9.2.2.2.1 法规和精度
          2. 9.2.2.2.2 超声波流量计中的渡越时间
          3. 9.2.2.2.3 ΔTOF 精度要求计算
          4. 9.2.2.2.4 操作
        3. 9.2.2.3 应用曲线
    3. 9.3 电源相关建议
    4. 9.4 布局
      1. 9.4.1 布局指南
      2. 9.4.2 布局布线示例
  10. 10器件和文档支持
    1. 10.1 器件支持
      1. 10.1.1 开发支持
    2. 10.2 接收文档更新通知
    3. 10.3 支持资源
    4. 10.4 商标
    5. 10.5 静电放电警告
    6. 10.6 术语表
  11. 11机械、封装和可订购信息

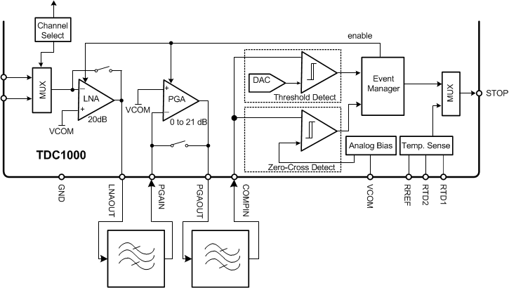
接收器信号路径

RX 信号路径包含一个通道选择多路复用器,后跟一个 LNA。如果需要,LNA 的输出随后可以发送到 PGA 以进行额外放大。最后,信号被馈送到一组比较器,这些比较器根据编程的阈值电平在 STOP 引脚上生成脉冲。图 8-1 显示了接收器路径的方框图。

如果 TDC1000 提供的 20dB 至 41dB 增益不足,则可以在 COMPIN 引脚之前添加额外的增益。同样,对于强接收信号,如果不需要来自 LNA 或 PGA 的增益,则可以绕过它们,换能器信号可以直接连接到 COMPIN 引脚。

可以在接收器路径的各个级之间使用以换能器的响应为中心的带通滤波器以降低噪声;请注意,LNA、PGA 和比较器的输入应偏置到 VCOM 引脚的电位。连接到 COMPIN 引脚的比较器用于鉴定回波和生成与回波信号的过零相对应的 STOP 脉冲。STOP 脉冲与 START 脉冲一起用于计算介质中回波的 TOF。

GUID-639947C1-3AED-483A-B521-9DCAC7FACE35-low.gif图 8-1 TDC1000 接收器路径