ZHCAC17D June   2013  – January 2023 TLV62130 , TLV62130A , TLV62150 , TLV62150A , TPS61175 , TPS61175-Q1 , TPS62130 , TPS62130A , TPS62131 , TPS62132 , TPS62133 , TPS62135 , TPS62136 , TPS62140 , TPS62140A , TPS62141 , TPS62142 , TPS62143 , TPS62150 , TPS62150A , TPS62151 , TPS62152 , TPS62153 , TPS62160 , TPS62161 , TPS62162 , TPS62163 , TPS62170 , TPS62171 , TPS62172 , TPS62173

 

  1.   在反相降压/升压拓扑中使用 TPS6215x
  2.   商标
  3. 1反相降压/升压拓扑
    1. 1.1 概念
    2. 1.2 输出电流计算
    3. 1.3 VIN 和 VOUT 范围
  4. 2设计注意事项
    1. 2.1 设计注意事项
    2. 2.2 额外的输入电容器
    3. 2.3 数字引脚配置
      1. 2.3.1 数字输入引脚(EN、FSW、DEF)
      2. 2.3.2 电源正常引脚
    4. 2.4 启动行为和开关节点注意事项
  5. 3外部组件选择
    1. 3.1 电感器选择
    2. 3.2 电容器选型
  6. 4典型性能
  7. 5结论
  8. 6参考文献
  9. 7修订历史记录

额外的输入电容器

需要一个额外的输入电容器 CBYP 作为该器件的旁路电容器以确保稳定性。该电容器是对输入电容器 CIN 的补充,连接在 VIN 和接地之间(请参阅图 1-2)。旁路电容器和输入电容器的建议最小值为 10μF。

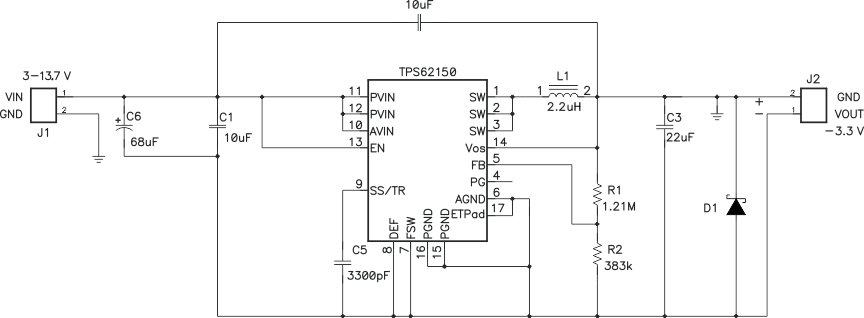
作为副作用,CBYP 电容器提供了从 VIN 到 VOUT 的交流路径。当 VIN 施加到电路时,从 VIN 到 VOUT 的电容上的这个 dV/dt 会产生一个必须返回到地的电流(输入电源回路),才能完成其循环。该电流可能流过内部低侧 MOSFET 的体二极管和电感器返回到地。流经体二极管会将 SW 引脚和 VOS 引脚拉到 IC 接地以下 0.3V 以上,违反了它们的绝对最大额定值。这种情况可能会损坏器件,因此不建议这样做。因此,输出端应安装一个肖特基二极管,如图 2-3所述。应进行启动测试,以确保在施加 VIN 后,VOS 引脚的驱动电压不会低于 IC 接地 0.3V 以上。

GUID-D0F16175-88B4-400D-BAE7-A1DEB5008A34-low.gif图 2-3 具有肖特基 D1 的 TPS62150 反相降压/升压原理图

通过 CBYP 的交流路径也可能使线路瞬态响应恶化。如果预计出现强线路瞬变,则应增大输出电容,以在线路瞬变期间将输出电压保持在可接受的水平内。