SPRUI33H November 2015 – June 2024 TMS320F280040-Q1 , TMS320F280040C-Q1 , TMS320F280041 , TMS320F280041-Q1 , TMS320F280041C , TMS320F280041C-Q1 , TMS320F280045 , TMS320F280048-Q1 , TMS320F280048C-Q1 , TMS320F280049 , TMS320F280049-Q1 , TMS320F280049C , TMS320F280049C-Q1
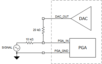
As a best practice, the PGA input signal is conditioned so that the PGA output is centered within the linear range. The input signal requires some combination of offset and attenuation to achieve this goal.
For example, an external resistor divider can attenuate the input signal while the embedded buffered DAC can provide a positive voltage offset.
Figure 14-8 Buffered DAC Offset
With the topology shown in Figure 14-8, the voltage seen at the PGA_IN pin can be calculated as follows:

Supplying a VDAC_OUT of 1.65V transforms a bipolar VSIGNAL range of -0.5V to +0.5V into a VPGA_IN range of 0.22V to 0.88V, which is an excellent choice for the 3x gain mode.
See Chapter 15 for buffered DAC usage information.