SPRUI33H November 2015 – June 2024 TMS320F280040-Q1 , TMS320F280040C-Q1 , TMS320F280041 , TMS320F280041-Q1 , TMS320F280041C , TMS320F280041C-Q1 , TMS320F280045 , TMS320F280048-Q1 , TMS320F280048C-Q1 , TMS320F280049 , TMS320F280049-Q1 , TMS320F280049C , TMS320F280049C-Q1
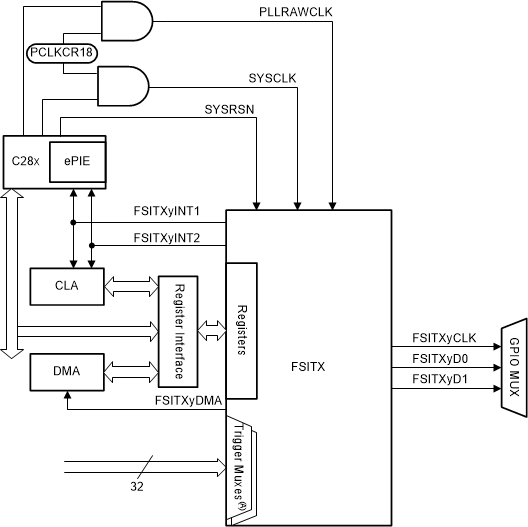
The following diagrams show the CPU interface of each FSI module.

Figure 28-2 FSI Receiver (FSIRX) CPU
Interface with CLB