SPRACR6 April   2020 F29H850TU , F29H859TU-Q1 , TMS320F280023-Q1 , TMS320F280023C , TMS320F280025C , TMS320F280025C-Q1 , TMS320F280041-Q1 , TMS320F280041C , TMS320F280041C-Q1 , TMS320F280048-Q1 , TMS320F280048C-Q1 , TMS320F280049-Q1 , TMS320F280049C , TMS320F280049C-Q1 , TMS320F28384D , TMS320F28384D-Q1 , TMS320F28384S , TMS320F28384S-Q1 , TMS320F28386D , TMS320F28386D-Q1 , TMS320F28386S , TMS320F28386S-Q1 , TMS320F28388D , TMS320F28388S , TMS320F28P650DH , TMS320F28P650DK , TMS320F28P650SH , TMS320F28P650SK , TMS320F28P659DH-Q1 , TMS320F28P659DK-Q1 , TMS320F28P659SH-Q1

 

  1.   Distributed Power Control Architecture With Multiple MCUs Over FSI
    1.     Trademarks
    2. 1 Introduction
    3. 2 Distributed Power Control Architecture
      1. 2.1 Distributed Power Control Architecture – DC/AC System
      2. 2.2 Distributed Power Control Architecture – AC/DC System
      3. 2.3 Distributed Power Control Architecture – DC/DC System
    4. 3 DC/AC System - Power Topologies
      1. 3.1 MPPT DC/DC Stage
      2. 3.2 DC/AC Inverter Stage
    5. 4 C2000 Controller Configuration for DPCA DC/AC System
    6. 5 Communication Interface – FSI for DPCA DC/AC System
      1. 5.1 FSI Star Connection
      2. 5.2 FSI Daisy Chain Connection
      3. 5.3 FSI Frame
      4. 5.4 FSI Transmission Latencies
    7. 6 Summary
    8. 7 References

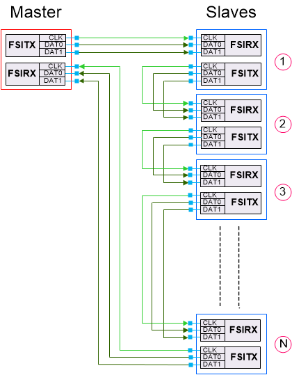
FSI Daisy Chain Connection

In this daisy chain network topology as shown in Figure 16 and Figure 17, multiple devices are wired together in a ring topology. Figure 16 shows the connection with 1 data line and Figure 17 shows the same for 2 data lines. Message from master device goes through series of slave devices connected serially. This topology does not pose any limit on the number of devices in the network and amends itself to simple wiring of various nodes. Due to the nature of a daisy-chain connection, data will need to pass through N devices for the transmission before it reaches the last device adding to latency.

devices-mcus-connected-in-daisy-chain-topology-with-1-data-line-spracr6.gifFigure 16. Devices (MCUs) Connected in Daisy Chain Topology With 1 Data Line
devices-mcus-connected-in-daisy-chain-topology-with-2-data-line-spracr6.gifFigure 17. Devices (MCUs) Connected in Daisy Chain Topology With 2 Data Lines

In Table 1, it was calculated that a total of seven F28002x MCUs are needed to control 24 MPPT DC/DC boost stages. Therefore, to control 24 MPPT DC/DC boost stages using a daisy chain configuration the transmission delay of all 7 MCUs need to be calculated when the master device (the DC/AC inverter MCU), attempts to communicate with the 7th DC/DC MCU in the chain. This will be the worst case delay in the chain.

For the DPCA inverter system illustrated in Figure 13, the master MCU (F28004x) has only one FSI port. Therefore, in this case, the only way more than one F28002x slave MCUs can be connected in the FSI network is through daisy chain connection.