ZHCS502H November   2011  – June 2024 UCC27523 , UCC27525 , UCC27526

PRODUCTION DATA  

  1.   1
  2. 特性
  3. 应用
  4. 说明
  5. 说明(续)
  6. 引脚配置和功能
  7. 规格
    1. 6.1 绝对最大额定值
    2. 6.2 ESD 等级
    3. 6.3 建议运行条件
    4. 6.4 热性能信息
    5. 6.5 电气特性
    6. 6.6 开关特性
    7. 6.7 典型特性
  8. 详细说明
    1. 7.1 概述
    2. 7.2 功能方框图
    3. 7.3 特性说明
      1. 7.3.1 VDD 和欠压锁定
      2. 7.3.2 工作电源电流
      3. 7.3.3 输入级
      4. 7.3.4 使能功能
      5. 7.3.5 输出级
      6. 7.3.6 低传播延迟和紧密匹配的输出
    4. 7.4 器件功能模式
  9. 应用和实施
    1. 8.1 应用信息
    2. 8.2 典型应用
      1. 8.2.1 设计要求
      2. 8.2.2 详细设计过程
        1. 8.2.2.1 输入到输出逻辑
        2. 8.2.2.2 启用和禁用功能
        3. 8.2.2.3 VDD 辅助电源电压
        4. 8.2.2.4 传播延迟
        5. 8.2.2.5 驱动电流和功率损耗
      3. 8.2.3 应用曲线
  10. 电源相关建议
  11. 10布局
    1. 10.1 布局指南
    2. 10.2 布局示例
    3. 10.3 散热注意事项
  12. 11器件和文档支持
    1. 11.1 器件支持
      1. 11.1.1 第三方产品免责声明
    2. 11.2 接收文档更新通知
    3. 11.3 支持资源
    4. 11.4 商标
    5. 11.5 静电放电警告
    6. 11.6 术语表
  13. 12修订历史记录
  14. 13机械、封装和可订购信息

封装选项

机械数据 (封装 | 引脚)
散热焊盘机械数据 (封装 | 引脚)
订购信息

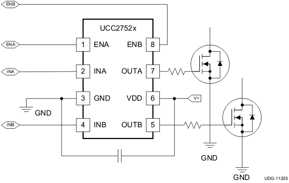
典型应用

UCC27523 UCC27525 UCC27526 UCC2752x 典型应用图(x = 3 或 5)图 8-1 UCC2752x 典型应用图(x = 3 或 5)
UCC27523 UCC27525 UCC27526 UCC27526 采用反相配置的通道 A 和采用同相配置的通道 B(未使用使能功能)图 8-2 UCC27526 采用反相配置的通道 A 和采用同相配置的通道 B(未使用使能功能)
UCC27523 UCC27525 UCC27526 UCC27526 采用反相配置的通道 A 和采用同相配置的通道 B(已实现使能功能)图 8-3 UCC27526 采用反相配置的通道 A 和采用同相配置的通道 B(已实现使能功能)