ZHCSHJ7K April   2006  – March 2025 TXB0104

PRODUCTION DATA  

  1.   1
  2. 特性
  3. 应用
  4. 说明
  5. 引脚配置和功能
  6. 规格
    1. 5.1  绝对最大额定值
    2. 5.2  ESD 等级
    3. 5.3  建议运行条件
    4. 5.4  热性能信息
    5. 5.5  电气特性 (BQA/DYY)
    6. 5.6  电气特性(其他封装)
    7. 5.7  时序要求:VCCA = 1.2 V
    8. 5.8  时序要求:VCCA = 1.5V ± 0.1V
    9. 5.9  时序要求:VCCA = 1.8V ± 0.15V
    10. 5.10 时序要求:VCCA = 2.5V ± 0.2V
    11. 5.11 时序要求:VCCA = 3.3V ± 0.3V
    12. 5.12 开关特性:VCCA = 1.2V (BQA/DYY)
    13. 5.13 开关特性:VCCA = 1.2V(其他封装)
    14. 5.14 开关特性:VCCA = 1.5V ± 0.1V (BQA/DYY)
    15. 5.15 开关特性:VCCA = 1.5V ± 0.1V(其他封装)
    16. 5.16 开关特性:VCCA = 1.8V ± 0.15V (BQA/DYY)
    17. 5.17 开关特性:VCCA = 1.8V ± 0.15V(其他封装)
    18. 5.18 开关特性:VCCA = 2.5V ± 0.2V (BQA/DYY)
    19. 5.19 开关特性:VCCA = 2.5V ± 0.2V(其他封装)
    20. 5.20 开关特性:VCCA = 3.3V ± 0.3V (BQA/DYY)
    21. 5.21 开关特性:VCCA = 3.3V ± 0.3V(其他封装)
    22. 5.22 工作特性:VCCA = 1.2V 至 1.5V,VCCB = 1.5V 至 1.8V
    23. 5.23 工作特性:VCCA = 1.8V 至 3.3V,VCCB = 1.8V 至 5V
    24. 5.24 典型特性
  7. 参数测量信息
  8. 详细说明
    1. 7.1 概述
    2. 7.2 功能方框图
    3. 7.3 特性说明
      1. 7.3.1 架构
      2. 7.3.2 输入驱动器要求
      3. 7.3.3 输出负载注意事项
      4. 7.3.4 启用和禁用
      5. 7.3.5 I/O 线路上的上拉或下拉电阻
    4. 7.4 器件功能模式
  9. 应用和实现
    1. 8.1 应用信息
    2. 8.2 典型应用
      1. 8.2.1 设计要求
      2. 8.2.2 详细设计流程
      3. 8.2.3 应用曲线
  10. 电源相关建议
  11. 10布局
    1. 10.1 布局布线指南
    2. 10.2 布局示例
  12. 11器件和文档支持
    1. 11.1 接收文档更新通知
    2. 11.2 支持资源
    3. 11.3 商标
    4. 11.4 静电放电警告
    5. 11.5 术语表
  13. 12修订历史记录
  14. 13机械、封装和可订购信息

封装选项

请参考 PDF 数据表获取器件具体的封装图。

机械数据 (封装 | 引脚)
  • D|14
  • RGY|14
  • RUT|12
  • NMN|12
  • YZT|12
  • PW|14
  • BQA|14
散热焊盘机械数据 (封装 | 引脚)
订购信息

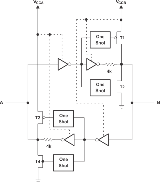
架构

TXB0104 器件架构(请参阅图 7-1)不需要方向控制信号来控制从 A 到 B 或从 B 到 A 的数据流方向。在直流状态下,此器件的输出驱动器将保持高电平或低电平,但设计为较弱,因此当总线上的数据沿相反方向流动时,输出驱动器可由外部驱动器过驱。

输出单稳态检测 A 或 B 端口上的上升或下降沿。在上升沿期间,单稳态在短时间内开启 PMOS 晶体管(T1、T3),从而加快低电平至高电平转换。同样,在下降沿期间,单稳态在短时间内开启 NMOS 晶体管(T2、T4),从而加快高电平至低电平转换。输出转换期间的典型输出阻抗为:VCCO = 1.2V 至 1.8V 时为 70Ω,VCCO = 1.8V 至 3.3V 时为 50Ω,VCCO = 3.3V 至 5V 时为 40Ω。

TXB0104 TXB0104 器件 I/O 单元架构图 7-1 TXB0104 器件 I/O 单元架构