ZHCSUK2R August   2003  – May 2025 TPS732

PRODUCTION DATA  

  1.   1
  2. 特性
  3. 应用
  4. 说明
  5. 引脚配置和功能
  6. 规格
    1. 5.1 绝对最大额定值
    2. 5.2 ESD 等级
    3. 5.3 建议运行条件
    4. 5.4 热性能信息
    5. 5.5 热性能信息
    6. 5.6 电气特性
    7. 5.7 开关特性
    8. 5.8 典型特性
  7. 详细说明
    1. 6.1 概述
    2. 6.2 功能方框图
    3. 6.3 特性说明
      1. 6.3.1 输出噪声
      2. 6.3.2 内部电流限制
      3. 6.3.3 使能引脚和关断
      4. 6.3.4 压降电压
      5. 6.3.5 反向电流
    4. 6.4 器件功能模式
      1. 6.4.1 正常运行,1.7V ≤ VIN≤ 5.5V 且 VEN ≥ 1.7V
  8. 应用和实施
    1. 7.1 应用信息
    2. 7.2 典型应用
      1. 7.2.1 设计要求
      2. 7.2.2 详细设计过程
        1. 7.2.2.1 输入和输出电容器要求
        2. 7.2.2.2 瞬态响应
      3. 7.2.3 应用曲线
    3. 7.3 电源相关建议
    4. 7.4 布局
      1. 7.4.1 布局指南
        1. 7.4.1.1 散热注意事项
          1. 7.4.1.1.1 功率耗散
      2. 7.4.2 布局示例
  9. 器件和文档支持
    1. 8.1 器件支持
      1. 8.1.1 开发支持
        1. 8.1.1.1 评估模块
        2. 8.1.1.2 Spice 模型
      2. 8.1.2 器件命名规则
    2. 8.2 文档支持
      1. 8.2.1 相关文档
    3. 8.3 接收文档更新通知
    4. 8.4 支持资源
    5. 8.5 商标
    6. 8.6 静电放电警告
    7. 8.7 术语表
  10. 修订历史记录
  11. 10机械、封装和可订购信息

封装选项

机械数据 (封装 | 引脚)
散热焊盘机械数据 (封装 | 引脚)
订购信息

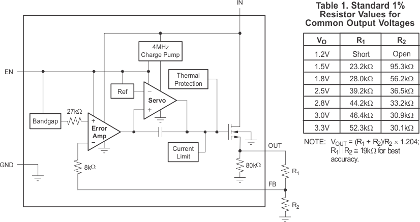
功能方框图

TPS732 固定电压版本图 6-1 固定电压版本
TPS732 可调电压版本图 6-2 可调电压版本