ZHCSM62C September   2020  – December 2021 TPS542A50

PRODUCTION DATA  

  1. 特性
  2. 应用
  3. 说明
  4. Revision History
  5. Pin Configuration and Functions
  6. Specifications
    1. 6.1 Absolute Maximum Ratings
    2. 6.2 ESD Ratings
    3. 6.3 Recommended Operating Conditions
    4. 6.4 Thermal Information
    5. 6.5 Electrical Characteristics
    6. 6.6 Typical Characteristics
  7. Detailed Description
    1. 7.1 Overview
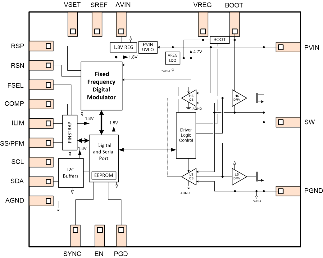
    2. 7.2 Functional Block Diagram
    3. 7.3 Feature Description
      1. 7.3.1  Enable and Adjustable Undervoltage Lockout
      2. 7.3.2  Input and VREG Undervoltage Lockout Protection
      3. 7.3.3  Voltage Reference and Setting the Output Voltage
      4. 7.3.4  Remote Sense Function
      5. 7.3.5  Switching Frequency
      6. 7.3.6  Voltage Control Mode Internal Compensation
      7. 7.3.7  Soft Start and Prebiased Output Start-up
      8. 7.3.8  Power Good
      9. 7.3.9  Overvoltage and Undervoltage Protection
      10. 7.3.10 Overcurrent Protection
      11. 7.3.11 High-Side FET Throttling
      12. 7.3.12 Overtemperature Protection
    4. 7.4 Device Functional Modes
      1. 7.4.1 Pulse-Frequency Modulation Eco-mode Light Load Operation
      2. 7.4.2 Forced Continuous-Conduction Mode
      3. 7.4.3 Soft Start
    5. 7.5 Programming
      1. 7.5.1 I2C Address Selection
      2. 7.5.2 Powering Device Into Programming Mode
      3. 7.5.3 Device Configuration
      4. 7.5.4 Output Voltage Adjustment
    6. 7.6 Pin-Strap Programming
    7. 7.7 Register Maps
      1. 7.7.1 ID Register (Offset = 0x0) [reset = 0x21]
      2. 7.7.2 STATUS Register (Offset = 0x1) [reset = 0x0]
      3. 7.7.3 VOUT_ADJ1 Register (Offset = 0x2) [reset = 0x0]
      4. 7.7.4 VOUT_ADJ2 Register (Offset = 0x3) [reset = 0x0]
      5. 7.7.5 CONFIG1 Register (Offset = 0x4) [reset = 0x0B]
      6. 7.7.6 CONFIG2 Register (Offset = 0x5) [reset = 0x2D]
  8. Application and Implementation
    1. 8.1 Application Information
    2. 8.2 Typical Application
      1. 8.2.1 Full Analog Configuration
        1. 8.2.1.1 Design Requirements
        2. 8.2.1.2 Detailed Design Procedure
          1. 8.2.1.2.1  Custom Design With WEBENCH® Tools
          2. 8.2.1.2.2  Output Voltage Calculation
          3. 8.2.1.2.3  Switching Frequency Selection
          4. 8.2.1.2.4  Inductor Selection
          5. 8.2.1.2.5  Input Capacitor Selection
          6. 8.2.1.2.6  Bootstrap Capacitor Selection
          7. 8.2.1.2.7  R-C Snubber and VIN Pin High-Frequency Bypass
          8. 8.2.1.2.8  Output Capacitor Selection
          9. 8.2.1.2.9  Response to a Load Transient
          10. 8.2.1.2.10 Pin-Strap Setting
        3. 8.2.1.3 Application Curves
        4. 8.2.1.4 Typical Application Circuits
  9. Power Supply Recommendations
  10. 10Layout
    1. 10.1 Layout Guidelines
    2. 10.2 Layout Example
  11. 11Device and Documentation Support
    1. 11.1 Device Support
      1. 11.1.1 Development Support
        1. 11.1.1.1 Fusion Digital Power™ Designer Tool
        2. 11.1.1.2 Custom Design With WEBENCH® Tools
    2. 11.2 接收文档更新通知
    3. 11.3 支持资源
    4. 11.4 Trademarks
    5. 11.5 Electrostatic Discharge Caution
    6. 11.6 术语表
  12. 12Mechanical, Packaging, and Orderable Information

封装选项

机械数据 (封装 | 引脚)
散热焊盘机械数据 (封装 | 引脚)
订购信息

Functional Block Diagram

GUID-5130ADF0-1E95-43A1-954D-B34CCB910D5B-low.gif