ZHCSG25E January   2017  – December 2022 OPA1677 , OPA1678 , OPA1679

PRODUCTION DATA  

  1. 特性
  2. 应用
  3. 说明
  4. Revision History
  5. Pin Configuration and Functions
  6. Specifications
    1. 6.1 Absolute Maximum Ratings
    2. 6.2 ESD Ratings
    3. 6.3 Recommended Operating Conditions
    4. 6.4 Thermal Information: OPA1677
    5. 6.5 Thermal Information: OPA1678
    6. 6.6 Thermal Information: OPA1679
    7. 6.7 Electrical Characteristics
    8. 6.8 Typical Characteristics
  7. Detailed Description
    1. 7.1 Overview
    2. 7.2 Functional Block Diagram
    3. 7.3 Feature Description
      1. 7.3.1 Phase Reversal Protection
      2. 7.3.2 Electrical Overstress
      3. 7.3.3 EMI Rejection Ratio (EMIRR)
        1. 7.3.3.1 EMIRR IN+ Test Configuration
    4. 7.4 Device Functional Modes
      1. 7.4.1 Operating Voltage
  8. Application and Implementation
    1. 8.1 Application Information
      1. 8.1.1 Capacitive Loads
    2. 8.2 Typical Applications
      1. 8.2.1 Phantom-Powered Preamplifier for Piezo Contact Microphones
        1. 8.2.1.1 Design Requirements
        2. 8.2.1.2 Detailed Design Procedure
          1. 8.2.1.2.1 Power Supply
          2. 8.2.1.2.2 Input Network
          3. 8.2.1.2.3 Gain
          4. 8.2.1.2.4 Output Network
        3. 8.2.1.3 Application Curves
      2. 8.2.2 Phono Preamplifier for Moving Magnet Cartridges
      3. 8.2.3 Single-Supply Electret Microphone Preamplifier
      4. 8.2.4 Composite Headphone Amplifier
      5. 8.2.5 Differential Line Receiver With AC-Coupled Outputs
    3. 8.3 Power Supply Recommendations
    4. 8.4 Layout
      1. 8.4.1 Layout Guidelines
        1. 8.4.1.1 Power Dissipation
      2. 8.4.2 Layout Example
  9. Device and Documentation Support
    1. 9.1 Device Support
      1. 9.1.1 Development Support
        1. 9.1.1.1 PSpice® for TI
        2. 9.1.1.2 TINA-TI™ 仿真软件(免费下载)
        3. 9.1.1.3 DIP-Adapter-EVM
        4. 9.1.1.4 DIYAMP-EVM
        5. 9.1.1.5 TI 参考设计
        6. 9.1.1.6 滤波器设计工具
    2. 9.2 Documentation Support
      1. 9.2.1 Related Documentation
    3. 9.3 接收文档更新通知
    4. 9.4 支持资源
    5. 9.5 Trademarks
    6. 9.6 Electrostatic Discharge Caution
    7. 9.7 术语表
  10. 10Mechanical, Packaging, and Orderable Information

封装选项

机械数据 (封装 | 引脚)
散热焊盘机械数据 (封装 | 引脚)
订购信息

Electrical Overstress

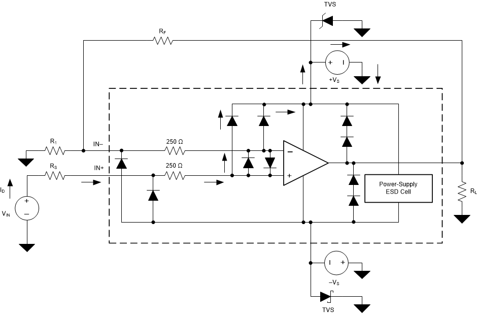
Designers often ask questions about the capability of an operational amplifier to withstand electrical overstress. These questions tend to focus on the device inputs, but can involve the supply voltage pins or even the output pin. Each of these different pin functions have electrical stress limits determined by the voltage breakdown characteristics of the particular semiconductor fabrication process and specific circuits connected to the pin. Additionally, internal electrostatic discharge (ESD) protection is built into these circuits to protect them from accidental ESD events both before and during product assembly.

A good understanding of this basic ESD circuitry and the relevance to an electrical overstress event is helpful. Figure 7-2 illustrates the ESD circuits contained in the OPA167x (indicated by the dashed line area). The ESD protection circuitry involves several current-steering diodes connected from the input and output pins and routed back to the internal power-supply lines, where the diodes meet at an absorption device internal to the operational amplifier. This protection circuitry is intended to remain inactive during normal circuit operation.

GUID-4F4F474B-05E7-4D6A-BBC2-230C1B24558B-low.gifFigure 7-2 Equivalent Internal ESD Circuitry Relative to a Typical Circuit Application

An ESD event produces a short-duration, high-voltage pulse that is transformed into a short-duration, high-current pulse when discharging through a semiconductor device. The ESD protection circuits are designed to provide a current path around the operational amplifier core to prevent damage. The energy absorbed by the protection circuitry is then dissipated as heat.

When an ESD voltage develops across two or more amplifier device pins, current flows through one or more steering diodes. Depending on the path that the current takes, the absorption device can activate. The absorption device has a trigger, or threshold voltage, that is greater than the normal operating voltage of the OPA167x but less than the device breakdown voltage level. When this threshold is exceeded, the absorption device quickly activates and clamps the voltage across the supply rails to a safe level.

When the operational amplifier connects into a circuit (see Figure 7-2), the ESD protection components are intended to remain inactive and do not become involved in the application circuit operation. However, circumstances can arise where an applied voltage exceeds the operating voltage range of a given pin. If this condition occurs, there is a risk that some internal ESD protection circuits can turn on and conduct current. Any such current flow occurs through steering-diode paths and rarely involves the absorption device.

Figure 7-2 shows a specific example where the input voltage (VIN) exceeds the positive supply voltage (V+) by 500 mV or more. Much of what happens in the circuit depends on the supply characteristics. If V+ can sink the current, one of the upper input steering diodes conducts and directs current to V+. Excessively high current levels can flow with increasingly higher VIN. As a result, the data sheet specifications recommend that applications limit the input current to 10 mA.

If the supply is not capable of sinking the current, VIN can begin sourcing current to the operational amplifier and then take over as the source of positive supply voltage. The danger in this case is that the voltage can rise to levels that exceed the operational amplifier absolute maximum ratings.

Another common question involves what happens to the amplifier if an input signal is applied to the input when the power supplies (V+ or V–) are at 0 V. Again, this question depends on the supply characteristic when at 0 V, or at a level less than the input signal amplitude. If the supplies appear as high impedance, then the input source supplies the operational amplifier current through the current-steering diodes. This state is not a normal bias condition; most likely, the amplifier does not operate normally. If the supplies are low impedance, then the current through the steering diodes can become quite high. The current level depends on the ability of the input source to deliver current, and any resistance in the input path.

If there is any uncertainty about the ability of the supply to absorb this current, add external Zener diodes to the supply pins; see Figure 7-2. Select the Zener voltage so that the diode does not turn on during normal operation. However, the Zener voltage must be low enough so that the Zener diode conducts if the supply pin begins to rise above the safe-operating, supply-voltage level.