ZHCSG25E January   2017  – December 2022 OPA1677 , OPA1678 , OPA1679

PRODUCTION DATA  

  1. 特性
  2. 应用
  3. 说明
  4. Revision History
  5. Pin Configuration and Functions
  6. Specifications
    1. 6.1 Absolute Maximum Ratings
    2. 6.2 ESD Ratings
    3. 6.3 Recommended Operating Conditions
    4. 6.4 Thermal Information: OPA1677
    5. 6.5 Thermal Information: OPA1678
    6. 6.6 Thermal Information: OPA1679
    7. 6.7 Electrical Characteristics
    8. 6.8 Typical Characteristics
  7. Detailed Description
    1. 7.1 Overview
    2. 7.2 Functional Block Diagram
    3. 7.3 Feature Description
      1. 7.3.1 Phase Reversal Protection
      2. 7.3.2 Electrical Overstress
      3. 7.3.3 EMI Rejection Ratio (EMIRR)
        1. 7.3.3.1 EMIRR IN+ Test Configuration
    4. 7.4 Device Functional Modes
      1. 7.4.1 Operating Voltage
  8. Application and Implementation
    1. 8.1 Application Information
      1. 8.1.1 Capacitive Loads
    2. 8.2 Typical Applications
      1. 8.2.1 Phantom-Powered Preamplifier for Piezo Contact Microphones
        1. 8.2.1.1 Design Requirements
        2. 8.2.1.2 Detailed Design Procedure
          1. 8.2.1.2.1 Power Supply
          2. 8.2.1.2.2 Input Network
          3. 8.2.1.2.3 Gain
          4. 8.2.1.2.4 Output Network
        3. 8.2.1.3 Application Curves
      2. 8.2.2 Phono Preamplifier for Moving Magnet Cartridges
      3. 8.2.3 Single-Supply Electret Microphone Preamplifier
      4. 8.2.4 Composite Headphone Amplifier
      5. 8.2.5 Differential Line Receiver With AC-Coupled Outputs
    3. 8.3 Power Supply Recommendations
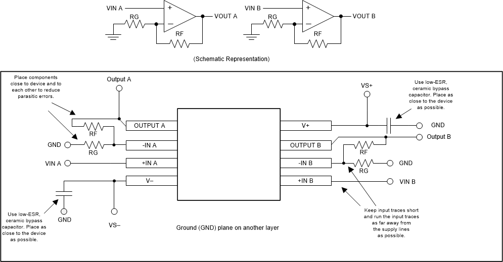
    4. 8.4 Layout
      1. 8.4.1 Layout Guidelines
        1. 8.4.1.1 Power Dissipation
      2. 8.4.2 Layout Example
  9. Device and Documentation Support
    1. 9.1 Device Support
      1. 9.1.1 Development Support
        1. 9.1.1.1 PSpice® for TI
        2. 9.1.1.2 TINA-TI™ 仿真软件(免费下载)
        3. 9.1.1.3 DIP-Adapter-EVM
        4. 9.1.1.4 DIYAMP-EVM
        5. 9.1.1.5 TI 参考设计
        6. 9.1.1.6 滤波器设计工具
    2. 9.2 Documentation Support
      1. 9.2.1 Related Documentation
    3. 9.3 接收文档更新通知
    4. 9.4 支持资源
    5. 9.5 Trademarks
    6. 9.6 Electrostatic Discharge Caution
    7. 9.7 术语表
  10. 10Mechanical, Packaging, and Orderable Information

封装选项

机械数据 (封装 | 引脚)
散热焊盘机械数据 (封装 | 引脚)
订购信息

Layout Example

GUID-351F3E77-A37B-4410-93FC-32498B1FD363-low.gifFigure 8-8 Operational Amplifier Board Layout for Noninverting Configuration