ZHCSIQ5A September   2018  – August 2021 LM34936

PRODUCTION DATA  

  1. 特性
  2. 应用
  3. 说明
  4. Revision History
  5. Pin Configuration and Functions
  6. Specifications
    1. 6.1 Absolute Maximum Ratings
    2. 6.2 ESD Ratings
    3. 6.3 Recommended Operating Conditions
    4. 6.4 Thermal Information
    5. 6.5 Electrical Characteristics
    6. 6.6 Typical Characteristics
  7. Detailed Description
    1. 7.1 Overview
    2. 7.2 Functional Block Diagram
    3. 7.3 Feature Description
      1. 7.3.1  Fixed Frequency Valley/Peak Current Mode Control with Slope Compensation
      2. 7.3.2  VCC Regulator and Optional BIAS Input
      3. 7.3.3  Enable/UVLO
      4. 7.3.4  Soft-Start
      5. 7.3.5  Overcurrent Protection
      6. 7.3.6  Average Input/Output Current Limiting
      7. 7.3.7  Operation Above 28-V Input
      8. 7.3.8  CCM Operation
      9. 7.3.9  Frequency and Synchronization (RT/SYNC)
      10. 7.3.10 Frequency Dithering
      11. 7.3.11 Output Overvoltage Protection (OVP)
      12. 7.3.12 Power Good (PGOOD)
      13. 7.3.13 Gm Error Amplifier
      14. 7.3.14 Integrated Gate Drivers
      15. 7.3.15 Thermal Shutdown
    4. 7.4 Device Functional Modes
      1. 7.4.1 Shutdown, Standby, and Operating Modes
      2. 7.4.2 MODE Pin Configuration
  8. Application and Implementation
    1. 8.1 Application Information
    2. 8.2 Typical Application
      1. 8.2.1 Design Requirements
      2. 8.2.2 Detailed Design Procedure
        1. 8.2.2.1  Custom Design with WEBENCH Tools
        2. 8.2.2.2  Frequency
        3. 8.2.2.3  VOUT
        4. 8.2.2.4  Inductor Selection
        5. 8.2.2.5  Output Capacitor
        6. 8.2.2.6  Input Capacitor
        7. 8.2.2.7  Sense Resistor (RSENSE)
        8. 8.2.2.8  Slope Compensation
        9. 8.2.2.9  UVLO
        10. 8.2.2.10 Soft-Start Capacitor
        11. 8.2.2.11 Dither Capacitor
        12. 8.2.2.12 MOSFETs QH1 and QL1
        13. 8.2.2.13 MOSFETs QH2 and QL2
        14. 8.2.2.14 Frequency Compensation
      3. 8.2.3 Application Curves
  9. Power Supply Recommendations
  10. 10Layout
    1. 10.1 Layout Guidelines
    2. 10.2 Layout Example
  11. 11Device and Documentation Support
    1. 11.1 Device Support
      1. 11.1.1 第三方产品免责声明
      2. 11.1.2 Development Support
        1. 11.1.2.1 Custom Design with WEBENCH Tools
    2. 11.2 Documentation Support
      1. 11.2.1 Related Documentation
    3. 11.3 接收文档更新通知
    4. 11.4 支持资源
    5. 11.5 Trademarks
    6. 11.6 Electrostatic Discharge Caution
    7. 11.7 术语表
  12. 12Mechanical, Packaging, and Orderable Information

封装选项

机械数据 (封装 | 引脚)
散热焊盘机械数据 (封装 | 引脚)
订购信息

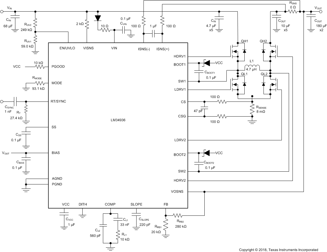
Typical Application

A typical application example is a buck-boost converter operating from a wide input voltage range of 6 V to 30 V and providing a stable 12 V output voltage with current capability of 6 A.

GUID-D01949FD-8FD9-4682-A6A7-7E88424B6115-low.gifFigure 8-1 LM34936 Four-Switch Buck Boost Application Schematic