ZHCSQ53D November   2021  – April 2025 ISOUSB211

PRODUCTION DATA  

  1.   1
  2. 特性
  3. 应用
  4. 说明
  5. 引脚配置和功能
  6. 规格
    1. 5.1  绝对最大额定值
    2. 5.2  ESD 等级
    3. 5.3  建议运行条件
    4. 5.4  热性能信息
    5. 5.5  功率等级
    6. 5.6  绝缘规格
    7. 5.7  安全相关认证
    8. 5.8  安全限值
    9. 5.9  电气特性
    10. 5.10 开关特性
    11. 5.11 绝缘特性曲线
    12. 5.12 典型特性
  7. 参数测量信息
    1. 6.1 测试电路
  8. 详细说明
    1. 7.1 概述
    2. 7.2 功能方框图
    3. 7.3 特性说明
      1. 7.3.1  电源选项
      2. 7.3.2  上电
      3. 7.3.3  对称操作、双角色端口和角色交换
      4. 7.3.4  连接和速度检测
      5. 7.3.5  断开检测
      6. 7.3.6  复位
      7. 7.3.7  LS/FS 消息流量
      8. 7.3.8  HS 消息流量
      9. 7.3.9  均衡和预加重
      10. 7.3.10 L2 电源管理状态(暂停)和恢复
      11. 7.3.11 L1 电源管理状态(睡眠)和恢复
      12. 7.3.12 HS 测试模式支持
      13. 7.3.13 CDP 广播
    4. 7.4 器件功能模式
  9. 应用和实现
    1. 8.1 典型应用
      1. 8.1.1 隔离式主机或集线器
      2. 8.1.2 隔离式外设 - 自供电
      3. 8.1.3 隔离式外设 - 总线供电
      4. 8.1.4 应用曲线
        1. 8.1.4.1 绝缘寿命
      5. 8.1.5 符合 USB 2.0 HS 眼图规范
    2. 8.2 散热注意事项
      1. 8.2.1 VBUS/V3P3V 电源
      2. 8.2.2 VCCx/V1P8Vx 电源
      3. 8.2.3 示例配置 1
      4. 8.2.4 示例配置 2
      5. 8.2.5 示例配置 3
    3. 8.3 电源相关建议
    4. 8.4 布局
      1. 8.4.1 布局指南
        1. 8.4.1.1 布局示例
        2. 8.4.1.2 PCB 材料
  10. 器件和文档支持
    1. 9.1 文档支持
      1. 9.1.1 相关文档
    2. 9.2 接收文档更新通知
    3. 9.3 支持资源
    4. 9.4 商标
    5. 9.5 静电放电警告
    6. 9.6 术语表
  11. 10修订历史记录
  12. 11机械、封装和可订购信息
    1. 11.1 卷带包装信息

封装选项

机械数据 (封装 | 引脚)
  • DP|28
散热焊盘机械数据 (封装 | 引脚)
订购信息

绝缘寿命

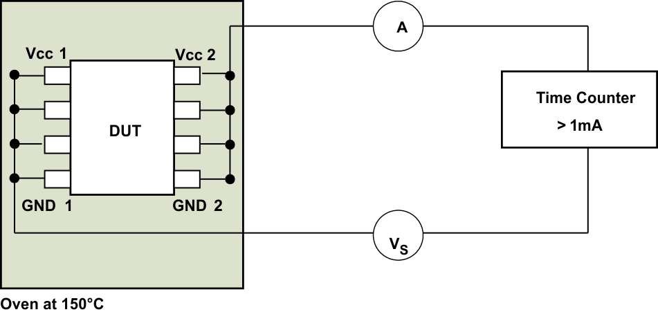
绝缘寿命预测数据是使用业界通用的时间依赖性电介质击穿 (TDDB) 测试方法收集的。在该测试中,隔离栅两侧的所有引脚都连在一起,构成了一个双端子器件并在两侧之间施加高电压;对于 TDDB 测试设置,请参阅图 8-4。绝缘击穿数据是在开关频率为 60 Hz 以及各种高电压条件下在整个温度范围内收集的。对于增强型绝缘,VDE 标准要求使用故障率小于 1ppm 的 TDDB 预测线。尽管额定工作隔离电压条件下的预期最短绝缘寿命为 20 年,但是 VDE 增强认证要求工作电压具有额外 20% 的安全裕度,寿命具有额外 50% 的安全裕度,也就是说在工作电压高于额定值 20% 的条件下,所需的最短绝缘寿命为 30 年。  

图 8-5 展示了隔离栅在其整个寿命期间承受高压应力的固有能力。根据 TDDB 数据,固有绝缘能力为 1500VRMS,寿命为 169 年。其他因素,比如封装尺寸、污染等级、材料组等,均可能会进一步限制元件的工作电压。DP-28 封装的工作电压上限值可达 1500VRMS。较低工作电压所对应的绝缘寿命远远超过 169 年。

ISOUSB211 绝缘寿命测量的测试设置图 8-4 绝缘寿命测量的测试设置
ISOUSB211 绝缘寿命预测数据图 8-5 绝缘寿命预测数据