ZHCSID5H April   2018  – June 2024 ISO1410 , ISO1412 , ISO1430 , ISO1432 , ISO1450 , ISO1452

PRODUCTION DATA  

  1.   1
  2. 特性
  3. 应用
  4. 说明
  5. 说明(续)
  6. 器件比较表
  7. 引脚配置和功能
    1.     引脚功能:全双工器件
    2.     引脚功能:半双工器件
  8. 规格
    1. 7.1  绝对最大额定值
    2. 7.2  ESD 等级
    3. 7.3  建议运行条件
    4. 7.4  热性能信息
    5. 7.5  功率等级
    6. 7.6  绝缘规格
    7. 7.7  安全相关认证
    8. 7.8  安全限值
    9. 7.9  电气特性:驱动器
    10. 7.10 电气特性:接收器
    11. 7.11 电源电流特性:1 侧 (ICC1)
    12. 7.12 电源电流特性:2 侧 (ICC2)
    13. 7.13 开关特性:驱动器
    14. 7.14 开关特性:接收器
    15. 7.15 绝缘特性曲线
    16. 7.16 典型特性
  9. 参数测量信息
  10. 详细说明
    1. 9.1 概述
    2. 9.2 功能方框图
    3. 9.3 特性说明
      1. 9.3.1 电磁兼容性 (EMC) 注意事项
      2. 9.3.2 失效防护接收器
      3. 9.3.3 热关断
      4. 9.3.4 上电和断电无干扰
    4. 9.4 器件功能模式
      1. 9.4.1 器件 I/O 原理图
  11. 10应用和实施
    1. 10.1 应用信息
    2. 10.2 典型应用
      1. 10.2.1 设计要求
      2. 10.2.2 详细设计过程
        1. 10.2.2.1 数据速率和总线长度
        2. 10.2.2.2 分支线长度
        3. 10.2.2.3 总线负载
      3. 10.2.3 应用曲线
        1. 10.2.3.1 绝缘寿命
  12. 11电源相关建议
  13. 12布局
    1. 12.1 布局指南
      1. 12.1.1 PCB 材料
    2. 12.2 布局示例
  14. 13器件和文档支持
    1. 13.1 文档支持
      1. 13.1.1 相关文档
        1. 13.1.1.1 相关链接
    2. 13.2 接收文档更新通知
    3. 13.3 支持资源
    4. 13.4 商标
    5. 13.5 静电放电警告
    6. 13.6 术语表
  15. 14修订历史记录
  16. 15机械、封装和可订购信息

封装选项

请参考 PDF 数据表获取器件具体的封装图。

机械数据 (封装 | 引脚)
  • DW|16
散热焊盘机械数据 (封装 | 引脚)
订购信息

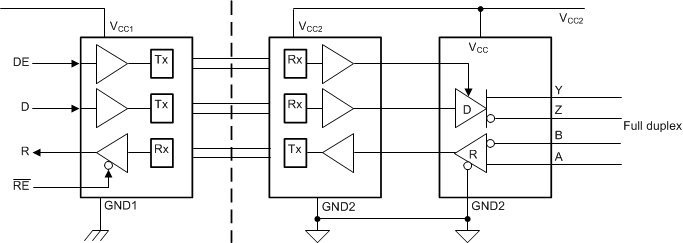
功能方框图

ISO1450 ISO1452 ISO1410 ISO1412 ISO1430 ISO1432 全双工方框图图 9-1 全双工方框图
ISO1450 ISO1452 ISO1410 ISO1412 ISO1430 ISO1432 半双工方框图图 9-2 半双工方框图