ZHCS890C May   2012  – September 2025 INA3221

PRODUCTION DATA  

  1.   1
  2. 特性
  3. 应用
  4. 说明
  5. 器件比较表
  6. 引脚配置和功能
  7. 规格
    1. 6.1 绝对最大额定值
    2. 6.2 ESD 等级
    3. 6.3 建议运行条件
    4. 6.4 热性能信息
    5. 6.5 电气特性
    6. 6.6 典型特性
  8. 详细说明
    1. 7.1 概述
    2. 7.2 功能方框图
    3. 7.3 特性说明
      1. 7.3.1 基本 ADC 功能
      2. 7.3.2 警报监测
        1. 7.3.2.1 临界警报
          1. 7.3.2.1.1 求和控制功能
        2. 7.3.2.2 警告警报
        3. 7.3.2.3 电源有效警报
        4. 7.3.2.4 时序控制警报
        5. 7.3.2.5 默认设置
      3. 7.3.3 软件复位
    4. 7.4 器件功能模式
      1. 7.4.1 均值计算功能
      2. 7.4.2 多通道监测
        1. 7.4.2.1 通道配置
        2. 7.4.2.2 均值计算和转换时间注意事项
      3. 7.4.3 滤波和输入考虑
    5. 7.5 编程
      1. 7.5.1 总线概述
        1. 7.5.1.1 串行总线地址
        2. 7.5.1.2 串行接口
      2. 7.5.2 对 INA3221 进行写入和读取
        1. 7.5.2.1 高速 I2C 模式
      3. 7.5.3 SMBus 警报响应
    6. 7.6 寄存器映射
      1. 7.6.1 寄存器组摘要
      2. 7.6.2 寄存器说明
        1. 7.6.2.1  配置寄存器(地址 = 00h)[复位 = 7127h]
        2. 7.6.2.2  通道 1 分流电压寄存器(地址 = 01h)[复位 = 00h]
        3. 7.6.2.3  通道 1 总线电压寄存器(地址 = 02h)[复位 = 00h]
        4. 7.6.2.4  通道 2 分流电压寄存器(地址 = 03h)[复位 = 00h]
        5. 7.6.2.5  通道 2 总线电压寄存器(地址 = 04h)[复位 = 00h]
        6. 7.6.2.6  通道 3 分流电压寄存器(地址 = 05h)[复位 = 00h]
        7. 7.6.2.7  通道 3 总线电压寄存器(地址 = 06h)[复位 = 00h]
        8. 7.6.2.8  通道 1 临界警报限值寄存器(地址 = 07h)[复位 = 7FF8h]
        9. 7.6.2.9  警告警报通道 1 限值寄存器(地址 = 08h)[复位 = 7FF8h]
        10. 7.6.2.10 通道 2 临界警报限值寄存器(地址 = 09h)[复位 = 7FF8h]
        11. 7.6.2.11 通道 2 警告警报限值寄存器(地址 = 0Ah)[复位 = 7FF8h]
        12. 7.6.2.12 通道 3 临界警报限值寄存器(地址 = 0Bh)[复位 = 7FF8h]
        13. 7.6.2.13 通道 3 警告警报限值寄存器(地址 = 0Ch)[复位 = 7FF8h]
        14. 7.6.2.14 分流电压总和寄存器(地址 = 0Dh)[复位 = 00h]
        15. 7.6.2.15 分流电压总和限值寄存器(地址 = 0Eh)[复位 = 7FFEh]
        16. 7.6.2.16 屏蔽/使能寄存器(地址 = 0Fh)[复位 = 0002h]
        17. 7.6.2.17 电源有效上限寄存器(地址 = 10h)[复位 = 2710h]
        18. 7.6.2.18 电源有效下限寄存器(地址 = 11h)[复位 = 2328h]
        19. 7.6.2.19 制造商 ID 寄存器(地址 = FEh)[复位 = 5449h]
        20. 7.6.2.20 芯片 ID 寄存器(地址 = FFh)[复位 = 3220]
  9. 应用和实施
    1. 8.1 应用信息
    2. 8.2 典型应用
      1. 8.2.1 设计要求
      2. 8.2.2 详细设计过程
      3. 8.2.3 应用曲线
    3. 8.3 电源相关建议
    4. 8.4 布局
      1. 8.4.1 布局指南
      2. 8.4.2 布局示例
  10. 器件和文档支持
    1. 9.1 器件支持
      1. 9.1.1 开发支持
    2. 9.2 文档支持
      1. 9.2.1 相关文档
    3. 9.3 接收文档更新通知
    4. 9.4 支持资源
    5. 9.5 商标
    6. 9.6 静电放电警告
    7. 9.7 术语表
  11. 10修订历史记录
  12. 11机械、封装和可订购信息

封装选项

机械数据 (封装 | 引脚)
散热焊盘机械数据 (封装 | 引脚)
订购信息

高速 I2C 模式

当总线空闲时,SDA 和 SCL 线路被上拉电阻拉至高电平。控制器生成一个启动条件,后跟一个有效的串行字节,其中包含高速 (Hs) 控制器代码 00001XXX。该传输在不高于 400kHz 的快速 (400kHz) 模式和标准 (100kHz) (F/S) 模式上进行。INA3221 不对 Hs 控制器代码进行确认,但的确会识别该代码并切换其内部滤波器以支持 2.44MHz 运行。

然后,控制器生成重复启动条件(重复启动条件与启动条件具有相同的时序)。在这个重复的启动条件之后,协议与 F/S 模式一致,除非允许的传输速度高达 2.44 MHz。控制器不使用停止条件,而是使用重复的启动条件将总线保持在 Hs 模式。停止条件结束 Hs 模式,并切换所有内部 INA3221 滤波器以支持 F/S 模式。

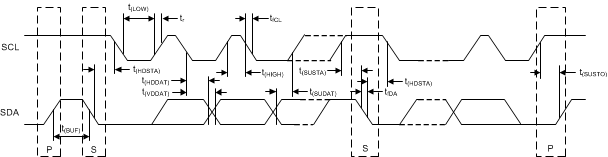
图 7-13 显示了总线时序,表 7-2 列出了总线时序定义。

INA3221 总线时序图 7-13 总线时序
表 7-2 总线时序定义(1)
参数快速模式高速模式单位
最小值最大值最小值最大值
f(SCL)SCL 运行频率0.0010.40.0012.44MHz
t(BUF)停止条件和启动条件之间的总线空闲时间1300160ns
t(HDSTA)重复启动条件后的保持时间。
在此周期后,生成第一个时钟。
600160ns
t(SUSTA)重复启动条件建立时间600160ns
t(SUSTO)停止条件建立时间600160ns
t(HDDAT)数据保持时间00ns
t(VDDAT)数据有效时间1200260ns
t(SUDAT)数据设置时间10010ns
t(LOW)SCL 时钟低电平周期1300270ns
t(HIGH)SCL 时钟高电平周期60060ns
tfDA数据下降时间500150ns
tfCL时钟下降时间30040ns
tr时钟上升时间30040ns
SCLK ≤ 100kHz 时的时钟上升时间1000ns
对器件一次性样本的统计分析得出的值。最小值和最大值未经量产测试。
A0 = A1 = 0。