ZHCSI69B june   2018  – september 2020 DS90C189-Q1

PRODUCTION DATA  

  1.   1
  2. 特性
  3. 应用
  4. 说明
  5. Typical Application Diagrams
  6. Revision History
  7. Pin Configuration and Functions
    1.     DS90C189 Pin Descriptions
  8. Specifications
    1. 7.1 Absolute Maximum Ratings
    2. 7.2 ESD Ratings
    3. 7.3 Recommended Operating Conditions
    4. 7.4 Thermal Information
    5. 7.5 Electrical Characteristics
    6. 7.6 Recommended Input Characteristics
    7. 7.7 Switching Characteristics
    8. 7.8 AC Timing Diagrams
    9. 7.9 Typical Characteristics
  9. Detailed Description
    1. 8.1 Overview
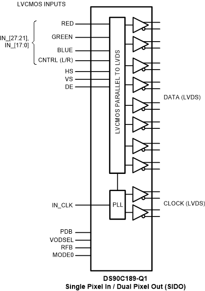
    2. 8.2 Functional Block Diagrams
    3. 8.3 Feature Description
      1. 8.3.1 AEC-Q100 Qualified
      2. 8.3.2 ESD Protection
      3. 8.3.3 Operating Modes
      4. 8.3.4 LVDS Configurations
    4. 8.4 Device Functional Modes
      1. 8.4.1 Device Configuration
      2. 8.4.2 Single Pixel Input / Single Pixel Output
      3. 8.4.3 Single Pixel Input / Dual Pixel Output
      4. 8.4.4 Pixel Clock Edge Select (RFB)
      5. 8.4.5 Power Management
      6. 8.4.6 Sleep Mode (PDB)
      7. 8.4.7 LVDS Outputs
      8. 8.4.8 LVCMOS Inputs
    5. 8.5 Programming
      1. 8.5.1 LVDS Interface / TFT Color Data Recommended Mapping
        1. 8.5.1.1 Color Mapping Information
  10. Application and Implementation
    1. 9.1 Application Information
    2. 9.2 Typical Application
      1. 9.2.1 Design Requirements
      2. 9.2.2 Detailed Design Procedure
        1. 9.2.2.1 LVDS Interconnect Guidelines
      3. 9.2.3 Application Curves
  11. 10Power Supply Recommendations
    1. 10.1 Power Up Sequence
    2. 10.2 Power Supply Filtering
  12. 11Layout
    1. 11.1 Layout Guidelines
    2. 11.2 Layout Example
  13. 12Device and Documentation Support
    1. 12.1 Documentation Support
      1. 12.1.1 Related Documentation
    2. 12.2 接收文档更新通知
    3. 12.3 支持资源
    4. 12.4 Trademarks
    5. 12.5 静电放电警告
    6. 12.6 术语表
  14. 13Mechanical, Packaging, and Orderable Information

封装选项

机械数据 (封装 | 引脚)
散热焊盘机械数据 (封装 | 引脚)
订购信息

Functional Block Diagrams

GUID-5BA5148B-B1DD-46CF-833F-6F14CCB2DB61-low.gif
GUID-D68992BA-96B0-4780-B4DB-A03C076CC8AB-low.gif