ZHCSJO5D April   2020  – April 2021 DRV8889-Q1

PRODUCTION DATA  

  1. 特性
  2. 应用
  3. 说明
  4. 修订历史记录
  5. 引脚配置和功能
    1.     引脚功能
  6. 规格
    1. 6.1 绝对最大额定值
    2. 6.2 ESD 等级
    3. 6.3 建议的操作条件
    4. 6.4 热性能信息
    5. 6.5 电气特性
    6. 6.6 SPI 时序要求
    7. 6.7 分度器时序要求
    8. 6.8 典型特性
  7. 详细说明
    1. 7.1 概述
    2. 7.2 功能方框图
    3. 7.3 特性说明
      1. 7.3.1  步进电机驱动器电流额定值
        1. 7.3.1.1 峰值电流额定值
        2. 7.3.1.2 均方根电流额定值
        3. 7.3.1.3 满量程电流额定值
      2. 7.3.2  PWM 电机驱动器
      3. 7.3.3  微步进分度器
      4. 7.3.4  通过 MCU DAC 控制 VREF
      5. 7.3.5  电流调节
      6. 7.3.6  衰减模式
        1. 7.3.6.1 上升和下降电流阶段的慢速衰减
        2. 7.3.6.2 上升电流阶段为慢速衰减,下降电流阶段为混合衰减
        3. 7.3.6.3 模式 4:用于上升电流的慢速衰减,用于下降电流的快速衰减
        4. 7.3.6.4 上升和下降电流阶段的混合衰减
        5. 7.3.6.5 智能调优动态衰减
        6. 7.3.6.6 智能调优纹波控制
      7. 7.3.7  消隐时间
      8. 7.3.8  电荷泵
      9. 7.3.9  线性稳压器
      10. 7.3.10 逻辑电平引脚图
        1. 7.3.10.1 nFAULT 引脚
      11. 7.3.11 保护电路
        1. 7.3.11.1 VM 欠压锁定 (UVLO)
        2. 7.3.11.2 VCP 欠压锁定 (CPUV)
        3. 7.3.11.3 过流保护 (OCP)
          1. 7.3.11.3.1 锁存关断 (OCP_MODE = 0b)
          2. 7.3.11.3.2 自动重试 (OCP_MODE = 1b)
        4. 7.3.11.4 开路负载检测 (OL)
        5. 7.3.11.5 失速检测
        6. 7.3.11.6 热关断 (OTSD)
          1. 7.3.11.6.1 锁存关断 (OTSD_MODE = 0b)
          2. 7.3.11.6.2 自动恢复 (OTSD_MODE = 1b)
        7. 7.3.11.7 过热警告 (OTW)
        8. 7.3.11.8 低温警告 (UTW)
        9.       53
    4. 7.4 器件功能模式
      1. 7.4.1 睡眠模式 (nSLEEP = 0)
      2. 7.4.2 禁用模式(nSLEEP = 1,DRVOFF = 1)
      3. 7.4.3 工作模式(nSLEEP = 1,DRVOFF = 0)
      4. 7.4.4 nSLEEP 复位脉冲
      5.      59
    5. 7.5 编程
      1. 7.5.1 串行外设接口 (SPI) 通信
        1. 7.5.1.1 SPI 格式
        2. 7.5.1.2 用于单个从器件的 SPI
        3. 7.5.1.3 用于多个从器件的并行配置 SPI
        4. 7.5.1.4 用于多个从器件的菊花链配置 SPI
    6. 7.6 寄存器映射
  8. 应用和实施
    1. 8.1 应用信息
    2. 8.2 典型应用
      1. 8.2.1 设计要求
      2. 8.2.2 详细设计过程
        1. 8.2.2.1 步进电机转速
        2. 8.2.2.2 电流调节
        3. 8.2.2.3 衰减模式
      3. 8.2.3 应用曲线
      4. 8.2.4 热应用
        1. 8.2.4.1 功率损耗
          1. 8.2.4.1.1 导通损耗
          2. 8.2.4.1.2 开关损耗
          3. 8.2.4.1.3 由于静态电流造成的功率损耗
          4. 8.2.4.1.4 总功率损耗
        2. 8.2.4.2 PCB 类型
        3. 8.2.4.3 HTSSOP 封装的热参数
        4. 8.2.4.4 VQFN 封装的热参数
        5. 8.2.4.5 器件结温估算
  9. 电源建议
    1. 9.1 大容量电容
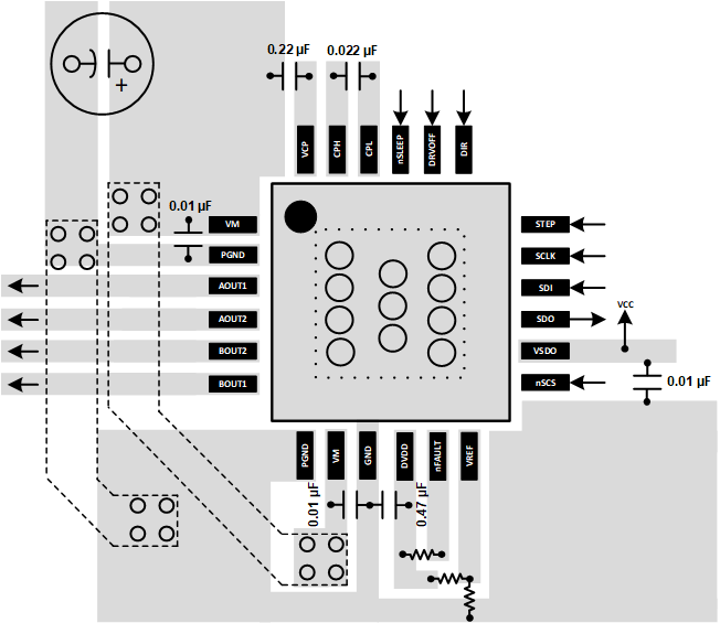
  10. 10布局
    1. 10.1 布局指南
    2. 10.2 布局示例
  11. 11器件和文档支持
    1. 11.1 文档支持
      1. 11.1.1 相关文档
    2. 11.2 接收文档更新通知
    3. 11.3 支持资源
    4. 11.4 商标
    5. 11.5 静电放电警告
    6. 11.6 术语表
  12. 12机械、封装和可订购信息

封装选项

机械数据 (封装 | 引脚)
散热焊盘机械数据 (封装 | 引脚)
订购信息

布局示例

GUID-BA3625E2-A05B-4B11-8174-AC344E94F7C1-low.gif图 10-1 HTSSOP 布局建议
GUID-77AC155D-A75F-4BDF-81B6-1B1D98B36D2A-low.gif图 10-2 QFN 布局建议