ZHCSUL8B December   2023  – September 2025 DRV8334

PRODUCTION DATA  

  1.   1
  2. 特性
  3. 应用
  4. 说明
  5. 引脚配置和功能
    1. 4.1 引脚功能 48 引脚 DRV8334 器件
  6. 规格
    1. 5.1 绝对最大额定值
    2. 5.2 DRV8334 ESD 等级
    3. 5.3 建议运行条件
    4. 5.4 热性能信息
    5. 5.5 电气特性
    6. 5.6 时序要求
    7. 5.7 SPI 时序图
  7. 详细说明
    1. 6.1 概述
    2. 6.2 功能方框图
    3. 6.3 特性说明
      1. 6.3.1 三相 BLDC 栅极驱动器
        1. 6.3.1.1 PWM 控制模式
          1. 6.3.1.1.1 6x PWM 模式
          2. 6.3.1.1.2 带 INLx 启用控制的 3x PWM 模式
          3. 6.3.1.1.3 带 SPI 启用控制的 3x PWM 模式
          4. 6.3.1.1.4 1x PWM 模式
          5. 6.3.1.1.5 SPI 栅极驱动模式
        2. 6.3.1.2 栅极驱动架构
          1. 6.3.1.2.1 自举二极管
          2. 6.3.1.2.2 GVDD 电荷泵/LDO
          3. 6.3.1.2.3 VCP 涓流电荷泵
          4. 6.3.1.2.4 栅极驱动器输出
          5. 6.3.1.2.5 无源和半有源下拉电阻器
          6. 6.3.1.2.6 TDRIVE 栅极驱动时序控制
          7. 6.3.1.2.7 传播延迟
          8. 6.3.1.2.8 死区时间和跨导保护
      2. 6.3.2 低侧电流检测放大器
        1. 6.3.2.1 单向电流检测操作
        2. 6.3.2.2 双向电流检测操作
      3. 6.3.3 栅极驱动器关断
        1. 6.3.3.1 DRVOFF 栅极驱动器关断
        2. 6.3.3.2 栅极驱动器关断时序
      4. 6.3.4 栅极驱动器保护电路
        1. 6.3.4.1  PVDD 电源欠压警告 (PVDD_UVW)
        2. 6.3.4.2  PVDD 电源欠压锁定 (PVDD_UV)
        3. 6.3.4.3  PVDD 电源过压故障 (PVDD_OV)
        4. 6.3.4.4  GVDD 欠压锁定 (GVDD_UV)
        5. 6.3.4.5  GVDD 过压故障 (GVDD_OV)
        6. 6.3.4.6  BST 欠压锁定 (BST_UV)
        7. 6.3.4.7  BST 过压故障 (BST_OV)
        8. 6.3.4.8  VCP 欠压故障 (CP_OV)
        9. 6.3.4.9  VCP 过压故障 (CP_OV)
        10. 6.3.4.10 VDRAIN 欠压故障 (VDRAIN_UV)
        11. 6.3.4.11 VDRAIN 过压故障 (VDRAIN_OV)
        12. 6.3.4.12 MOSFET VGS 监测保护
        13. 6.3.4.13 MOSFET VDS 过流保护 (VDS_OCP)
        14. 6.3.4.14 VSENSE 过流保护 (SEN_OCP)
        15. 6.3.4.15 相位比较器
        16. 6.3.4.16 热关断 (OTSD)
        17. 6.3.4.17 热警告 (OTW)
        18. 6.3.4.18 OTP CRC
        19. 6.3.4.19 SPI 看门狗计时器
        20. 6.3.4.20 相位诊断
    4. 6.4 器件功能模式
      1. 6.4.1 栅极驱动器功能模式
        1. 6.4.1.1 睡眠模式
        2. 6.4.1.2 运行模式
      2. 6.4.2 器件上电序列
    5. 6.5 编程
      1. 6.5.1 SPI
      2. 6.5.2 SPI 格式
      3. 6.5.3 SPI 格式图
  8. 寄存器映射
    1. 7.1 状态寄存器
    2. 7.2 控制寄存器
  9. 应用和实施
    1. 8.1 应用信息
    2. 8.2 典型应用
      1. 8.2.1 48 引脚封装的典型应用
        1. 8.2.1.1 外部组件
      2. 8.2.2 应用曲线
    3. 8.3 布局
      1. 8.3.1 布局指南
      2. 8.3.2 布局示例
  10. 器件和文档支持
    1. 9.1 文档支持
      1. 9.1.1 相关文档
    2. 9.2 接收文档更新通知
    3. 9.3 社区资源
    4. 9.4 商标
  11. 10修订历史记录
  12. 11机械、封装和可订购信息
    1. 11.1 封装选项附录
    2. 11.2 卷带包装信息

封装选项

机械数据 (封装 | 引脚)
散热焊盘机械数据 (封装 | 引脚)
订购信息
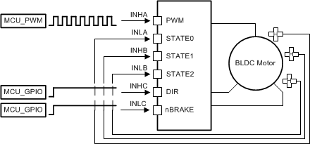
1x PWM 模式

在 1x PWM 模式下,器件使用内部存储的 6 步阻塞换向表。该功能允许使用简单控制器提供的一个 PWM 来控制三相 BLDC 电机。该 PWM 施加在 INHA 引脚上,可确定半桥的输出频率和占空比。

半桥输出状态由用作状态逻辑输入的 INLA、INHB 和 INLB 引脚进行管理。状态输入可由外部控制器控制或直接连接到电机的霍尔传感器的数字输出端(INLA = HALL_A、INHB = HALL_B、INLB = HALL_C)。1x PWM 模式通常采用同步整流方式(低侧 MOSFET 实现续流)运行。

INHC 输入通过 6 步换向表控制方向,当霍尔效应传感器直接控制 INLA、INHB 和 INLB 输入的状态时,该表用于改变电机的方向。如果不需要该功能,请将 INHC 引脚保持在低电平。

当 INLC 引脚被拉低时,INLC 输入通过关断所有高侧 MOSFET 并开启所有低侧 MOSFET 来对电机实现制动。该制动操作不受其他输入引脚状态的影响。如果不需要该功能,请将 INLC 引脚保持在高电平。

表 6-4 同步 1x PWM 模式 (PWM1X_COM = 0b)
逻辑和霍尔输入 栅极驱动输出(1)
状态 INHC = 0 INHC = 1 A 相 B 相 C 相 说明
INLA INHB INLB INLA INHB INLB GHA GLA GHB GLB GHC GLC
停止 0 0 0 0 0 0 L L L L L L 停止
对齐 1 1 1 1 1 1 PWM !PWM L H L H 对齐
1 1 1 0 0 0 1 L L PWM !PWM L H B → C
2 1 0 0 0 1 1 PWM !PWM L L L H A → C
3 1 0 1 0 1 0 PWM !PWM L H L L A → B
4 0 0 1 1 1 0 L L L H PWM !PWM C → B
5 0 1 1 1 0 0 L H L L PWM !PWM C → A
6 0 1 0 1 0 1 L H PWM !PWM L L B → A
!PWM 是 PWM 信号的反相信号。
表 6-5 异步 1x PWM 模式 (PWM1X_COM = 1b)
逻辑和霍尔输入 栅极驱动输出
状态 INHC = 0 INHC = 1 A 相 B 相 C 相 说明
INLA INHB INLB INLA INHB INLB GHA GLA GHB GLB GHC GLC
停止 0 0 0 0 0 0 L L L L L L 停止
对齐 1 1 1 1 1 1 PWM L L H L H 对齐
1 1 1 0 0 0 1 L L PWM L L H B → C
2 1 0 0 0 1 1 PWM L L L L H A → C
3 1 0 1 0 1 0 PWM L L H L L A → B
4 0 0 1 1 1 0 L L L H PWM L C → B
5 0 1 1 1 0 0 L H L L PWM L C → A
6 0 1 0 1 0 1 L H PWM L L L B → A

图 6-2图 6-3 展示了 1x PWM 模式下不同的配置。

DRV8334 1x PWM - 简单控制器图 6-2 1x PWM - 简单控制器
DRV8334 1x PWM — 霍尔效应传感器图 6-3 1x PWM — 霍尔效应传感器