ZHCSS22 april 2023 DLP670RE
PRODUCTION DATA
| 说明(1) | 最小值 | 典型值 | 最大值 | 单位 | |||
|---|---|---|---|---|---|---|---|
| SCP 接口(2) | |||||||
| tr | 上升时间 | 20% 至 80% 参考点 | 200 | ns | |||
| tƒ | 下降时间 | 80% 至 20% 参考点 | 200 | ns | |||
| LVDS 接口(2) | |||||||
| tr | 上升时间 | 20%至80% | 100 | 400 | ps | ||
| tƒ | 下降时间 | 80% 至 20% | 100 | 400 | ps | ||
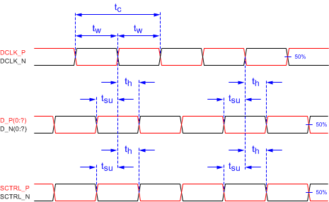
| LVDS 时钟(3) | |||||||
| tc | 周期时间 | DCLK_A,50% 至 50% | 2.5 | ns | |||
| DCLK_B,50% 至 50% | 2.5 | ||||||
| tw | 脉冲持续时间 | DCLK_A,50% 至 50% | 1.19 | 1.25 | ns | ||
| DCLK_B,50% 至 50% | 1.19 | 1.25 | |||||
| LVDS 接口(3) | |||||||
| tsu | 建立时间 | D_A(15:0),DCLK_A 的上升沿或下降沿之前 | 0.17 | ns | |||
| D_B(15:0),DCLK_B 的上升沿或下降沿之前 | 0.17 | ||||||
| tsu | 建立时间 | SCTRL_A,DCLK_A 的上升沿或下降沿之前 | 0.17 | ns | |||
| SCTRL_B,DCLK_B 的上升沿或下降沿之前 | 0.17 | ||||||
| th | 保持时间 | D_A(15:0),DCLK_A 的上升沿或下降沿之后 | 0.47 | ns | |||
| D_B(15:0),DCLK_B 的上升沿或下降沿之后 | 0.47 | ||||||
| th | 保持时间 | SCTRL_A,DCLK_A 的上升沿或下降沿之后 | 0.47 | ns | |||
| SCTRL_B,DCLK_B 的上升沿或下降沿之后 | 0.47 | ||||||
| LVDS 接口(4) | |||||||
| tskew | 偏斜时间 | 通道 B 相对于通道 A(4) | 通道 A 包括以下 LVDS 对: DCLK_AP 和 DCLK_AN SCTRL_AP 和 SCTRL_AN D_AP(15:0) 和 D_AN(15:0) |
–1.25 | 1.25 | ns | |
| 通道 B 包括以下 LVDS 对: DCLK_BP 和 DCLK_BN SCTRL_BP 和 SCTRL_BN D_BP(15:0) 和 D_BN(15:0) |
|||||||

图 6-7 输出传播测量的测试负载电路在分析输出时序时,必须考虑测试仪引脚电子元件及其传输线路影响。系统设计应使用 IBIS 或其他仿真工具将时序基准负载与系统环境相关联。请参阅图 6-7。

