ZHCSYD9A June   2025  – September 2025 DLP391TP

PRODUCTION DATA  

  1.   1
  2. 特性
  3. 应用
  4. 说明
  5. 引脚配置和功能
  6. 规格
    1. 5.1  绝对最大额定值
    2. 5.2  存储条件
    3. 5.3  ESD 等级
    4. 5.4  建议运行条件
    5.     11
    6. 5.5  热性能信息
    7. 5.6  电气特性
    8. 5.7  开关特性
    9. 5.8  时序要求
    10.     16
    11. 5.9  系统安装接口负载
    12.     18
    13. 5.10 微镜阵列物理特性
    14.     20
    15. 5.11 微镜阵列光学特性
    16. 5.12 窗口特性
    17. 5.13 芯片组元件使用规格
  7. 详细说明
    1. 6.1 概述
    2. 6.2 功能方框图
    3. 6.3 特性说明
      1. 6.3.1 电源接口
      2. 6.3.2 LPSDR 低速接口
      3. 6.3.3 高速接口
      4. 6.3.4 时序
    4. 6.4 器件功能模式
    5. 6.5 光学接口和系统图像质量注意事项
      1. 6.5.1 数字光圈和杂散光控制
      2. 6.5.2 光瞳匹配
      3. 6.5.3 照明溢出
    6. 6.6 微镜阵列温度计算
    7. 6.7 微镜功率密度计算
    8. 6.8 窗口孔隙照明溢出计算
    9. 6.9 微镜着陆打开/着陆关闭占空比
      1. 6.9.1 微镜着陆开/着陆关占空比的定义
      2. 6.9.2 DMD 的着陆占空比和使用寿命
      3. 6.9.3 着陆占空比和运行 DMD 温度
      4. 6.9.4 估算产品或应用的长期平均着陆占空比
  8. 应用和实施
    1. 7.1 应用信息
    2. 7.2 典型应用
      1. 7.2.1 设计要求
      2. 7.2.2 详细设计过程
      3. 7.2.3 应用曲线
    3. 7.3 温度传感器二极管
  9. 电源相关建议
    1. 8.1 DMD 电源上电过程
    2. 8.2 DMD 电源断电过程
  10. 布局
    1. 9.1 布局指南
  11. 10器件和文档支持
    1. 10.1 第三方产品免责声明
    2. 10.2 器件支持
      1. 10.2.1 器件命名规则
      2. 10.2.2 器件标识
    3. 10.3 文档支持
    4. 10.4 支持资源
    5. 10.5 商标
    6. 10.6 静电放电警告
    7. 10.7 术语表
  12. 11修订历史记录
  13. 12机械、封装和可订购信息

封装选项

机械数据 (封装 | 引脚)
散热焊盘机械数据 (封装 | 引脚)
订购信息

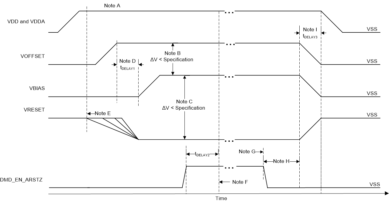
DMD 电源断电过程

  • 在断电期间,必须提供 VDD 和 VDDA,直到 VBIAS、VRESET 和 VOFFSET 放电至指定的接地限制范围内。
  • 在断电期间,严格要求 VBIAS 和 VOFFSET 之间的电压差值必须处于节 5.4 中所示的指定限值范围内。
  • 在断电期间,针对 VRESET 相对于 VBIAS 的时序没有要求。
  • 断电期间的电源转换率是灵活的,前提是瞬变电压电平符合节 5.1节 5.4图 8-1 中规定的要求。
  • 在断电期间,LVCMOS 输入引脚电压必须小于节 5.4中指定的值。
DLP391TP DMD 电源要求
如需引脚功能表,请参阅节 4
为了防止电流过大,电源电压差值 |VOFFSET – VBIAS| 必须小于 节 5.4 中指定的限值。
为了防止电流过大,电源电压差值 |VBIAS – VRESET| 必须小于节 5.4中指定的限值。
根据 Delay1 规范,VBIAS 应该在 VOFFSET 上电后上电。
DLP 控制器软件启动全局 VBIAS 命令。
DMD 微镜停放序列完成后,DLP 控制器软件启动硬件断电,从而激活 DMD_EN_ARSTZ 并禁用 VBIAS、VRESET 和 VOFFSET
在断电情况下,DLP 控制器硬件执行紧急 DMD 微镜停放程序,DMD_EN_ARSTZ 变为低电平。
根据 Delay2 规格,VDD 必须保持高电平,直到 VOFFSET、VBIAS 和 VRESET 变为低电平。
为了防止电流过大,电源电压差值 |VDDA – VDD| 必须小于节 5.4中指定的限值。
图 8-1 DMD 电源要求