ZHCSGV7F July 2017 – January 2024 CDCI6214
PRODUCTION DATA
Figure 7-3 LVCMOS Output
Figure 7-4 LVDS Output, DC-Coupled
Figure 7-5 LVDS Output AC-Coupled
Figure 7-6 Differential AC-Coupled (CML, LVPECL)
Figure 7-7 Differential Output Voltage and Rise/Fall Time
Figure 7-9 HCSL, Slew Rate Variation
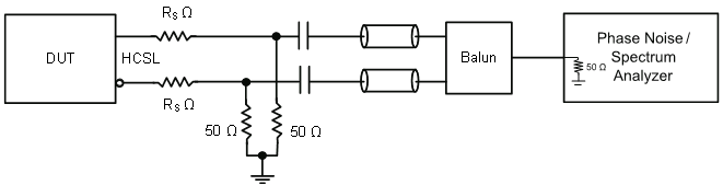
Figure 7-11 HCSL, Phase Noise Measurement