ZHCSGV7F July   2017  – January 2024 CDCI6214

PRODUCTION DATA  

  1.   1
  2. 特性
  3. 应用
  4. 说明
  5. Device Comparison
  6. Pin Configuration and Functions
  7. Specifications
    1. 6.1  Absolute Maximum Ratings
    2. 6.2  ESD Ratings
    3. 6.3  Recommended Operating Conditions
    4. 6.4  Thermal Information
    5. 6.5  EEPROM Characteristics
    6. 6.6  Reference Input, Single-Ended and Differential Mode Characteristics (REFP, REFN, FB_P, FB_N)
    7. 6.7  Reference Input, Crystal Mode Characteristics (XIN, XOUT)
    8. 6.8  General-Purpose Input and Output Characteristics (GPIO[4:1], SYNC/RESETN)
    9. 6.9  Triple Level Input Characteristics (EEPROMSEL, REFSEL)
    10. 6.10 Reference Mux Characteristics
    11. 6.11 Phase-Locked Loop Characteristics
    12. 6.12 Closed-Loop Output Jitter Characteristics
    13. 6.13 Output Mux Characteristics
    14. 6.14 LVCMOS Output Characteristics
    15. 6.15 HCSL Output Characteristics
    16. 6.16 LVDS DC-Coupled Output Characteristics
    17. 6.17 Programmable Differential AC-Coupled Output Characteristics
    18. 6.18 Output Skew and Delay Characteristics
    19. 6.19 Output Synchronization Characteristics
    20. 6.20 Timing Characteristics
    21. 6.21 I2C-Compatible Serial Interface Characteristics (SDA/GPIO2, SCL/GPIO3)
    22. 6.22 Timing Requirements, I2C-Compatible Serial Interface (SDA/GPIO2, SCL/GPIO3)
    23. 6.23 Power Supply Characteristics
    24. 6.24 Typical Characteristics
  8. Parameter Measurement Information
    1. 7.1 Parameters
      1. 7.1.1 Reference Inputs
      2. 7.1.2 Outputs
      3. 7.1.3 Serial Interface
      4. 7.1.4 Power Supply
  9. Detailed Description
    1. 8.1 Overview
    2. 8.2 Functional Block Diagram
    3. 8.3 Feature Description
      1. 8.3.1 Reference Block
        1. 8.3.1.1 Input Stages
          1. 8.3.1.1.1 Crystal Oscillator
          2. 8.3.1.1.2 LVCMOS
          3. 8.3.1.1.3 Differential AC-Coupled
        2. 8.3.1.2 Reference Mux
        3. 8.3.1.3 Reference Divider
          1. 8.3.1.3.1 Doubler
        4. 8.3.1.4 Bypass-Mux
        5. 8.3.1.5 Zero Delay, Internal and External Path
      2. 8.3.2 Phase-Locked Loop
      3. 8.3.3 Clock Distribution
        1. 8.3.3.1 Output Channel
        2. 8.3.3.2 Divider Glitch-Less Update
      4. 8.3.4 Control Pins
        1. 8.3.4.1 Global and Individual Output Enable: OE and OE_Y[4:1]
      5. 8.3.5 Operation Modes
      6. 8.3.6 Divider Synchronization - SYNC
      7. 8.3.7 EEPROM - Cyclic Redundancy Check
      8. 8.3.8 Power Supplies
        1. 8.3.8.1 Power Management
    4. 8.4 Device Functional Modes
      1. 8.4.1 Pin Mode
      2. 8.4.2 Serial Interface Mode
        1. 8.4.2.1 Fall-Back Mode
    5. 8.5 Programming
      1. 8.5.1 Recommended Programming Procedure
      2. 8.5.2 EEPROM Access
      3. 8.5.3 Device Defaults
  10. Application and Implementation
    1. 9.1 Application Information
    2. 9.2 Typical Applications
      1. 9.2.1 Design Requirements
      2. 9.2.2 Detailed Design Procedure
      3. 9.2.3 Application Curves
    3. 9.3 Do's and Don'ts
    4. 9.4 Initialization Setup
    5. 9.5 Power Supply Recommendations
      1. 9.5.1 Power-Up Sequence
      2. 9.5.2 De-Coupling
    6. 9.6 Layout
      1. 9.6.1 Layout Guidelines
      2. 9.6.2 Layout Examples
  11. 10Register Maps
    1. 10.1 CDCI6214 Registers
    2. 10.2 EEPROM Map
  12. 11Device and Documentation Support
    1. 11.1 Device Support
      1. 11.1.1 Development Support
      2. 11.1.2 Device Nomenclature
    2. 11.2 接收文档更新通知
    3. 11.3 支持资源
    4. 11.4 Trademarks
    5. 11.5 静电放电警告
    6. 11.6 术语表
  13. 12Revision History
  14. 13Mechanical, Packaging, and Orderable Information

封装选项

请参考 PDF 数据表获取器件具体的封装图。

机械数据 (封装 | 引脚)
  • RGE|24
散热焊盘机械数据 (封装 | 引脚)
订购信息

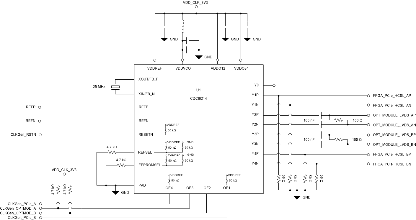
Typical Applications

GUID-5345D8F1-EF23-4FCD-980C-C3DC73DDAE94-low.gifFigure 9-1 Typical Serial Interface Application Schematic
GUID-C6600DAD-F596-4B37-9B15-4842295B4C9D-low.gif Figure 9-2 Typical Individual Output Enable Application Schematic