ZHCSU48 December   2023 BQ76972

PRODUCTION DATA  

  1.   1
  2. 特性
  3. 应用
  4. 说明
  5. 器件比较表
  6. 引脚配置和功能
  7. 规格
    1. 6.1  绝对最大额定值
    2. 6.2  ESD 等级
    3. 6.3  建议运行条件
    4. 6.4  热性能信息 BQ76952
    5. 6.5  电源电流
    6. 6.6  数字 I/O
    7. 6.7  LD 引脚
    8. 6.8  预充电 (PCHG) 和预放电 (PDSG) FET 驱动器
    9. 6.9  FUSE 引脚功能
    10. 6.10 REG18 LDO
    11. 6.11 REG0 前置稳压器
    12. 6.12 REG1 LDO
    13. 6.13 REG2 LDO
    14. 6.14 电压基准
    15. 6.15 库仑计
    16. 6.16 库仑计数字滤波器 (CC1)
    17. 6.17 电流测量数字滤波器 (CC2)
    18. 6.18 电流唤醒检测器
    19. 6.19 模数转换器
    20. 6.20 电芯电压测量精度
    21. 6.21 Cell Balancing
    22. 6.22 电芯开路保护器
    23. 6.23 内部温度传感器
    24. 6.24 热敏电阻测量
    25. 6.25 内部振荡器
    26. 6.26 高侧 NFET 驱动器
    27. 6.27 基于比较器的保护子系统
    28. 6.28 时序要求 - I2C 接口,100kHz 模式
    29. 6.29 时序要求 - I2C 接口,400kHz 模式
    30. 6.30 时序要求 - HDQ 接口
    31. 6.31 时序要求 - SPI 接口
    32. 6.32 接口时序图
    33. 6.33 典型特性
  8. 详细说明
    1. 7.1  概述
    2. 7.2  功能方框图
    3. 7.3  BQ76972 器件版本
    4. 7.4  诊断
    5. 7.5  器件配置
      1. 7.5.1 命令和子命令
      2. 7.5.2 使用 OTP 或寄存器进行配置
      3. 7.5.3 器件安全性
      4. 7.5.4 暂存存储器
    6. 7.6  测量子系统
      1. 7.6.1  电压测量
        1. 7.6.1.1 电压测量时间表
        2. 7.6.1.2 电芯与互连的 VC 引脚使用
        3. 7.6.1.3 SLEEP 模式下的电芯 1 电压验证
      2. 7.6.2  通用的 ADCIN 功能
      3. 7.6.3  库仑计数器和数字滤波器
      4. 7.6.4  同步电压和电流测量
      5. 7.6.5  内部温度测量
      6. 7.6.6  热敏电阻温度测量
      7. 7.6.7  电压 ADC 的出厂修整
      8. 7.6.8  电芯电压测量精度
        1. 7.6.8.1 固定偏移调整
        2. 7.6.8.2 电芯偏移校准
      9. 7.6.9  电压校准(ADC 测量)
      10. 7.6.10 电压校准(COV 保护和 CUV 保护)
      11. 7.6.11 电流校准
      12. 7.6.12 温度校准
    7. 7.7  初级和次级保护子系统
      1. 7.7.1 保护概述
      2. 7.7.2 初级保护
      3. 7.7.3 次级保护
      4. 7.7.4 高侧 NFET 驱动器
      5. 7.7.5 保护 FET 配置和控制
        1. 7.7.5.1 FET 配置
        2. 7.7.5.2 预充电和预放电模式
      6. 7.7.6 负载检测功能
    8. 7.8  器件硬件特性
      1. 7.8.1  电压基准
      2. 7.8.2  ADC 多路复用器
      3. 7.8.3  LDO
        1. 7.8.3.1 前置稳压器控制
        2. 7.8.3.2 REG1 和 REG2 LDO 控制
      4. 7.8.4  独立接口与主机接口
      5. 7.8.5  多功能引脚控制
      6. 7.8.6  RST_SHUT 引脚运行
      7. 7.8.7  CFETOFF、DFETOFF 和 BOTHOFF 引脚功能
      8. 7.8.8  ALERT 引脚运行
      9. 7.8.9  DDSG 和 DCHG 引脚运行
      10. 7.8.10 保险丝驱动
      11. 7.8.11 电芯开路
      12. 7.8.12 低频振荡器
      13. 7.8.13 高频振荡器
    9. 7.9  器件功能模式
      1. 7.9.1 概述
      2. 7.9.2 NORMAL 模式
      3. 7.9.3 SLEEP 模式
      4. 7.9.4 DEEPSLEEP 模式
      5. 7.9.5 SHUTDOWN 模式
      6. 7.9.6 CONFIG_UPDATE 模式
    10. 7.10 串行通信接口
      1. 7.10.1 串行通信概述
      2. 7.10.2 I2C 通信
      3. 7.10.3 SPI 通信
        1. 7.10.3.1 SPI 协议
      4. 7.10.4 HDQ 通信
    11. 7.11 Cell Balancing
      1. 7.11.1 电芯均衡概述
  9. 应用和实施
    1. 8.1 应用信息
    2. 8.2 典型应用
      1. 8.2.1 设计要求(示例)
      2. 8.2.2 详细设计过程
      3. 8.2.3 应用性能图
      4. 8.2.4 校准过程
    3. 8.3 随机电芯连接支持
    4. 8.4 启动时序
    5. 8.5 FET 驱动器关断
    6. 8.6 未使用的引脚
    7. 8.7 电源要求
    8. 8.8 布局
      1. 8.8.1 布局指南
      2. 8.8.2 布局示例
  10. 器件和文档支持
    1. 9.1 文档支持
    2. 9.2 支持资源
    3. 9.3 商标
    4. 9.4 静电放电警告
    5. 9.5 术语表
  11. 10修订历史记录
  12. 11机械、封装和可订购信息

封装选项

机械数据 (封装 | 引脚)
散热焊盘机械数据 (封装 | 引脚)
订购信息

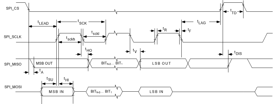
接口时序图


GUID-3C222E56-1887-46AC-B74C-4F7BBACD5606-low.gif

图 6-1 I2C 通信接口时序

GUID-AF001199-14F8-475F-B893-8F129D9C4A37-low.gif

图 6-2 SPI 通信接口时序

GUID-4A6877FB-7D62-41BC-8A3E-7F14115B9E73-low.gif

图 6-3 HDQ 通信接口时序