ZHCSEV8D March   2016  – January 2018 ADS131A02 , ADS131A04

PRODUCTION DATA.  

  1. 特性
  2. 应用
  3. 说明
    1.     简化框图
  4. 修订历史记录
  5. Device Comparison Table
  6. Pin Configuration and Functions
    1.     Pin Functions
  7. Specifications
    1. 7.1  Absolute Maximum Ratings
    2. 7.2  ESD Ratings
    3. 7.3  Recommended Operating Conditions
    4. 7.4  Thermal Information
    5. 7.5  Electrical Characteristics
    6. 7.6  Timing Requirements: Asynchronous Interrupt Interface Mode
    7. 7.7  Switching Characteristics: Asynchronous Interrupt Interface Mode
    8. 7.8  Timing Requirements: Synchronous Master Interface Mode
    9. 7.9  Switching Characteristics: Synchronous Master Interface Mode
    10. 7.10 Timing Requirements: Synchronous Slave Interface Mode
    11. 7.11 Switching Characteristics: Synchronous Slave Interface Mode
    12. 7.12 Typical Characteristics
  8. Parameter Measurement Information
    1. 8.1 Noise Measurements
  9. Detailed Description
    1. 9.1 Overview
    2. 9.2 Functional Block Diagram
    3. 9.3 Feature Description
      1. 9.3.1 Clock
        1. 9.3.1.1 XTAL1/CLKIN and XTAL2
        2. 9.3.1.2 ICLK
        3. 9.3.1.3 MODCLK
        4. 9.3.1.4 Data Rate
      2. 9.3.2 Analog Input
      3. 9.3.3 Input Overrange and Underrange Detection
      4. 9.3.4 Reference
      5. 9.3.5 ΔΣ Modulator
      6. 9.3.6 Digital Decimation Filter
      7. 9.3.7 Watchdog Timer
    4. 9.4 Device Functional Modes
      1. 9.4.1 Low-Power and High-Resolution Mode
      2. 9.4.2 Power-Up
      3. 9.4.3 Standby and Wake-Up Mode
      4. 9.4.4 Conversion Mode
      5. 9.4.5 Reset (RESET)
    5. 9.5 Programming
      1. 9.5.1 Interface Protocol
        1. 9.5.1.1 Device Word Length
        2. 9.5.1.2 Fixed versus Dynamic-Frame Mode
        3. 9.5.1.3 Command Word
        4. 9.5.1.4 Status Word
        5. 9.5.1.5 Data Words
        6. 9.5.1.6 Cyclic Redundancy Check (CRC)
          1. 9.5.1.6.1 Computing the CRC
        7. 9.5.1.7 Hamming Code Error Correction
      2. 9.5.2 SPI Interface
        1. 9.5.2.1 Asynchronous Interrupt Mode
          1. 9.5.2.1.1 Chip Select (CS)
          2. 9.5.2.1.2 Serial Clock (SCLK)
          3. 9.5.2.1.3 Data Input (DIN)
          4. 9.5.2.1.4 Data Output (DOUT)
          5. 9.5.2.1.5 Data Ready (DRDY)
          6. 9.5.2.1.6 Asynchronous Interrupt Mode Data Retrieval
        2. 9.5.2.2 Synchronous Master Mode
          1. 9.5.2.2.1 Serial Clock (SCLK)
          2. 9.5.2.2.2 Data Input (DIN)
          3. 9.5.2.2.3 Data Output (DOUT)
          4. 9.5.2.2.4 Data Ready (DRDY)
          5. 9.5.2.2.5 Chip Select (CS)
          6. 9.5.2.2.6 Synchronous Master Mode Data Retrieval
        3. 9.5.2.3 Synchronous Slave Mode
          1. 9.5.2.3.1 Chip Select (CS)
          2. 9.5.2.3.2 Serial Clock (SCLK)
          3. 9.5.2.3.3 Data Input (DIN)
          4. 9.5.2.3.4 Data Output (DOUT)
          5. 9.5.2.3.5 Data Ready (DRDY)
          6. 9.5.2.3.6 Synchronous Slave Mode Data Retrieval
        4. 9.5.2.4 ADC Frame Complete (DONE)
      3. 9.5.3 SPI Command Definitions
        1. 9.5.3.1  NULL: Null Command
        2. 9.5.3.2  RESET: Reset to POR Values
        3. 9.5.3.3  STANDBY: Enter Standby Mode
        4. 9.5.3.4  WAKEUP: Exit STANDBY Mode
        5. 9.5.3.5  LOCK: Lock ADC Registers
        6. 9.5.3.6  UNLOCK: Unlock ADC Registers
          1. 9.5.3.6.1 UNLOCK from POR or RESET
        7. 9.5.3.7  RREG: Read a Single Register
        8. 9.5.3.8  RREGS: Read Multiple Registers
        9. 9.5.3.9  WREG: Write Single Register
        10. 9.5.3.10 WREGS: Write Multiple Registers
    6. 9.6 Register Maps
      1. 9.6.1 User Register Description
        1. 9.6.1.1  ID_MSB: ID Control Register MSB (address = 00h) [reset = xxh]
          1. Table 16. ID_MSB Register Field Descriptions
        2. 9.6.1.2  ID_LSB: ID Control Register LSB (address = 01h) [reset = xxh]
          1. Table 17. ID_LSB Register Field Descriptions
        3. 9.6.1.3  STAT_1: Status 1 Register (address = 02h) [reset = 00h]
          1. Table 18. STAT_1 Register Field Descriptions
        4. 9.6.1.4  STAT_P: Positive Input Fault Detect Status Register (address = 03h) [reset = 00h]
          1. Table 19. STAT_P Register Field Descriptions
        5. 9.6.1.5  STAT_N: Negative Input Fault Detect Status Register (address = 04h) [reset = 00h]
          1. Table 20. STAT_N Register Field Descriptions
        6. 9.6.1.6  STAT_S: SPI Status Register (address = 05h) [reset = 00h]
          1. Table 21. STAT_S Register Field Descriptions
        7. 9.6.1.7  ERROR_CNT: Error Count Register (address = 06h) [reset = 00h]
          1. Table 22. ERROR_CNT Register Field Descriptions
        8. 9.6.1.8  STAT_M2: Hardware Mode Pin Status Register (address = 07h) [reset = xxh]
          1. Table 23. STAT_M2 Register Field Descriptions
        9. 9.6.1.9  Reserved Registers (address = 08h to 0Ah) [reset = 00h]
          1. Table 24. Reserved Registers Field Descriptions
        10. 9.6.1.10 A_SYS_CFG: Analog System Configuration Register (address = 0Bh) [reset = 60h]
          1. Table 25. A_SYS_CFG Register Field Descriptions
        11. 9.6.1.11 D_SYS_CFG: Digital System Configuration Register (address = 0Ch) [reset = 3Ch]
          1. Table 27. D_SYS_CFG Register Field Descriptions
        12. 9.6.1.12 CLK1: Clock Configuration 1 Register (address = 0Dh) [reset = 08h]
          1. Table 28. CLK1 Register Field Descriptions
        13. 9.6.1.13 CLK2: Clock Configuration 2 Register (address = 0Eh) [reset = 86h]
          1. Table 29. CLK2 Register Field Descriptions
        14. 9.6.1.14 ADC_ENA: ADC Channel Enable Register (address = 0Fh) [reset = 00h]
          1. Table 31. ADC_ENA Register Field Descriptions
        15. 9.6.1.15 Reserved Register (address = 10h) [reset = 00h]
          1. Table 32. Reserved Register Field Descriptions
      2. 9.6.2 ADCx: ADC Channel Digital Gain Configuration Registers (address = 11h to 14h) [reset = 00h]
        1. Table 33. ADCx Registers Field Descriptions
  10. 10Application and Implementation
    1. 10.1 Application Information
      1. 10.1.1 Unused Inputs and Outputs
      2. 10.1.2 Power Monitoring Specific Applications
      3. 10.1.3 Multiple Device Configuration
        1. 10.1.3.1 First Device Configured in Asynchronous Interrupt Mode
        2. 10.1.3.2 First Device Configured in Synchronous Master Mode
        3. 10.1.3.3 All Devices Configured in Synchronous Slave Mode
    2. 10.2 Typical Application
      1. 10.2.1 Design Requirements
      2. 10.2.2 Detailed Design Procedure
      3. 10.2.3 Application Curve
    3. 10.3 Do's and Don'ts
    4. 10.4 Initialization Set Up
  11. 11Power Supply Recommendations
    1. 11.1 Negative Charge Pump
    2. 11.2 Internal Digital LDO
    3. 11.3 Power-Supply Sequencing
    4. 11.4 Power-Supply Decoupling
  12. 12Layout
    1. 12.1 Layout Guidelines
    2. 12.2 Layout Example
  13. 13器件和文档支持
    1. 13.1 文档支持
      1. 13.1.1 相关文档
    2. 13.2 相关链接
    3. 13.3 接收文档更新通知
    4. 13.4 社区资源
    5. 13.5 商标
    6. 13.6 静电放电警告
    7. 13.7 Glossary
  14. 14机械、封装和可订购信息

封装选项

机械数据 (封装 | 引脚)
散热焊盘机械数据 (封装 | 引脚)
订购信息

Analog Input

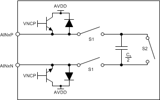
The ADS131A0x analog inputs are directly connected to the switched-capacitor sampling network of the ΔΣ modulator without a multiplexer or integrated buffer. The device inputs are measured differentially (VIN = VAINxP – VAINxN) and can span from –VREF / Gain to VREF / Gain. Figure 38 shows a conceptual diagram of the modulator circuit charging and discharging the sampling capacitor through switches, although the actual implementation is slightly different. The timing for switches S1 and S2, as shown in Figure 37, are 180 degrees out-of-phase of one another.

ADS131A02 ADS131A04 ai_s1-s2_tim_sbas590.gifFigure 37. S1 and S2 Switch Timing

Electrostatic discharge (ESD) circuitry protects the inputs. Figure 38 shows a simplified representation of the ESD circuit. Protection for input voltages exceeding AVDD can be modeled as a simple diode.

The negative charge pump voltage, VNCP, controls the voltage at which the low-side protection devices begin conducting. Tie VNCP to AVSS if the charge pump is not used to ensure the clamping voltage is properly set. The charge pump cannot provide a large amount of current. The mechanism shown in Figure 38 ensures current provided by the charge pump is limited in the case of an overvoltage event.

ADS131A02 ADS131A04 ai_equivalent_ckt_sbas850.gifFigure 38. Equivalent Analog Input Circuitry

To prevent the ESD diodes from being enabled, the absolute voltage on any input must stay within the range provided by Equation 3 when the internal charge pump is disabled and within the range in Equation 4 when the internal charge pump is enabled:

Equation 3. AVSS – 0.3 V < VAINxP or VAINxN< AVDD + 0.3 V
Equation 4. AVSS – 1.65 V < VAINxP or VAINxN< AVDD + 0.3 V

If the voltages on the input pins have any potential to violate these conditions, external clamp diodes or series resistors may be required to limit the input currents to safe values (see the Absolute Maximum Ratings table).

The charging of the input capacitors draws a transient current from the sensor driving the ADS131A0x inputs. The average value of this current can be used to calculate an effective impedance of ZIN, where ZIN = VIN / IAVERAGE. This effective input impedance is a function of the modulator sampling frequency and Equation 5 can be used to calculate an estimate value. When using fMOD = 4.096 MHz, the input impedance is approximately 130 kΩ.

Equation 5. ADS131A02 ADS131A04 eq_ai_impedance_sbas590.gif

where

  • fMOD = modulator clock and
  • CS = 3.5 pF

There are two general methods of driving the ADS131A0x analog inputs, as shown in Figure 39: pseudo-differential or fully-differential.

ADS131A02 ADS131A04 ai_drv_methods_sbas705.gifFigure 39. Pseudo-Differential and Fully-Differential Inputs

To apply a pseudo-differential signal to the fully-differential inputs, apply a dc voltage to AINxN, preferably to the analog mid-supply [(AVDD + AVSS) / 2] or [(AVDD + VNCP) / 2] when the negative charge pump is enabled. The AINxP pins can swing between –VREF / Gain to VREF / Gain (as shown in Figure 40) around the common voltage. The common-mode voltage, VCM, changes with VAINxP.

Configure the signals at AINxP and AINxN to be 180° out-of-phase centered around a common-mode voltage to use a fully-differential input method. Both the AINxP and AINxN inputs swing from VCM +½ VREF / Gain to VCM –½ VREF / Gain, as shown in Figure 41. The differential voltage at the maximum and minimum points is equal to VREF / Gain to –VREF / Gain, respectively. The VCM voltage remains fixed when AINxP and AINxN swing. Use the ADS131A0x in a differential configuration to maximize the dynamic range of the data converter. For optimal performance, the VCM is recommended to be set at the midpoint of the analog supplies.

Tie any unused analog input channels directly to AVSS.

ADS131A02 ADS131A04 VCM_PseudoDifferential_sbas590.gifFigure 40. Pseudo-Differential Input Mode
ADS131A02 ADS131A04 VCM_FullyDifferential_sbas590.gifFigure 41. Fully-Differential Input Mode