ZHCSES1B March   2016  – October 2018 ADS1282-SP

PRODUCTION DATA.  

  1. 特性
  2. 应用
  3. 说明
    1.     Device Images
      1.      简化原理图
  4. 修订历史记录
  5. (说明 (续))
  6. Pin Configuration and Functions
    1.     Pin Functions
  7. Specifications
    1. 7.1  Absolute Maximum Ratings
    2. 7.2  ESD Ratings
    3. 7.3  Recommended Operating Conditions
    4. 7.4  Thermal Information
    5. 7.5  Electrical Characteristics
    6. 7.6  Timing Requirements
    7. 7.7  Pulse-Sync Timing Requirements
    8. 7.8  Reset Timing Requirements
    9. 7.9  Read Data Timing Requirements
    10. 7.10 Switching Characteristics
    11. 7.11 Typical Characteristics
  8. Detailed Description
    1. 8.1 Overview
    2. 8.2 Functional Block Diagram
    3. 8.3 Feature Description
      1. 8.3.1  Noise Performance
      2. 8.3.2  Input-Referred Noise
      3. 8.3.3  Idle Tones
      4. 8.3.4  Operating Mode
      5. 8.3.5  Analog Inputs and Multiplexer
      6. 8.3.6  PGA (Programmable Gain Amplifier)
      7. 8.3.7  ADC
      8. 8.3.8  Modulator
      9. 8.3.9  Modulator Over-Range
      10. 8.3.10 Modulator Input Impedance
      11. 8.3.11 Modulator Over-Range Detection (MFLAG)
      12. 8.3.12 Voltage Reference Inputs (VREFP, VREFN)
      13. 8.3.13 Digital Filter
        1. 8.3.13.1 Sinc Filter Stage (Sinx/X)
        2. 8.3.13.2 FIR Stage
        3. 8.3.13.3 Group Delay and Step Response
          1. 8.3.13.3.1 Linear Phase Response
          2. 8.3.13.3.2 Minimum Phase Response
        4. 8.3.13.4 HPF Stage
      14. 8.3.14 Master Clock Input (CLK)
      15. 8.3.15 Synchronization (SYNC Pin and Sync Command)
      16. 8.3.16 Pulse-Sync Mode
      17. 8.3.17 Continuous-Sync Mode
      18. 8.3.18 Reset (RESET Pin and Reset Command)
      19. 8.3.19 Power-Down (PWDN Pin and Standby Command)
      20. 8.3.20 Power-On Sequence
      21. 8.3.21 Serial Interface
        1. 8.3.21.1 Serial Clock (SCLK)
        2. 8.3.21.2 Data Input (DIN)
        3. 8.3.21.3 Data Output (DOUT)
        4. 8.3.21.4 Data Ready (DRDY)
      22. 8.3.22 Data Format
      23. 8.3.23 Reading Data
        1. 8.3.23.1 Read Data Continuous
        2. 8.3.23.2 Read Data by Command
      24. 8.3.24 One-Shot Operation
    4. 8.4 Device Functional Modes
      1. 8.4.1 Modulator Output Mode
    5. 8.5 Programming
      1. 8.5.1 Commands
        1. 8.5.1.1  WAKEUP: Wake-Up from Standby Mode
        2. 8.5.1.2  STANDBY: Standby Mode
        3. 8.5.1.3  SYNC: Synchronize the A/D Conversion
        4. 8.5.1.4  RESET: Reset the Device
        5. 8.5.1.5  RDATAC: Read Data Continuous
        6. 8.5.1.6  SDATAC: Stop Read Data Continuous
        7. 8.5.1.7  RDATA: Read Data By Command
        8. 8.5.1.8  RREG: Read Register Data
        9. 8.5.1.9  WREG: Write to Register
        10. 8.5.1.10 OFSCAL: Offset Calibration
        11. 8.5.1.11 GANCAL: Gain Calibration
      2. 8.5.2 Calibration Commands
        1. 8.5.2.1 OFSCAL Command
        2. 8.5.2.2 GANCAL Command
      3. 8.5.3 User Calibration
      4. 8.5.4 Configuration Guide
    6. 8.6 Register Maps
      1. 8.6.1 ADS1282-SP Register Map Information
      2. 8.6.2 ID Register
        1. Table 13. ID Register Field Descriptions
      3. 8.6.3 Configuration Registers
        1. 8.6.3.1 Configuration Register 0
          1. Table 14. Configuration Register 0 Field Descriptions
        2. 8.6.3.2 Configuration Register 1
          1. Table 15. Configuration Register 1 Field Descriptions
      4. 8.6.4 HPF1 and HPF0
        1. 8.6.4.1 High-Pass Filter Corner Frequency, Low Byte
        2. 8.6.4.2 High-Pass Filter Corner Frequency, High Byte
      5. 8.6.5 OFC2, OFC1, OFC0
        1. 8.6.5.1 Offset Calibration, Low Byte
        2. 8.6.5.2 Offset Calibration, Mid Byte
        3. 8.6.5.3 Offset Calibration, High Byte
      6. 8.6.6 FSC2, FSC1, FSC0
        1. 8.6.6.1 Full-Scale Calibration, Low Byte
        2. 8.6.6.2 Full-Scale Calibration, Mid Byte
        3. 8.6.6.3 Full-Scale Calibration, High Byte
      7. 8.6.7 Offset and Full-Scale Calibration Registers
        1. 8.6.7.1 OFC[2:0] Registers
        2. 8.6.7.2 FSC[2:0] Registers
  9. Application and Implementation
    1. 9.1 Application Information
    2. 9.2 Typical Application
      1. 9.2.1 Thermocouple Temperature Sensing Application
        1. 9.2.1.1 Design Requirements
        2. 9.2.1.2 Detailed Design Procedure
      2. 9.2.2 Digital Connection to a Field Programmable Gate Array (FPGA) Device Typical Application
        1. 9.2.2.1 Design Requirements
        2. 9.2.2.2 Detailed Design Procedure
  10. 10Power Supply Recommendations
  11. 11Layout
    1. 11.1 Layout Guidelines
    2. 11.2 Layout Example
  12. 12器件和文档支持
    1. 12.1 器件支持
      1. 12.1.1 HPF 传递函数
    2. 12.2 接收文档更新通知
    3. 12.3 社区资源
    4. 12.4 商标
    5. 12.5 静电放电警告
    6. 12.6 术语表
  13. 13机械、封装和可订购信息

封装选项

机械数据 (封装 | 引脚)
散热焊盘机械数据 (封装 | 引脚)
订购信息

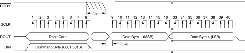
Read Data by Command

The Read Data Continuous mode is stopped by the SDATAC command. In this mode, conversion data are read by command. In the Read Data By Command mode, a read data command must be sent to the device for each data conversion (as shown in Figure 55). When the read data command is received (on the eighth SCLK rising edge), data are available to read only when DRDY goes low (tDR). When DRDY goes low, conversion data appear on DOUT. The data may be read on the rising edge of SCLK.

ADS1282-SP ai_rd_cont_bas418.gifFigure 54. Read Data Continuous
ADS1282-SP ai_rd_comm_bas418.gifFigure 55. Read Data By Command, Rdata (TDDPD Timing Is Given In Read Data Timing Requirements)