ZHCSHT7G April   2019  – April 2025 ADC12DJ5200RF

PRODUCTION DATA  

  1.   1
  2. 特性
  3. 应用
  4. 说明
  5. Pin Configuration and Functions
  6. Specifications
    1. 5.1  Absolute Maximum Ratings
    2. 5.2  ESD Ratings
    3. 5.3  Recommended Operating Conditions
    4. 5.4  Thermal Information
    5. 5.5  Electrical Characteristics: DC Specifications
    6. 5.6  Electrical Characteristics: Power Consumption
    7. 5.7  Electrical Characteristics: AC Specifications (Dual-Channel Mode)
    8. 5.8  Electrical Characteristics: AC Specifications (Single-Channel Mode)
    9. 5.9  Timing Requirements
    10. 5.10 Switching Characteristics
    11. 5.11 Typical Characteristics
  7. Detailed Description
    1. 6.1 Overview
    2. 6.2 Functional Block Diagram
    3. 6.3 Feature Description
      1. 6.3.1  Device Comparison
      2. 6.3.2  Analog Inputs
        1. 6.3.2.1 Analog Input Protection
        2. 6.3.2.2 Full-Scale Voltage (VFS) Adjustment
        3. 6.3.2.3 Analog Input Offset Adjust
      3. 6.3.3  ADC Core
        1. 6.3.3.1 ADC Theory of Operation
        2. 6.3.3.2 ADC Core Calibration
        3. 6.3.3.3 Analog Reference Voltage
        4. 6.3.3.4 ADC Overrange Detection
        5. 6.3.3.5 Code Error Rate (CER)
      4. 6.3.4  Temperature Monitoring Diode
      5. 6.3.5  Timestamp
      6. 6.3.6  Clocking
        1. 6.3.6.1 Noiseless Aperture Delay Adjustment (tAD Adjust)
        2. 6.3.6.2 Aperture Delay Ramp Control (TAD_RAMP)
        3. 6.3.6.3 SYSREF Capture for Multi-Device Synchronization and Deterministic Latency
          1. 6.3.6.3.1 SYSREF Position Detector and Sampling Position Selection (SYSREF Windowing)
          2. 6.3.6.3.2 Automatic SYSREF Calibration
      7. 6.3.7  Programmable FIR Filter (PFIR)
        1. 6.3.7.1 Dual Channel Equalization
        2. 6.3.7.2 Single Channel Equalization
        3. 6.3.7.3 Time Varying Filter
      8. 6.3.8  Digital Down Converters (DDC)
        1. 6.3.8.1 Rounding and Saturation
        2. 6.3.8.2 Numerically-Controlled Oscillator and Complex Mixer
          1. 6.3.8.2.1 NCO Fast Frequency Hopping (FFH)
          2. 6.3.8.2.2 NCO Selection
          3. 6.3.8.2.3 Basic NCO Frequency Setting Mode
          4. 6.3.8.2.4 Rational NCO Frequency Setting Mode
          5. 6.3.8.2.5 NCO Phase Offset Setting
          6. 6.3.8.2.6 NCO Phase Synchronization
        3. 6.3.8.3 Decimation Filters
        4. 6.3.8.4 Output Data Format
        5. 6.3.8.5 Decimation Settings
          1. 6.3.8.5.1 Decimation Factor
          2. 6.3.8.5.2 DDC Gain Boost
      9. 6.3.9  JESD204C Interface
        1. 6.3.9.1 Transport Layer
        2. 6.3.9.2 Scrambler
        3. 6.3.9.3 Link Layer
        4. 6.3.9.4 8B/10B Link Layer
          1. 6.3.9.4.1 Data Encoding (8B/10B)
          2. 6.3.9.4.2 Multiframes and the Local Multiframe Clock (LMFC)
          3. 6.3.9.4.3 Code Group Synchronization (CGS)
          4. 6.3.9.4.4 Initial Lane Alignment Sequence (ILAS)
          5. 6.3.9.4.5 Frame and Multiframe Monitoring
        5. 6.3.9.5 64B/66B Link Layer
          1. 6.3.9.5.1 64B/66B Encoding
          2. 6.3.9.5.2 Multiblocks, Extended Multiblocks and the Local Extended Multiblock Clock (LEMC)
          3. 6.3.9.5.3 Block, Multiblock and Extended Multiblock Alignment using Sync Header
            1. 6.3.9.5.3.1 Cyclic Redundancy Check (CRC) Mode
            2. 6.3.9.5.3.2 Forward Error Correction (FEC) Mode
          4. 6.3.9.5.4 Initial Lane Alignment
          5. 6.3.9.5.5 Block, Multiblock and Extended Multiblock Alignment Monitoring
        6. 6.3.9.6 Physical Layer
          1. 6.3.9.6.1 SerDes Pre-Emphasis
        7. 6.3.9.7 JESD204C Enable
        8. 6.3.9.8 Multi-Device Synchronization and Deterministic Latency
        9. 6.3.9.9 Operation in Subclass 0 Systems
      10. 6.3.10 Alarm Monitoring
        1. 6.3.10.1 Clock Upset Detection
        2. 6.3.10.2 FIFO Upset Detection
    4. 6.4 Device Functional Modes
      1. 6.4.1 Dual-Channel Mode
      2. 6.4.2 Single-Channel Mode (DES Mode)
      3. 6.4.3 Dual-Input Single-Channel Mode (DUAL DES Mode)
      4. 6.4.4 JESD204C Modes
        1. 6.4.4.1 JESD204C Operating Modes Table
        2. 6.4.4.2 JESD204C Modes continued
        3. 6.4.4.3 JESD204C Transport Layer Data Formats
        4. 6.4.4.4 64B/66B Sync Header Stream Configuration
        5. 6.4.4.5 Dual DDC and Redundant Data Mode
      5. 6.4.5 Power-Down Modes
      6. 6.4.6 Test Modes
        1. 6.4.6.1 Serializer Test-Mode Details
        2. 6.4.6.2 PRBS Test Modes
        3. 6.4.6.3 Clock Pattern Mode
        4. 6.4.6.4 Ramp Test Mode
        5. 6.4.6.5 Short and Long Transport Test Mode
          1. 6.4.6.5.1 Short Transport Test Pattern
        6. 6.4.6.6 D21.5 Test Mode
        7. 6.4.6.7 K28.5 Test Mode
        8. 6.4.6.8 Repeated ILA Test Mode
        9. 6.4.6.9 Modified RPAT Test Mode
      7. 6.4.7 Calibration Modes and Trimming
        1. 6.4.7.1 Foreground Calibration Mode
        2. 6.4.7.2 Background Calibration Mode
        3. 6.4.7.3 Low-Power Background Calibration (LPBG) Mode
      8. 6.4.8 Offset Calibration
      9. 6.4.9 Trimming
    5. 6.5 Programming
      1. 6.5.1 Using the Serial Interface
        1. 6.5.1.1 SCS
        2. 6.5.1.2 SCLK
        3. 6.5.1.3 SDI
        4. 6.5.1.4 SDO
        5. 6.5.1.5 Streaming Mode
    6. 6.6 SPI Register Map
  8. Application Information Disclaimer
    1. 7.1 Application Information
    2. 7.2 Typical Applications
      1. 7.2.1 Wideband RF Sampling Receiver
        1. 7.2.1.1 Design Requirements
          1. 7.2.1.1.1 Input Signal Path
          2. 7.2.1.1.2 Clocking
        2. 7.2.1.2 Detailed Design Procedure
          1. 7.2.1.2.1 Calculating Values of AC-Coupling Capacitors
        3. 7.2.1.3 Application Curves
      2. 7.2.2 Reconfigurable Dual-Channel 5GSPS or Single-Channel 10-Gsps Oscilloscope
        1. 7.2.2.1 Design Requirements
          1. 7.2.2.1.1 Input Signal Path
          2. 7.2.2.1.2 Clocking
          3. 7.2.2.1.3 ADC12DJ5200RF Ososcilloscope Applications
        2. 7.2.2.2 Application Curves
    3. 7.3 Initialization Set Up
    4. 7.4 Power Supply Recommendations
      1. 7.4.1 Power Sequencing
    5. 7.5 Layout
      1. 7.5.1 Layout Guidelines
      2. 7.5.2 Layout Example
  9. Device and Documentation Support
    1. 8.1 Device Support
      1. 8.1.1 Development Support
    2. 8.2 Documentation Support
      1. 8.2.1 Related Documentation
    3. 8.3 Receiving Notification of Documentation Updates
    4. 8.4 Support Resources
    5. 8.5 Trademarks
    6. 8.6 静电放电警告
    7. 8.7 术语表
  10. Revision History
  11. 10Mechanical, Packaging, and Orderable Information

封装选项

机械数据 (封装 | 引脚)
散热焊盘机械数据 (封装 | 引脚)
订购信息

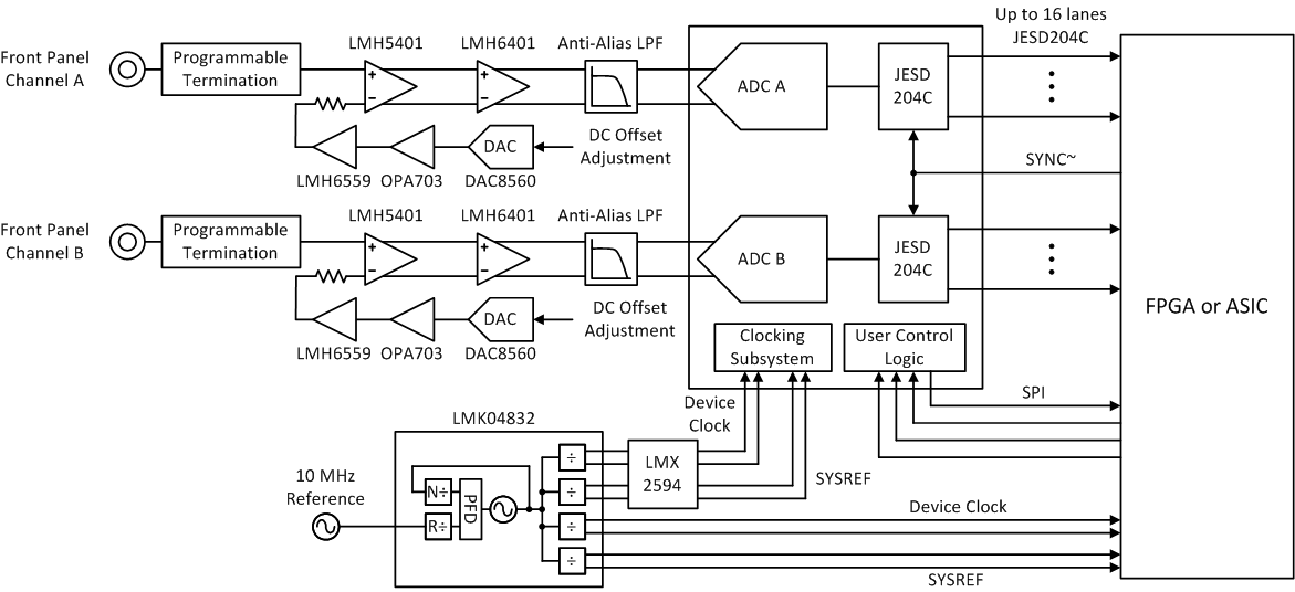
Reconfigurable Dual-Channel 5GSPS or Single-Channel 10-Gsps Oscilloscope

This section demonstrates the use of the device in a reconfigurable oscilloscope. The device is ideally suited for oscilloscope applications. The ability to tradeoff channel count and sampling speed allows designers to build flexible hardware to meet multiple needs. This flexibility saves development time and cost, allows hardware reuse for various projects and enables software upgrade paths for additional functionality. This section describes an oscilloscope that can operate as a dual-channel oscilloscope running at 5GSPS or can be reconfigured through SPI programming as a single-channel, 10GSPS oscilloscope. A reconfigurable setup allows users to trade off the number of channels and the sampling rate of the oscilloscope as needed without changing the hardware. Set the input bandwidth to the desired maximum signal bandwidth through the use of an antialiasing, low-pass filter. Digital filtering can then be used to reconfigure the analog bandwidth as required. For instance, the maximum bandwidth can be set to 2GHz for use during pulsed transient detection and then reconfigured to 100MHz through digital filtering for low-noise, power-supply ripple observation. Figure 7-5 shows the application block diagram.

ADC12DJ5200RF Typical
                    Configuration for Reconfigurable Oscilloscope Figure 7-5 Typical Configuration for Reconfigurable Oscilloscope