ZHCUA24A December   2006  – January 2022 TPS40075

 

  1.   商标
  2. 1引言
    1. 1.1 说明
    2. 1.2 应用
    3. 1.3 特性
  3. 2TPS40075EVM-001 电气性能规格
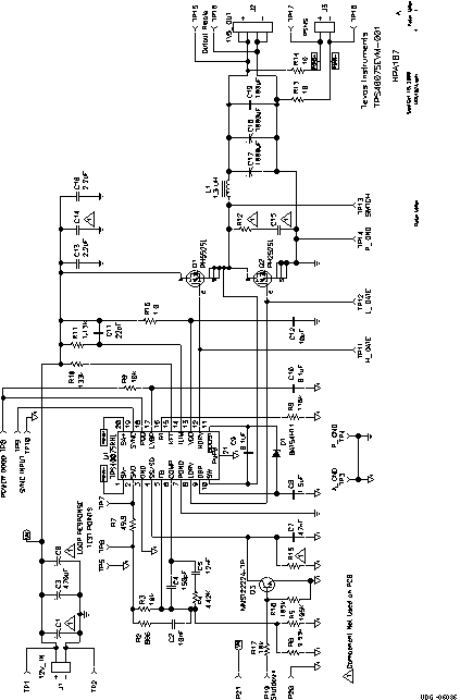
  4. 3原理图
    1. 3.1 调节输出电压(R5 和 R6)
    2. 3.2 使用遥感 (J3)
    3. 3.3 5V 输入工作电压(R10 和 R15)
    4. 3.4 启用
  5. 4测试设置
    1. 4.1 设备
      1. 4.1.1 电压源
      2. 4.1.2 仪表
      3. 4.1.3 负载
        1. 4.1.3.1 LOAD1
      4. 4.1.4 建议线规
        1. 4.1.4.1 V12V_IN 连接到 J1
        2. 4.1.4.2 J2 到 LOAD1(电源)
        3. 4.1.4.3 J3 到 LOAD1(遥感)
      5. 4.1.5 其他
        1. 4.1.5.1 风扇
        2. 4.1.5.2 示波器
    2. 4.2 设备设置
      1. 4.2.1 过程
      2. 4.2.2
    3. 4.3 启动/关断步骤
    4. 4.4 设备停机
  6. 5TPS40075EVM 典型性能数据和特性曲线
  7. 6EVM 装配图和布局
  8. 7物料清单
  9. 8修订历史记录

原理图

GUID-FA1BE84B-2423-4316-A0F8-F4C248F09D82-low.gif图 3-1 TPS40075EVM-001 功率级/控制原理图,仅供参考,请参阅表格 3 以了解具体值