ZHCU969 March   2022

 

  1.   ADCx120Q1EVM-PDK、PCMD3140Q1EVM-PDK 评估模块
  2.   商标
  3. 1引言
  4. 2硬件预览
    1. 2.1 AC-MB 设置
      1. 2.1.1 音频串行接口设置
        1. 2.1.1.1 USB
        2. 2.1.1.2 光学或辅助模拟音频输入
        3. 2.1.1.3 外部
      2. 2.1.2 AC-MB 电源
    2. 2.2 ADCx120Q1EVM-PDK 硬件设置
      1. 2.2.1 线路输入
      2. 2.2.2 板载麦克风配置
      3. 2.2.3 外部麦克风配置
  5. 3软件概述
    1. 3.1 PurePath Console 3 安装
    2. 3.2 ADCx120Q1EVM GUI 安装
      1. 3.2.1 软件设置
  6. 4GPIO1 设置
  7. 5主模式运行
  8. 6快速入门
    1. 6.1 为 I2S 输出配置音频串行总线
    2. 6.2 保存配置
  9. 7示意图和物料清单
    1. 7.1 ADCx120Q1EVM-PDK 原理图和物料清单
      1. 7.1.1 ADCx120Q1EVM-PDK 原理图
      2. 7.1.2 ADCx120Q1EVM-PDK 物料清单
    2. 7.2 AC-MB 原理图和物料清单
      1. 7.2.1 AC-MB 原理图
      2. 7.2.2 AC-MB 物料清单
    3. 7.3 Matlab 音频捕获示例

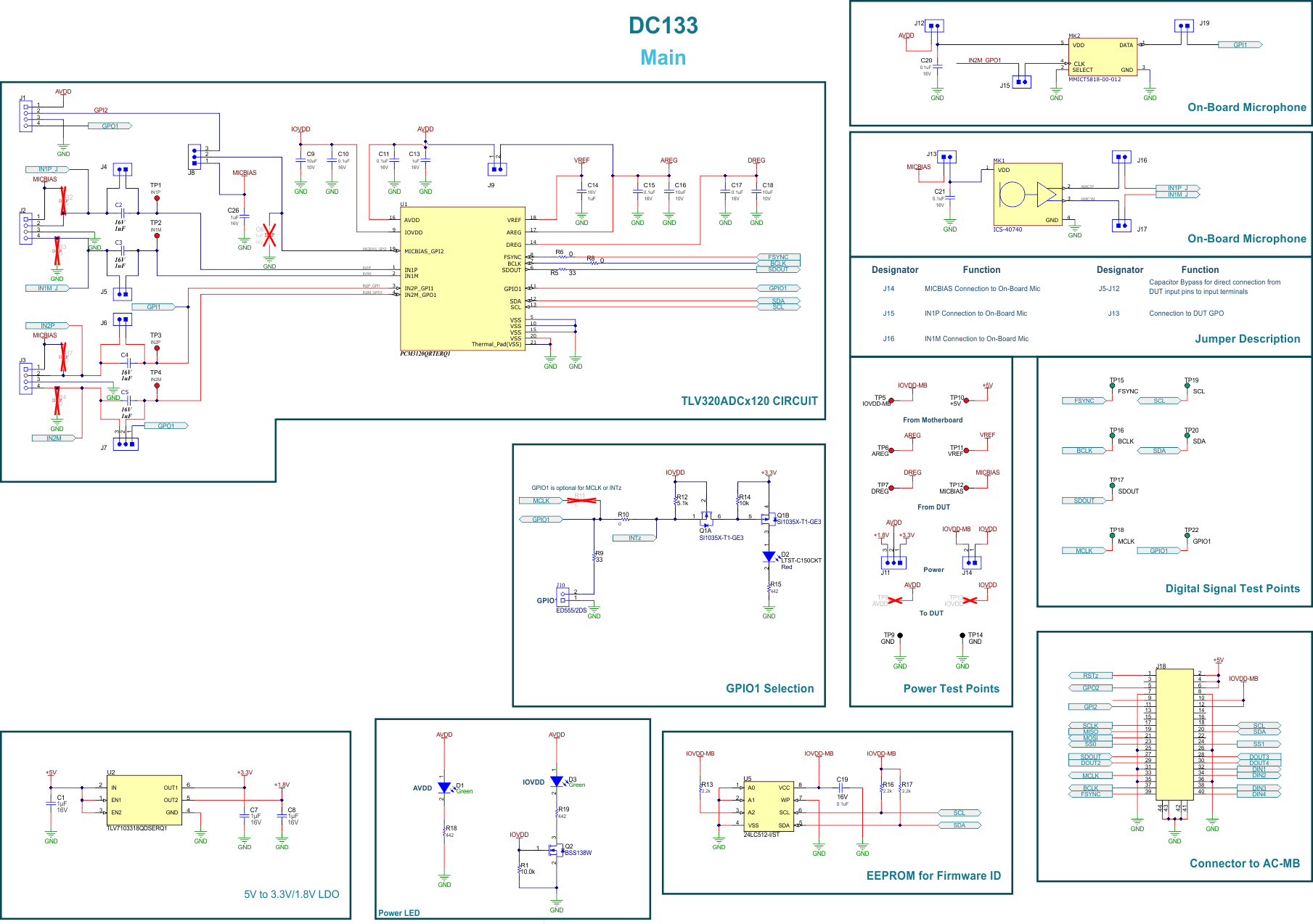
ADCx120Q1EVM-PDK 原理图

图 7-1 显示了 ADCx120Q1EVM-PDK 的原理图。

GUID-20220401-SS0I-GN5P-HWDF-68LDQRZCLX8Q-low.gif图 7-1 ADCx120Q1EVM-PDK 原理图