ZHCU762A March   2021  – March 2022

 

  1.   说明
  2.   资源
  3.   特性
  4.   应用
  5.   5
  6. 1系统说明
    1. 1.1 关键系统规格
  7. 2系统概要
    1. 2.1 方框图
    2. 2.2 设计注意事项
      1. 2.2.1 三相 ANPC 逆变器架构概述
      2. 2.2.2 LCL 滤波器设计
      3. 2.2.3 电源开关器件选择
      4. 2.2.4 GaN 功率级
      5. 2.2.5 电压感测
      6. 2.2.6 电流感测
      7. 2.2.7 系统电源
        1. 2.2.7.1 隔离式偏置电源
      8. 2.2.8 Si 栅极驱动器电路
  8. 3硬件、软件、测试要求和测试结果
    1. 3.1 硬件和软件要求
      1. 3.1.1 硬件
      2. 3.1.2 软件
    2. 3.2 用交流电阻负载测试 TIDA-010210
      1. 3.2.1 测试设置
      2. 3.2.2 试验结果
    3. 3.3 在 PFC 操作中测试 TIDA-010210
      1. 3.3.1 测试设置
      2. 3.3.2 试验结果
  9. 4设计和文档支持
    1. 4.1 设计文件
      1. 4.1.1 原理图
      2. 4.1.2 BOM
      3. 4.1.3 Altium 工程
      4. 4.1.4 Gerber 文件
      5. 4.1.5 装配图
    2. 4.2 工具与软件
    3. 4.3 支持资源
    4. 4.4 商标
  10. 5关于作者
  11. 6修订历史记录

隔离式偏置电源

若要为每个电源卡生成隔离式偏置电源,需使用 SN6501 变压器驱动器来驱动适合电源轨的变压器,目的是驱动每种类型的电路板中使用的特定电源开关器件,因为每个电路板有两个开关器件,而每个电路板有两个隔离式偏置电源。

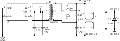
对于 TI 的 GaN 器件 LMG3410R050,需要一个 12V 输出。这是使用 SN6501 变压器驱动器和采用倍压器配置的 Würth Elektronik 750313638 变压器生成的,如图 2-13 中所示。

GUID-20210218-CA0I-WRRS-B7LJ-3VVQXWN23KNM-low.gif图 2-13 用于 GaN 电源板的 SN6501 偏置电压电源

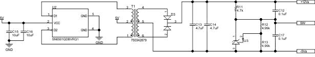
对于慢速开关 Si 电源板,使用 +12V、-5V 驱动器来驱动 FCH040N65S3 Si MOSFET。SN6501 变压器驱动器以及采用推挽式配置的 Würth Elektronik 750342879 变压器一同用于产生 17V 电源。基于 TL431 的电平转换电路将其转换为 +12V、-5V 电源。具体电路如图 2-14 所示。

GUID-20210218-CA0I-QNFB-JXTP-2BXDTKQCGWJR-low.gif图 2-14 用于 Si 电源板的 SN6501 偏置电压电源