ZHCU593A November   2018  – April 2022 TLV3601 , TLV3601-Q1 , TLV3603 , TLV3603-Q1

 

  1.   说明
  2.   资源
  3.   特性
  4.   应用
  5.   5
  6. 1系统说明
    1. 1.1 关键系统规格
  7. 2系统概述
    1. 2.1 方框图
    2. 2.2 设计注意事项
      1. 2.2.1 放大器和比较器
      2. 2.2.2 数字处理和控制
      3. 2.2.3 光学器件
        1. 2.2.3.1 激光驱动器和激光二极管
        2. 2.2.3.2 光电二极管
      4. 2.2.4 电源
    3. 2.3 重点产品
      1. 2.3.1 OPA858 运算放大器
      2. 2.3.2 TLV3501 和 TLV3601/3 高速比较器
      3. 2.3.3 TDC7201 时数转换器
    4. 2.4 系统设计原理
      1. 2.4.1 跨阻放大器
        1. 2.4.1.1 带宽
        2. 2.4.1.2 稳定性注意事项
        3. 2.4.1.3 噪声性能
      2. 2.4.2 飞行时间测量
      3. 2.4.3 仿真
        1. 2.4.3.1 带宽仿真
        2. 2.4.3.2 噪声仿真
        3. 2.4.3.3 OPA858 环路增益和相位裕度仿真
  8. 3硬件、软件、测试要求和测试结果
    1. 3.1 所需的硬件和软件
      1. 3.1.1 硬件
      2. 3.1.2 软件
    2. 3.2 测试和结果
      1. 3.2.1 测试设置
        1. 3.2.1.1 入门:系统设置
          1. 3.2.1.1.1 激光驱动器设置
          2. 3.2.1.1.2 接收器和光学设置
      2. 3.2.2 测试结果
        1. 3.2.2.1 验证和测量的性能
          1. 3.2.2.1.1 脉冲响应测量
            1. 3.2.2.1.1.1 脉冲响应稳定
            2. 3.2.2.1.1.2 脉冲响应和输出脉冲宽度
            3. 3.2.2.1.1.3 上升和下降时间
            4. 3.2.2.1.1.4 过驱动响应
          2. 3.2.2.1.2 飞行时间测试
          3. 3.2.2.1.3 飞行时间测量误差来源
  9. 4设计文件
    1. 4.1 原理图
    2. 4.2 物料清单
    3. 4.3 PCB 布局建议
      1. 4.3.1 布局图
    4. 4.4 Altium 项目
    5. 4.5 Gerber 文件
  10. 5相关文档
    1. 5.1 商标
  11. 6作者简介
  12. 7修订历史记录

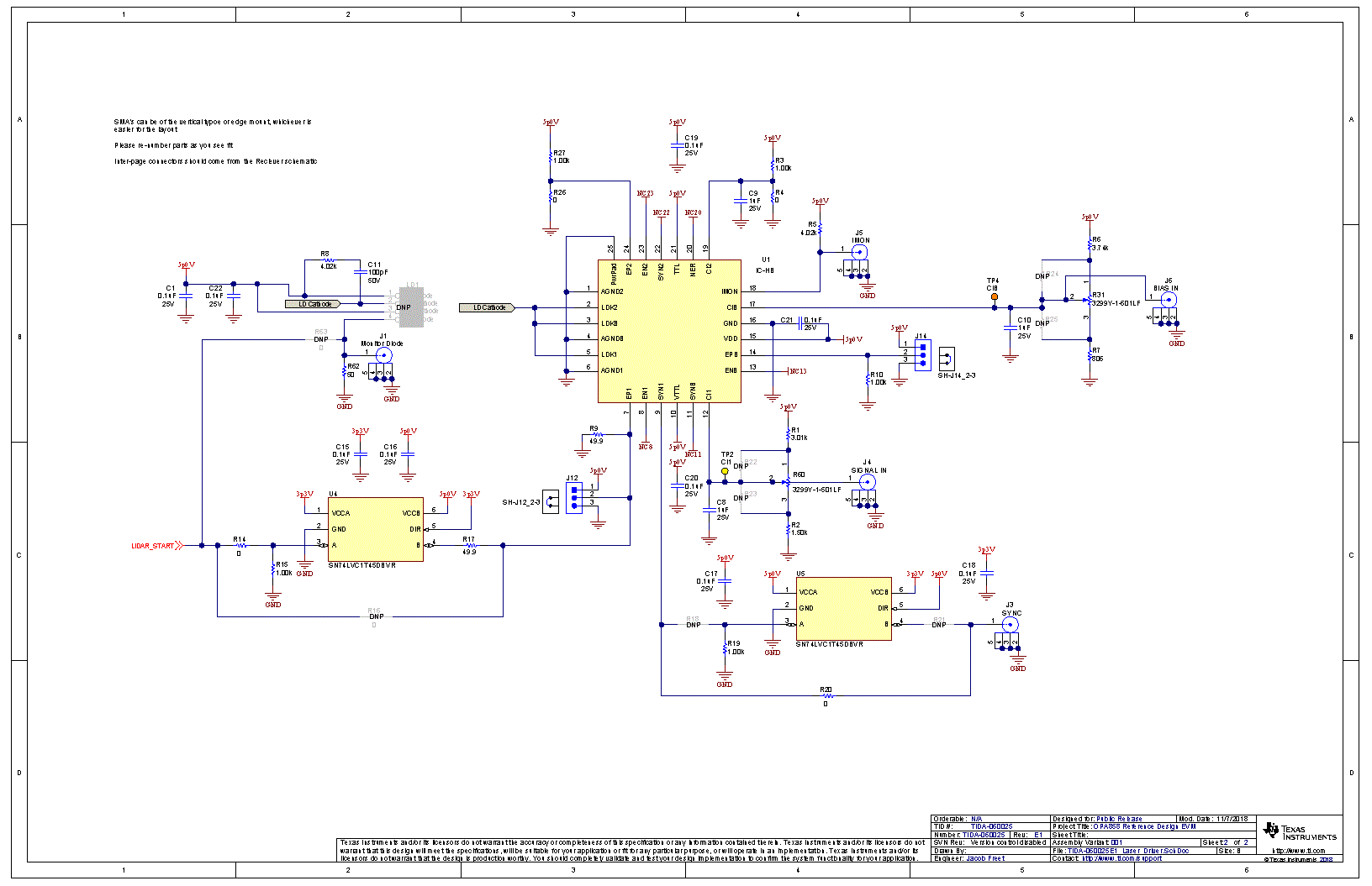
原理图

图 4-1图 4-2 展示了连接 MSP430 LaunchPad™ EVM 的参考设计 EVM 板原理图。

GUID-D9B52A19-94F8-42CC-ABFE-3B9973C48EC9-low.gif图 4-1 参考设计原理图第 1 页(Rx 路径)
GUID-108F8557-5E6B-461B-9164-7B15B3DAFABB-low.gif图 4-2 参考设计 EVM 原理图第 2 页(Tx 路径)

要下载原理图,请参阅 TIDA-060025 中的设计文件。