ZHCSZE5 December   2025 MSPM33C321A

ADVANCE INFORMATION  

  1.   1
  2. 特性
  3. 应用
  4. 说明
  5. 功能方框图
  6. 器件比较
  7. 引脚配置和功能
    1. 6.1 引脚图
    2. 6.2 引脚属性
      1.      10
    3. 6.3 信号说明
      1.      12
      2.      13
      3.      14
      4.      15
      5.      16
      6.      17
      7.      18
      8.      19
      9.      20
      10.      21
      11.      22
      12.      23
      13.      24
      14.      25
      15.      26
      16.      27
    4. 6.4 未使用引脚的连接
  8. 规格
    1. 7.1  绝对最大额定值
    2. 7.2  ESD 等级
    3. 7.3  建议运行条件
    4. 7.4  热性能信息
    5. 7.5  电源电流特性
      1. 7.5.1 运行/睡眠模式
      2. 7.5.2 STOP/STANDBY 模式
      3. 7.5.3 SHUTDOWN 模式
      4. 7.5.4 VBAT 电流消耗
    6. 7.6  闪存存储器特性
    7. 7.7  电源时序
      1. 7.7.1 电源斜坡
      2. 7.7.2 POR 和 BOR
      3. 7.7.3 VBAT 特性
      4. 7.7.4 计时特点
    8. 7.8  时钟规范
      1. 7.8.1 系统振荡器 (SYSOSC)
      2. 7.8.2 高频晶体/时钟
      3. 7.8.3 系统锁相环 (SYSPLL)
      4. 7.8.4 低频振荡器 (LFOSC)
      5. 7.8.5 低频晶体/时钟
    9. 7.9  模拟规格
      1. 7.9.1 ADC 规格
        1. 7.9.1.1 ADC 电气特性
        2. 7.9.1.2 ADC 开关特性
        3. 7.9.1.3 ADC 线性参数
        4. 7.9.1.4 典型连接图
      2. 7.9.2 COMP 规格
        1. 7.9.2.1 比较器电气特性
        2. 7.9.2.2 COMP DAC 电气特性
      3. 7.9.3 VREF 规格
        1. 7.9.3.1 VREF 电压特性
        2. 7.9.3.2 VREF 电气特性
      4. 7.9.4 模拟 VBOOST 规范
        1. 7.9.4.1 模拟多路复用器 VBOOST
      5. 7.9.5 温度传感器
    10. 7.10 串行接口规范
      1. 7.10.1 UART
        1. 7.10.1.1 UART
      2. 7.10.2 I2C
        1. 7.10.2.1 I2C 特性
        2. 7.10.2.2 I2C 滤波器
        3. 7.10.2.3 I2C 时序图
      3. 7.10.3 SPI
        1. 7.10.3.1 SPI
        2. 7.10.3.2 SPI 时序图
      4. 7.10.4 CAN
        1. 7.10.4.1 CAN
      5. 7.10.5 QSPI
        1. 7.10.5.1 QSPI
        2. 7.10.5.2 QSPI 时序图
      6. 7.10.6 I2S/TDM
        1. 7.10.6.1 串行音频
        2. 7.10.6.2 I2S/TDM 时序图
    11. 7.11 数字 IO
    12. 7.12 TRNG
      1. 7.12.1 TRNG 电气特性
      2. 7.12.2 TRNG 开关特性
    13. 7.13 仿真和调试
      1. 7.13.1 SWD 时序
  9. 详细说明
    1. 8.1  支持 TrustZone 和 FPU 的 Arm Cortex-M33 内核
    2. 8.2  电源管理和时钟单元 (PMCU)
      1. 8.2.1 电源管理单元 (PMU)
      2. 8.2.2 时钟模块 (CKM)
      3. 8.2.3 工作模式
        1. 8.2.3.1 不同工作模式下的功能
    3. 8.3  器件内存映射
      1. 8.3.1 内存组织
      2. 8.3.2 外设内存映射
    4. 8.4  NVIC 中断映射
    5. 8.5  嵌入式闪存存储器
    6. 8.6  嵌入式 SRAM
    7. 8.7  DMA
    8. 8.8  事件管理器
    9. 8.9  错误聚合器模块 (EAM)
    10. 8.10 GPIO
    11. 8.11 IOMUX
      1. 8.11.1 输入/输出图
    12. 8.12 模拟模块
      1. 8.12.1 HSADC
      2. 8.12.2 COMP
      3. 8.12.3 温度传感器
      4. 8.12.4 VREF
      5. 8.12.5 器件模拟连接
    13. 8.13 安全和加密
      1. 8.13.1 全局安全控制器 (GSC)
      2. 8.13.2 AESADV
      3. 8.13.3 SHA256
      4. 8.13.4 公钥算法 (PKA)
      5. 8.13.5 TRNG
      6. 8.13.6 密钥库
      7. 8.13.7 CRC
    14. 8.14 串行通信接口
      1. 8.14.1 UNICOMM (UART/I2C/SPI)
        1. 8.14.1.1 UART (UNICOMM)
        2. 8.14.1.2 I2C (UNICOMM)
        3. 8.14.1.3 SPI (UNICOMM)
      2. 8.14.2 CAN-FD
      3. 8.14.3 四路 SPI(QSPI)
      4. 8.14.4 数字音频接口 - I2S/TDM
    15. 8.15 LFSS
    16. 8.16 计时器、RTC 和看门狗
      1. 8.16.1 计时器 (TIMx)
      2. 8.16.2 RTC_A
      3. 8.16.3 IWDT
      4. 8.16.4 WWDT
    17. 8.17 串行线调试接口
    18. 8.18 引导加载程序 (BSL)
    19. 8.19 器件出厂常量
    20. 8.20 标识
  10. 应用、实施和布局
    1. 9.1 典型应用
      1. 9.1.1 原理图
  11. 10器件和文档支持
    1. 10.1 入门和后续步骤
    2. 10.2 器件命名规则
    3. 10.3 工具与软件
    4. 10.4 文档支持
    5. 10.5 支持资源
    6. 10.6 商标
    7. 10.7 静电放电警告
    8. 10.8 术语表
  12. 11修订历史记录
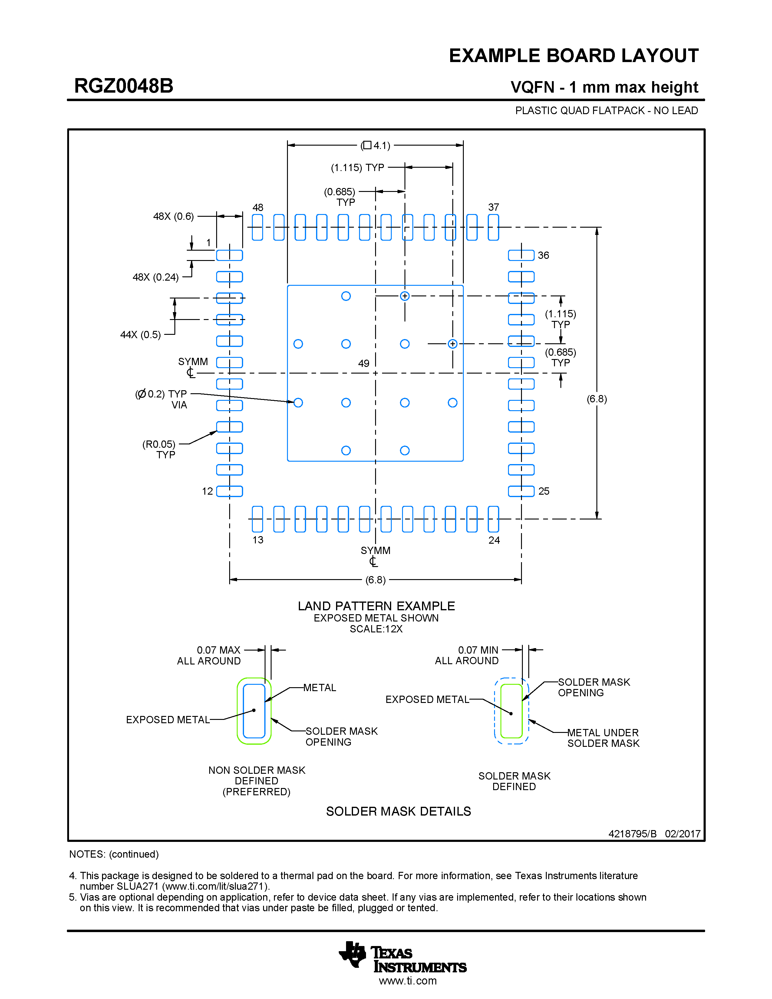
  13. 12机械、封装和可订购信息

机械、封装和可订购信息

以下页面包含机械、封装和可订购信息。这些信息是指定器件可用的最新数据。数据如有变更,恕不另行通知,且不会对此文档进行修订。有关此数据表的浏览器版本,请查阅左侧的导航栏。

MSPM33C321A MSPM33C3219
MSPM33C321A MSPM33C3219
MSPM33C321A MSPM33C3219
MSPM33C321A MSPM33C3219
MSPM33C321A MSPM33C3219
MSPM33C321A MSPM33C3219

MSPM33C321A MSPM33C3219

MSPM33C321A MSPM33C3219
MSPM33C321A MSPM33C3219
MSPM33C321A MSPM33C3219
MSPM33C321A MSPM33C3219
MSPM33C321A MSPM33C3219
MSPM33C321A MSPM33C3219
MSPM33C321A MSPM33C3219
MSPM33C321A MSPM33C3219
MSPM33C321A MSPM33C3219
MSPM33C321A MSPM33C3219