SPRUIN7C March 2020 – March 2024 TMS320F280021 , TMS320F280021-Q1 , TMS320F280023 , TMS320F280023-Q1 , TMS320F280023C , TMS320F280025 , TMS320F280025-Q1 , TMS320F280025C , TMS320F280025C-Q1
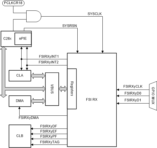
The following diagrams show the CPU interface of each FSI module.

Figure 22-2 FSI Receiver (FSIRX) CPU
Interface with CLB