SPRUHX5I August   2014  â€“ May 2024 TMS320F28374S , TMS320F28375S , TMS320F28375S-Q1 , TMS320F28376S , TMS320F28377S , TMS320F28377S-Q1 , TMS320F28378S , TMS320F28379S

 

  1.   1
  2.   Read This First
    1.     About This Manual
    2.     Notational Conventions
    3.     Glossary
    4.     Related Documentation From Texas Instruments
    5.     Support Resources
    6.     Trademarks
  3. C2000â„¢ Microcontrollers Software Support
    1. 1.1 Introduction
    2. 1.2 C2000Ware Structure
    3. 1.3 Documentation
    4. 1.4 Devices
    5. 1.5 Libraries
    6. 1.6 Code Composer Studioâ„¢ Integrated Development Environment (IDE)
    7. 1.7 SysConfig and PinMUX Tool
  4. C28x Processor
    1. 2.1 Introduction
    2. 2.2 C28X Related Collateral
    3. 2.3 Features
    4. 2.4 Floating-Point Unit
    5. 2.5 Trigonometric Math Unit (TMU)
    6. 2.6 Viterbi, Complex Math, and CRC Unit II (VCU-II)
  5. System Control and Interrupt
    1. 3.1  Introduction
    2. 3.2  System Control Functional Description
      1. 3.2.1 Device Identification
      2. 3.2.2 Device Configuration Registers
    3. 3.3  Resets
      1. 3.3.1  Reset Sources
      2. 3.3.2  External Reset (XRS)
      3. 3.3.3  Power-On Reset (POR)
      4. 3.3.4  Debugger Reset (SYSRS)
      5. 3.3.5  Watchdog Reset (WDRS)
      6. 3.3.6  NMI Watchdog Reset (NMIWDRS)
      7. 3.3.7  DCSM Safe Code Copy Reset (SCCRESET)
      8. 3.3.8  Hibernate Reset (HIBRESET)
      9. 3.3.9  Hardware BIST Reset (HWBISTRS)
      10. 3.3.10 Test Reset (TRST)
    4. 3.4  Peripheral Interrupts
      1. 3.4.1 Interrupt Concepts
      2. 3.4.2 Interrupt Architecture
        1. 3.4.2.1 Peripheral Stage
        2. 3.4.2.2 PIE Stage
        3. 3.4.2.3 CPU Stage
      3. 3.4.3 Interrupt Entry Sequence
      4. 3.4.4 Configuring and Using Interrupts
        1. 3.4.4.1 Enabling Interrupts
        2. 3.4.4.2 Handling Interrupts
        3. 3.4.4.3 Disabling Interrupts
        4. 3.4.4.4 Nesting Interrupts
      5. 3.4.5 PIE Channel Mapping
        1. 3.4.5.1 PIE Interrupt Priority
          1. 3.4.5.1.1 Channel Priority
          2. 3.4.5.1.2 Group Priority
      6. 3.4.6 Vector Tables
    5. 3.5  Exceptions and Non-Maskable Interrupts
      1. 3.5.1 Configuring and Using NMIs
      2. 3.5.2 Emulation Considerations
      3. 3.5.3 NMI Sources
        1. 3.5.3.1 Missing Clock Detection
        2. 3.5.3.2 RAM Uncorrectable ECC Error
        3. 3.5.3.3 Flash Uncorrectable ECC Error
      4. 3.5.4 Illegal Instruction Trap (ITRAP)
    6. 3.6  Safety Features
      1. 3.6.1 Write Protection on Registers
        1. 3.6.1.1 LOCK Protection on System Configuration Registers
        2. 3.6.1.2 EALLOW Protection
      2. 3.6.2 Missing Clock Detection Logic
      3. 3.6.3 PLLSLIP Detection
      4. 3.6.4 CPU Vector Address Validity Check
      5. 3.6.5 NMIWDs
      6. 3.6.6 ECC and Parity Enabled RAMs, Shared RAMs Protection
      7. 3.6.7 ECC Enabled Flash Memory
      8. 3.6.8 ERRORSTS Pin
    7. 3.7  Clocking
      1. 3.7.1 Clock Sources
        1. 3.7.1.1 Primary Internal Oscillator (INTOSC2)
        2. 3.7.1.2 Backup Internal Oscillator (INTOSC1)
        3. 3.7.1.3 External Oscillator (XTAL)
        4. 3.7.1.4 Auxiliary Clock Input (AUXCLKIN)
      2. 3.7.2 Derived Clocks
        1. 3.7.2.1 Oscillator Clock (OSCCLK)
        2. 3.7.2.2 System PLL Output Clock (PLLRAWCLK)
        3. 3.7.2.3 Auxiliary Oscillator Clock (AUXOSCCLK)
        4. 3.7.2.4 Auxiliary PLL Output Clock (AUXPLLRAWCLK)
      3. 3.7.3 Device Clock Domains
        1. 3.7.3.1 System Clock (PLLSYSCLK)
        2. 3.7.3.2 CPU Clock (CPUCLK)
        3. 3.7.3.3 CPU Subsystem Clock (SYSCLK and PERx.SYSCLK)
        4. 3.7.3.4 Low-Speed Peripheral Clock (LSPCLK and PERx.LSPCLK)
        5. 3.7.3.5 USB Auxiliary Clock (AUXPLLCLK)
        6. 3.7.3.6 CAN Bit Clock
        7. 3.7.3.7 CPU Timer2 Clock (TIMER2CLK)
      4. 3.7.4 XCLKOUT
      5. 3.7.5 Clock Connectivity
      6. 3.7.6 Clock Source and PLL Setup
        1. 3.7.6.1 Choosing PLL Settings
        2. 3.7.6.2 System Clock Setup
        3. 3.7.6.3 USB Auxiliary Clock Setup
        4. 3.7.6.4 Clock Configuration Examples
      7. 3.7.7 Clock (OSCCLK) Failure Detection
        1. 3.7.7.1 Missing Clock Detection Logic
    8. 3.8  32-Bit CPU Timers 0/1/2
    9. 3.9  Watchdog Timers
      1. 3.9.1 Servicing the Watchdog Timer
      2. 3.9.2 Minimum Window Check
      3. 3.9.3 Watchdog Reset or Watchdog Interrupt Mode
      4. 3.9.4 Watchdog Operation in Low-Power Modes
      5. 3.9.5 Emulation Considerations
    10. 3.10 Low-Power Modes
      1. 3.10.1 IDLE
      2. 3.10.2 STANDBY
      3. 3.10.3 HALT
      4. 3.10.4 Hibernate (HIB)
    11. 3.11 Memory Controller Module
      1. 3.11.1 Functional Description
        1. 3.11.1.1 Dedicated RAM (Dx RAM)
        2. 3.11.1.2 Local Shared RAM (LSx RAM)
        3. 3.11.1.3 Global Shared RAM (GSx RAM)
        4. 3.11.1.4 Message RAM (CLA MSGRAM)
        5. 3.11.1.5 Access Arbitration
        6. 3.11.1.6 Access Protection
          1. 3.11.1.6.1 CPU Fetch Protection
          2. 3.11.1.6.2 CPU Write Protection
          3. 3.11.1.6.3 CPU Read Protection
          4. 3.11.1.6.4 CLA Fetch Protection
          5. 3.11.1.6.5 CLA Write Protection
          6. 3.11.1.6.6 CLA Read Protection
          7. 3.11.1.6.7 DMA Write Protection
        7. 3.11.1.7 Memory Error Detection, Correction and Error Handling
          1. 3.11.1.7.1 Error Detection and Correction
          2. 3.11.1.7.2 Error Handling
        8. 3.11.1.8 Application Test Hooks for Error Detection and Correction
        9. 3.11.1.9 RAM Initialization
    12. 3.12 Flash and OTP Memory
      1. 3.12.1  Features
      2. 3.12.2  Flash Tools
      3. 3.12.3  Default Flash Configuration
      4. 3.12.4  Flash Bank, One-Time Programmable (OTP) Memory, and Flash Pump
      5. 3.12.5  Flash Module Controller (FMC)
      6. 3.12.6  Flash and OTP Memory Power-Down Modes and Wakeup
      7. 3.12.7  Flash and OTP Memory Performance
      8. 3.12.8  Flash Read Interface
        1. 3.12.8.1 FMC Flash Read Interface
          1. 3.12.8.1.1 Standard Read Mode
          2. 3.12.8.1.2 Prefetch Mode
            1. 3.12.8.1.2.1 Data Cache
      9. 3.12.9  Erase/Program Flash
        1. 3.12.9.1 Erase
        2. 3.12.9.2 Program
        3. 3.12.9.3 Verify
      10. 3.12.10 Error Correction Code (ECC) Protection
        1. 3.12.10.1 Single-Bit Data Error
        2. 3.12.10.2 Uncorrectable Error
        3. 3.12.10.3 SECDED Logic Correctness Check
        4. 3.12.10.4 Reading ECC Memory From a Higher Address Space
      11. 3.12.11 Reserved Locations Within Flash and OTP Memory
      12. 3.12.12 Procedure to Change the Flash Control Registers
      13. 3.12.13 Simple Procedure to Modify an Application from RAM Configuration to Flash Configuration
      14. 3.12.14 Flash Pump Ownership Control
    13. 3.13 Dual Code Security Module (DCSM)
      1. 3.13.1 Functional Description
        1. 3.13.1.1 Emulation Code Security Logic (ECSL)
        2. 3.13.1.2 CPU Secure Logic
        3. 3.13.1.3 Execute-Only Protection
        4. 3.13.1.4 Password Lock
        5. 3.13.1.5 JTAG Lock
        6. 3.13.1.6 Link Pointer and Zone Select
          1. 3.13.1.6.1 C Code Example to get Zone Select Block Addr for Zone1
        7. 3.13.1.7 Flash and OTP Memory Erase/Program
        8. 3.13.1.8 Safe Copy Code
        9. 3.13.1.9 SafeCRC
      2. 3.13.2 CSM Impact on Other On-Chip Resources
      3. 3.13.3 Incorporating Code Security in User Applications
        1. 3.13.3.1 Environments That Require Security Unlocking
        2. 3.13.3.2 CSM Password Match Flow
        3. 3.13.3.3 Unsecuring Considerations for Zones With and Without Code Security
          1. 3.13.3.3.1 C Code Example to Unsecure C28x Zone1
          2. 3.13.3.3.2 C Code Example to Resecure C28x Zone1
        4. 3.13.3.4 Environments That Require ECSL Unlocking
        5. 3.13.3.5 ECSL Password Match Flow
        6. 3.13.3.6 ECSL Disable Considerations for any Zone
          1. 3.13.3.6.1 C Code Example to Disable ECSL for C28x-Zone1
        7. 3.13.3.7 Device Unique ID
    14. 3.14 JTAG
    15. 3.15 System Control Register Configuration Restrictions
    16. 3.16 Software
      1. 3.16.1 SYSCTL Examples
        1. 3.16.1.1 Missing clock detection (MCD)
        2. 3.16.1.2 XCLKOUT (External Clock Output) Configuration
      2. 3.16.2 TIMER Examples
        1. 3.16.2.1 CPU Timers
        2. 3.16.2.2 CPU Timers
      3. 3.16.3 MEMCFG Examples
      4. 3.16.4 INTERRUPT Examples
        1. 3.16.4.1 External Interrupts (ExternalInterrupt)
        2. 3.16.4.2 Multiple interrupt handling of I2C, SCI & SPI Digital Loopback
        3. 3.16.4.3 CPU Timer Interrupt Software Prioritization
        4. 3.16.4.4 EPWM Real-Time Interrupt
      5. 3.16.5 LPM Examples
      6. 3.16.6 WATCHDOG Examples
        1. 3.16.6.1 Watchdog
    17. 3.17 System Control Registers
      1. 3.17.1 System Control Base Addresses
        1. 3.17.1.1  CPUTIMER_REGS Registers
        2. 3.17.1.2  PIE_CTRL_REGS Registers
        3. 3.17.1.3  WD_REGS Registers
        4. 3.17.1.4  NMI_INTRUPT_REGS Registers
        5. 3.17.1.5  XINT_REGS Registers
        6. 3.17.1.6  SYNC_SOC_REGS Registers
        7. 3.17.1.7  DMA_CLA_SRC_SEL_REGS Registers
        8. 3.17.1.8  FLASH_PUMP_SEMAPHORE_REGS Registers
        9. 3.17.1.9  DEV_CFG_REGS Registers
        10. 3.17.1.10 CLK_CFG_REGS Registers
        11. 3.17.1.11 CPU_SYS_REGS Registers
        12. 3.17.1.12 ROM_PREFETCH_REGS Registers
        13. 3.17.1.13 DCSM_Z1_REGS Registers
        14. 3.17.1.14 DCSM_Z2_REGS Registers
        15. 3.17.1.15 DCSM_COMMON_REGS Registers
        16. 3.17.1.16 MEM_CFG_REGS Registers
        17. 3.17.1.17 ACCESS_PROTECTION_REGS Registers
        18. 3.17.1.18 MEMORY_ERROR_REGS Registers
        19. 3.17.1.19 ROM_WAIT_STATE_REGS Registers
        20. 3.17.1.20 FLASH_CTRL_REGS Registers
        21. 3.17.1.21 FLASH_ECC_REGS Registers
        22. 3.17.1.22 UID_REGS Registers
        23. 3.17.1.23 DCSM_Z1_OTP Registers
        24. 3.17.1.24 DCSM_Z2_OTP Registers
        25. 3.17.1.25 Register to Driverlib Function Mapping
          1. 3.17.1.25.1 CPUTIMER Registers to Driverlib Functions
          2. 3.17.1.25.2 ASYSCTL Registers to Driverlib Functions
          3. 3.17.1.25.3 PIE Registers to Driverlib Functions
          4. 3.17.1.25.4 SYSCTL Registers to Driverlib Functions
          5. 3.17.1.25.5 NMI Registers to Driverlib Functions
          6. 3.17.1.25.6 XINT Registers to Driverlib Functions
          7. 3.17.1.25.7 DCSM Registers to Driverlib Functions
          8. 3.17.1.25.8 MEMCFG Registers to Driverlib Functions
          9. 3.17.1.25.9 FLASH Registers to Driverlib Functions
  6. ROM Code and Peripheral Booting
    1. 4.1  Introduction
    2. 4.2  Boot ROM Registers
    3. 4.3  Device Boot Sequence
    4. 4.4  Device Boot Modes
    5. 4.5  Configuring Boot Mode Pins
    6. 4.6  Configuring Get Boot Options
    7. 4.7  Configuring Emulation Boot Options
    8. 4.8  Device Boot Flow Diagrams
      1. 4.8.1 Emulation Boot Flow Diagrams
      2. 4.8.2 Standalone and Hibernate Boot Flow Diagrams
    9. 4.9  Device Reset and Exception Handling
      1. 4.9.1 Reset Causes and Handling
      2. 4.9.2 Exceptions and Interrupts Handling
    10. 4.10 Boot ROM Description
      1. 4.10.1  Entry Points
      2. 4.10.2  Wait Points
      3. 4.10.3  Memory Maps
        1. 4.10.3.1 Boot ROM Memory Map
        2. 4.10.3.2 CLA Data ROM Memory Map
        3. 4.10.3.3 Reserved RAM and Flash Memory-Map
        4. 4.10.3.4 ROM Tables
          1. 4.10.3.4.1 Boot ROM Tables
          2. 4.10.3.4.2 CLA ROM Tables
      4. 4.10.4  Boot Modes
        1. 4.10.4.1 Wait Boot Mode
        2. 4.10.4.2 SCI Boot Mode
        3. 4.10.4.3 SPI Boot Mode
        4. 4.10.4.4 I2C Boot Mode
        5. 4.10.4.5 Parallel Boot Mode
        6. 4.10.4.6 CAN Boot Mode
        7. 4.10.4.7 USB Boot Mode
      5. 4.10.5  Boot Data Stream Structure
        1. 4.10.5.1 Bootloader Data Stream Structure
          1. 4.10.5.1.1 Data Stream Structure 8-bit
      6. 4.10.6  GPIO Assignments
      7. 4.10.7  Secure ROM Function APIs
      8. 4.10.8  Clock Initializations
      9. 4.10.9  Wait State Configuration
      10. 4.10.10 Boot Status information
        1. 4.10.10.1 CPU Booting Status
      11. 4.10.11 ROM Version
  7. Direct Memory Access (DMA)
    1. 5.1 Introduction
      1. 5.1.1 Features
      2. 5.1.2 Block Diagram
    2. 5.2 Architecture
      1. 5.2.1 Common Peripheral Architecture
      2. 5.2.2 Peripheral Interrupt Event Trigger Sources
      3. 5.2.3 DMA Bus
    3. 5.3 Address Pointer and Transfer Control
    4. 5.4 Pipeline Timing and Throughput
    5. 5.5 CPU and CLA Arbitration
    6. 5.6 Channel Priority
      1. 5.6.1 Round-Robin Mode
      2. 5.6.2 Channel 1 High-Priority Mode
    7. 5.7 Overrun Detection Feature
    8. 5.8 Software
      1. 5.8.1 DMA Examples
        1. 5.8.1.1 DMA GSRAM Transfer (dma_ex1_gsram_transfer)
        2. 5.8.1.2 DMA Transfer Shared Peripheral - C28X_DUAL
        3. 5.8.1.3 DMA Transfer for Shared Peripheral Example (CPU2) - C28X_DUAL
        4. 5.8.1.4 DMA GSRAM Transfer (dma_ex2_gsram_transfer)
    9. 5.9 DMA Registers
      1. 5.9.1 DMA Base Addresses
      2. 5.9.2 DMA_REGS Registers
      3. 5.9.3 DMA_CH_REGS Registers
      4. 5.9.4 DMA Registers to Driverlib Functions
  8. Control Law Accelerator (CLA)
    1. 6.1 Introduction
      1. 6.1.1 Features
      2. 6.1.2 CLA Related Collateral
      3. 6.1.3 Block Diagram
    2. 6.2 CLA Interface
      1. 6.2.1 CLA Memory
      2. 6.2.2 CLA Memory Bus
      3. 6.2.3 Shared Peripherals and EALLOW Protection
      4. 6.2.4 CLA Tasks and Interrupt Vectors
      5. 6.2.5 CLA Software Interrupt to CPU
    3. 6.3 CLA and CPU Arbitration
      1. 6.3.1 CLA Message RAM
      2. 6.3.2 CLA Program Memory
      3. 6.3.3 CLA Data Memory
      4. 6.3.4 Peripheral Registers (ePWM, HRPWM, Comparator)
    4. 6.4 CLA Configuration and Debug
      1. 6.4.1 Building a CLA Application
      2. 6.4.2 Typical CLA Initialization Sequence
      3. 6.4.3 Debugging CLA Code
        1. 6.4.3.1 Breakpoint Support (MDEBUGSTOP)
      4. 6.4.4 CLA Illegal Opcode Behavior
      5. 6.4.5 Resetting the CLA
    5. 6.5 Pipeline
      1. 6.5.1 Pipeline Overview
      2. 6.5.2 CLA Pipeline Alignment
        1. 6.5.2.1 Code Fragment For MBCNDD, MCCNDD, or MRCNDD
        2.       335
        3. 6.5.2.2 Code Fragment for Loading MAR0 or MAR1
        4.       337
        5. 6.5.2.3 ADC Early Interrupt to CLA Response
      3. 6.5.3 Parallel Instructions
        1. 6.5.3.1 Math Operation with Parallel Load
        2. 6.5.3.2 Multiply with Parallel Add
      4. 6.5.4 CLA Task Execution Latency
    6. 6.6 Software
      1. 6.6.1 CLA Examples
        1. 6.6.1.1 CLA arcsine(x) using a lookup table (cla_asin_cpu01)
        2. 6.6.1.2 CLA arctangent(x) using a lookup table (cla_atan_cpu01)
    7. 6.7 Instruction Set
      1. 6.7.1 Instruction Descriptions
      2. 6.7.2 Addressing Modes and Encoding
      3. 6.7.3 Instructions
        1.       MABSF32 MRa, MRb
        2.       MADD32 MRa, MRb, MRc
        3.       MADDF32 MRa, #16FHi, MRb
        4.       MADDF32 MRa, MRb, #16FHi
        5.       MADDF32 MRa, MRb, MRc
        6.       MADDF32 MRd, MRe, MRf||MMOV32 mem32, MRa
        7.       MADDF32 MRd, MRe, MRf ||MMOV32 MRa, mem32
        8.       MAND32 MRa, MRb, MRc
        9.       MASR32 MRa, #SHIFT
        10.       MBCNDD 16BitDest [, CNDF]
        11.       MCCNDD 16BitDest [, CNDF]
        12.       MCMP32 MRa, MRb
        13.       MCMPF32 MRa, MRb
        14.       MCMPF32 MRa, #16FHi
        15.       MDEBUGSTOP
        16.       MEALLOW
        17.       MEDIS
        18.       MEINVF32 MRa, MRb
        19.       MEISQRTF32 MRa, MRb
        20.       MF32TOI16 MRa, MRb
        21.       MF32TOI16R MRa, MRb
        22.       MF32TOI32 MRa, MRb
        23.       MF32TOUI16 MRa, MRb
        24.       MF32TOUI16R MRa, MRb
        25.       MF32TOUI32 MRa, MRb
        26.       MFRACF32 MRa, MRb
        27.       MI16TOF32 MRa, MRb
        28.       MI16TOF32 MRa, mem16
        29.       MI32TOF32 MRa, mem32
        30.       MI32TOF32 MRa, MRb
        31.       MLSL32 MRa, #SHIFT
        32.       MLSR32 MRa, #SHIFT
        33.       MMACF32 MR3, MR2, MRd, MRe, MRf ||MMOV32 MRa, mem32
        34.       MMAXF32 MRa, MRb
        35.       MMAXF32 MRa, #16FHi
        36.       MMINF32 MRa, MRb
        37.       MMINF32 MRa, #16FHi
        38.       MMOV16 MARx, MRa, #16I
        39.       MMOV16 MARx, mem16
        40.       MMOV16 mem16, MARx
        41.       MMOV16 mem16, MRa
        42.       MMOV32 mem32, MRa
        43.       MMOV32 mem32, MSTF
        44.       MMOV32 MRa, mem32 [, CNDF]
        45.       MMOV32 MRa, MRb [, CNDF]
        46.       MMOV32 MSTF, mem32
        47.       MMOVD32 MRa, mem32
        48.       MMOVF32 MRa, #32F
        49.       MMOVI16 MARx, #16I
        50.       MMOVI32 MRa, #32FHex
        51.       MMOVIZ MRa, #16FHi
        52.       MMOVZ16 MRa, mem16
        53.       MMOVXI MRa, #16FLoHex
        54.       MMPYF32 MRa, MRb, MRc
        55.       MMPYF32 MRa, #16FHi, MRb
        56.       MMPYF32 MRa, MRb, #16FHi
        57.       MMPYF32 MRa, MRb, MRc||MADDF32 MRd, MRe, MRf
        58.       MMPYF32 MRd, MRe, MRf ||MMOV32 MRa, mem32
        59.       MMPYF32 MRd, MRe, MRf ||MMOV32 mem32, MRa
        60.       MMPYF32 MRa, MRb, MRc ||MSUBF32 MRd, MRe, MRf
        61.       MNEGF32 MRa, MRb[, CNDF]
        62.       MNOP
        63.       MOR32 MRa, MRb, MRc
        64.       MRCNDD [CNDF]
        65.       MSETFLG FLAG, VALUE
        66.       MSTOP
        67.       MSUB32 MRa, MRb, MRc
        68.       MSUBF32 MRa, MRb, MRc
        69.       MSUBF32 MRa, #16FHi, MRb
        70.       MSUBF32 MRd, MRe, MRf ||MMOV32 MRa, mem32
        71.       MSUBF32 MRd, MRe, MRf ||MMOV32 mem32, MRa
        72.       MSWAPF MRa, MRb [, CNDF]
        73.       MTESTTF CNDF
        74.       MUI16TOF32 MRa, mem16
        75.       MUI16TOF32 MRa, MRb
        76.       MUI32TOF32 MRa, mem32
        77.       MUI32TOF32 MRa, MRb
        78.       MXOR32 MRa, MRb, MRc
    8. 6.8 CLA Registers
      1. 6.8.1 CLA Base Addresses
      2. 6.8.2 CLA_REGS Registers
      3. 6.8.3 CLA_SOFTINT_REGS Registers
      4. 6.8.4 CLA Registers to Driverlib Functions
  9. General-Purpose Input/Output (GPIO)
    1. 7.1  Introduction
      1. 7.1.1 GPIO Related Collateral
    2. 7.2  Configuration Overview
    3. 7.3  Digital General-Purpose I/O Control
    4. 7.4  Input Qualification
      1. 7.4.1 No Synchronization (Asynchronous Input)
      2. 7.4.2 Synchronization to SYSCLKOUT Only
      3. 7.4.3 Qualification Using a Sampling Window
    5. 7.5  USB Signals
    6. 7.6  SPI Signals
    7. 7.7  GPIO and Peripheral Muxing
      1. 7.7.1 GPIO Muxing
      2. 7.7.2 Peripheral Muxing
    8. 7.8  Internal Pullup Configuration Requirements
    9. 7.9  Software
      1. 7.9.1 GPIO Examples
        1. 7.9.1.1 Device GPIO Setup
        2. 7.9.1.2 Device GPIO Toggle
        3. 7.9.1.3 Device GPIO Interrupt
      2. 7.9.2 LED Examples
    10. 7.10 GPIO Registers
      1. 7.10.1 GPIO Base Addresses
      2. 7.10.2 GPIO_CTRL_REGS Registers
      3. 7.10.3 GPIO_DATA_REGS Registers
      4. 7.10.4 GPIO Registers to Driverlib Functions
  10. Crossbar (X-BAR)
    1. 8.1 Input X-BAR
    2. 8.2 ePWM, CLB, and GPIO Output X-BAR
      1. 8.2.1 ePWM X-BAR
        1. 8.2.1.1 ePWM X-BAR Architecture
      2. 8.2.2 CLB X-BAR
        1. 8.2.2.1 CLB X-BAR Architecture
      3. 8.2.3 GPIO Output X-BAR
        1. 8.2.3.1 GPIO Output X-BAR Architecture
      4. 8.2.4 X-BAR Flags
    3. 8.3 XBAR Registers
      1. 8.3.1 XBAR Base Addresses
      2. 8.3.2 INPUT_XBAR_REGS Registers
      3. 8.3.3 XBAR_REGS Registers
      4. 8.3.4 EPWM_XBAR_REGS Registers
      5. 8.3.5 CLB_XBAR_REGS Registers
      6. 8.3.6 OUTPUT_XBAR_REGS Registers
      7. 8.3.7 Register to Driverlib Function Mapping
        1. 8.3.7.1 INPUTXBAR Registers to Driverlib Functions
        2. 8.3.7.2 XBAR Registers to Driverlib Functions
        3. 8.3.7.3 EPWMXBAR Registers to Driverlib Functions
        4. 8.3.7.4 CLBXBAR Registers to Driverlib Functions
        5. 8.3.7.5 OUTPUTXBAR Registers to Driverlib Functions
  11. Analog Subsystem
    1. 9.1 Introduction
      1. 9.1.1 Features
      2. 9.1.2 Block Diagram
    2. 9.2 Optimizing Power-Up Time
    3. 9.3 Analog Subsystem Registers
      1. 9.3.1 Analog Subsystem Base Addresses
      2. 9.3.2 ANALOG_SUBSYS_REGS Registers
  12. 10Analog-to-Digital Converter (ADC)
    1. 10.1  Introduction
      1. 10.1.1 ADC Related Collateral
      2. 10.1.2 Features
      3. 10.1.3 Block Diagram
    2. 10.2  ADC Configurability
      1. 10.2.1 Clock Configuration
      2. 10.2.2 Resolution
      3. 10.2.3 Voltage Reference
        1. 10.2.3.1 External Reference Mode
      4. 10.2.4 Signal Mode
      5. 10.2.5 Expected Conversion Results
      6. 10.2.6 Interpreting Conversion Results
    3. 10.3  SOC Principle of Operation
      1. 10.3.1 SOC Configuration
      2. 10.3.2 Trigger Operation
      3. 10.3.3 ADC Acquisition (Sample and Hold) Window
      4. 10.3.4 ADC Input Models
      5. 10.3.5 Channel Selection
    4. 10.4  SOC Configuration Examples
      1. 10.4.1 Single Conversion from ePWM Trigger
      2. 10.4.2 Oversampled Conversion from ePWM Trigger
      3. 10.4.3 Multiple Conversions from CPU Timer Trigger
      4. 10.4.4 Software Triggering of SOCs
    5. 10.5  ADC Conversion Priority
    6. 10.6  Burst Mode
      1. 10.6.1 Burst Mode Example
      2. 10.6.2 Burst Mode Priority Example
    7. 10.7  EOC and Interrupt Operation
      1. 10.7.1 Interrupt Overflow
      2. 10.7.2 Continue to Interrupt Mode
      3. 10.7.3 Early Interrupt Configuration Mode
    8. 10.8  Post-Processing Blocks
      1. 10.8.1 PPB Offset Correction
      2. 10.8.2 PPB Error Calculation
      3. 10.8.3 PPB Limit Detection and Zero-Crossing Detection
      4. 10.8.4 PPB Sample Delay Capture
    9. 10.9  Opens/Shorts Detection Circuit (OSDETECT)
      1. 10.9.1 Implementation
      2. 10.9.2 Detecting an Open Input Pin
      3. 10.9.3 Detecting a Shorted Input Pin
    10. 10.10 Power-Up Sequence
    11. 10.11 ADC Calibration
      1. 10.11.1 ADC Zero Offset Calibration
      2. 10.11.2 ADC Calibration Routines in OTP Memory
    12. 10.12 ADC Timings
      1. 10.12.1 ADC Timing Diagrams
    13. 10.13 Additional Information
      1. 10.13.1 Ensuring Synchronous Operation
        1. 10.13.1.1 Basic Synchronous Operation
        2. 10.13.1.2 Synchronous Operation with Multiple Trigger Sources
        3. 10.13.1.3 Synchronous Operation with Uneven SOC Numbers
        4. 10.13.1.4 Synchronous Operation with Different Resolutions
        5. 10.13.1.5 Non-overlapping Conversions
      2. 10.13.2 Choosing an Acquisition Window Duration
      3. 10.13.3 Achieving Simultaneous Sampling
      4. 10.13.4 Result Register Mapping
      5. 10.13.5 Internal Temperature Sensor
      6. 10.13.6 Designing an External Reference Circuit
    14. 10.14 Software
      1. 10.14.1 ADC Examples
        1. 10.14.1.1  ADC Software Triggering
        2. 10.14.1.2  ADC ePWM Triggering
        3. 10.14.1.3  ADC Temperature Sensor Conversion
        4. 10.14.1.4  ADC Synchronous SOC Software Force (adc_soc_software_sync)
        5. 10.14.1.5  ADC Continuous Triggering (adc_soc_continuous)
        6. 10.14.1.6  ADC PPB Offset (adc_ppb_offset)
        7. 10.14.1.7  ADC PPB Limits (adc_ppb_limits)
        8. 10.14.1.8  ADC PPB Delay Capture (adc_ppb_delay)
        9. 10.14.1.9  ADC ePWM Triggering Multiple SOC
        10. 10.14.1.10 ADC Burst Mode
        11. 10.14.1.11 ADC Burst Mode Oversampling
        12. 10.14.1.12 ADC SOC Oversampling
        13. 10.14.1.13 ADC PPB PWM trip (adc_ppb_pwm_trip)
    15. 10.15 ADC Registers
      1. 10.15.1 ADC Base Addresses
      2. 10.15.2 ADC_RESULT_REGS Registers
      3. 10.15.3 ADC_REGS Registers
      4. 10.15.4 ADC Registers to Driverlib Functions
  13. 11Buffered Digital-to-Analog Converter (DAC)
    1. 11.1 Introduction
      1. 11.1.1 DAC Related Collateral
      2. 11.1.2 Features
      3. 11.1.3 Block Diagram
    2. 11.2 Using the DAC
      1. 11.2.1 Initialization Sequence
      2. 11.2.2 DAC Offset Adjustment
      3. 11.2.3 EPWMSYNCPER Signal
    3. 11.3 Lock Registers
    4. 11.4 Software
      1. 11.4.1 DAC Examples
        1. 11.4.1.1 Buffered DAC Enable
        2. 11.4.1.2 Buffered DAC Random
        3. 11.4.1.3 Buffered DAC Sine (buffdac_sine)
    5. 11.5 DAC Registers
      1. 11.5.1 DAC Base Addresses
      2. 11.5.2 DAC_REGS Registers
      3. 11.5.3 DAC Registers to Driverlib Functions
  14. 12Comparator Subsystem (CMPSS)
    1. 12.1 Introduction
      1. 12.1.1 CMPSS Related Collateral
      2. 12.1.2 Features
      3. 12.1.3 Block Diagram
    2. 12.2 Comparator
    3. 12.3 Reference DAC
    4. 12.4 Ramp Generator
      1. 12.4.1 Ramp Generator Overview
      2. 12.4.2 Ramp Generator Behavior
      3. 12.4.3 Ramp Generator Behavior at Corner Cases
    5. 12.5 Digital Filter
      1. 12.5.1 Filter Initialization Sequence
    6. 12.6 Using the CMPSS
      1. 12.6.1 LATCHCLR and EPWMSYNCPER Signals
      2. 12.6.2 Synchronizer, Digital Filter, and Latch Delays
      3. 12.6.3 Calibrating the CMPSS
      4. 12.6.4 Enabling and Disabling the CMPSS Clock
    7. 12.7 Software
      1. 12.7.1 CMPSS Examples
        1. 12.7.1.1 CMPSS Asynchronous Trip
        2. 12.7.1.2 CMPSS Digital Filter Configuration
    8. 12.8 CMPSS Registers
      1. 12.8.1 CMPSS Base Addresses
      2. 12.8.2 CMPSS_REGS Registers
      3. 12.8.3 CMPSS Registers to Driverlib Functions
  15. 13Sigma Delta Filter Module (SDFM)
    1. 13.1  Introduction
      1. 13.1.1 SDFM Related Collateral
      2. 13.1.2 Features
      3. 13.1.3 Block Diagram
    2. 13.2  Configuring Device Pins
    3. 13.3  Input Control Unit
    4. 13.4  Sinc Filter
      1. 13.4.1 Data Rate and Latency of the Sinc Filter
    5. 13.5  Data (Primary) Filter Unit
      1. 13.5.1 32-bit or 16-bit Data Filter Output Representation
      2. 13.5.2 SDSYNC Event
    6. 13.6  Comparator (Secondary) Filter Unit
      1. 13.6.1 Higher Threshold (HLT) Comparator
      2. 13.6.2 Lower Threshold (LLT) Comparator
    7. 13.7  Theoretical SDFM Filter Output
    8. 13.8  Interrupt Unit
      1. 13.8.1 SDFM (SDINT) Interrupt Sources
    9. 13.9  Register Descriptions
    10. 13.10 Software
      1. 13.10.1 SDFM Examples
    11. 13.11 SDFM Registers
      1. 13.11.1 SDFM Base Addresses
      2. 13.11.2 SDFM_REGS Registers
      3. 13.11.3 SDFM Registers to Driverlib Functions
  16. 14Enhanced Pulse Width Modulator (ePWM)
    1. 14.1  Introduction
      1. 14.1.1 EPWM Related Collateral
      2. 14.1.2 Submodule Overview
    2. 14.2  Configuring Device Pins
    3. 14.3  ePWM Modules Overview
    4. 14.4  Time-Base (TB) Submodule
      1. 14.4.1 Purpose of the Time-Base Submodule
      2. 14.4.2 Controlling and Monitoring the Time-Base Submodule
      3. 14.4.3 Calculating PWM Period and Frequency
        1. 14.4.3.1 Time-Base Period Shadow Register
        2. 14.4.3.2 Time-Base Clock Synchronization
        3. 14.4.3.3 Time-Base Counter Synchronization
      4. 14.4.4 Phase Locking the Time-Base Clocks of Multiple ePWM Modules
      5. 14.4.5 Simultaneous Writes to TBPRD and CMPx Registers Between ePWM Modules
      6. 14.4.6 Time-Base Counter Modes and Timing Waveforms
      7. 14.4.7 Global Load
        1. 14.4.7.1 Global Load Pulse Pre-Scalar
        2. 14.4.7.2 One-Shot Load Mode
        3. 14.4.7.3 One-Shot Sync Mode
    5. 14.5  Counter-Compare (CC) Submodule
      1. 14.5.1 Purpose of the Counter-Compare Submodule
      2. 14.5.2 Controlling and Monitoring the Counter-Compare Submodule
      3. 14.5.3 Operational Highlights for the Counter-Compare Submodule
      4. 14.5.4 Count Mode Timing Waveforms
    6. 14.6  Action-Qualifier (AQ) Submodule
      1. 14.6.1 Purpose of the Action-Qualifier Submodule
      2. 14.6.2 Action-Qualifier Submodule Control and Status Register Definitions
      3. 14.6.3 Action-Qualifier Event Priority
      4. 14.6.4 AQCTLA and AQCTLB Shadow Mode Operations
      5. 14.6.5 Configuration Requirements for Common Waveforms
    7. 14.7  Dead-Band Generator (DB) Submodule
      1. 14.7.1 Purpose of the Dead-Band Submodule
      2. 14.7.2 Dead-band Submodule Additional Operating Modes
      3. 14.7.3 Operational Highlights for the Dead-Band Submodule
    8. 14.8  PWM Chopper (PC) Submodule
      1. 14.8.1 Purpose of the PWM Chopper Submodule
      2. 14.8.2 Operational Highlights for the PWM Chopper Submodule
      3. 14.8.3 Waveforms
        1. 14.8.3.1 One-Shot Pulse
        2. 14.8.3.2 Duty Cycle Control
    9. 14.9  Trip-Zone (TZ) Submodule
      1. 14.9.1 Purpose of the Trip-Zone Submodule
      2. 14.9.2 Operational Highlights for the Trip-Zone Submodule
        1. 14.9.2.1 Trip-Zone Configurations
      3. 14.9.3 Generating Trip Event Interrupts
    10. 14.10 Event-Trigger (ET) Submodule
      1. 14.10.1 Operational Overview of the ePWM Event-Trigger Submodule
    11. 14.11 Digital Compare (DC) Submodule
      1. 14.11.1 Purpose of the Digital Compare Submodule
      2. 14.11.2 Enhanced Trip Action Using CMPSS
      3. 14.11.3 Using CMPSS to Trip the ePWM on a Cycle-by-Cycle Basis
      4. 14.11.4 Operation Highlights of the Digital Compare Submodule
        1. 14.11.4.1 Digital Compare Events
        2. 14.11.4.2 Event Filtering
        3. 14.11.4.3 Valley Switching
    12. 14.12 ePWM Crossbar (X-BAR)
    13. 14.13 Applications to Power Topologies
      1. 14.13.1  Overview of Multiple Modules
      2. 14.13.2  Key Configuration Capabilities
      3. 14.13.3  Controlling Multiple Buck Converters With Independent Frequencies
      4. 14.13.4  Controlling Multiple Buck Converters With Same Frequencies
      5. 14.13.5  Controlling Multiple Half H-Bridge (HHB) Converters
      6. 14.13.6  Controlling Dual 3-Phase Inverters for Motors (ACI and PMSM)
      7. 14.13.7  Practical Applications Using Phase Control Between PWM Modules
      8. 14.13.8  Controlling a 3-Phase Interleaved DC/DC Converter
      9. 14.13.9  Controlling Zero Voltage Switched Full Bridge (ZVSFB) Converter
      10. 14.13.10 Controlling a Peak Current Mode Controlled Buck Module
      11. 14.13.11 Controlling H-Bridge LLC Resonant Converter
    14. 14.14 High-Resolution Pulse Width Modulator (HRPWM)
      1. 14.14.1 Operational Description of HRPWM
        1. 14.14.1.1 Controlling the HRPWM Capabilities
        2. 14.14.1.2 HRPWM Source Clock
        3. 14.14.1.3 Configuring the HRPWM
        4. 14.14.1.4 Configuring High-Resolution in Deadband Rising-Edge and Falling-Edge Delay
        5. 14.14.1.5 Principle of Operation
          1. 14.14.1.5.1 Edge Positioning
          2. 14.14.1.5.2 Scaling Considerations
          3. 14.14.1.5.3 Duty Cycle Range Limitation
          4. 14.14.1.5.4 High-Resolution Period
            1. 14.14.1.5.4.1 High-Resolution Period Configuration
        6. 14.14.1.6 Deadband High-Resolution Operation
        7. 14.14.1.7 Scale Factor Optimizing Software (SFO)
        8. 14.14.1.8 HRPWM Examples Using Optimized Assembly Code
          1. 14.14.1.8.1 #Defines for HRPWM Header Files
          2. 14.14.1.8.2 Implementing a Simple Buck Converter
            1. 14.14.1.8.2.1 HRPWM Buck Converter Initialization Code
            2. 14.14.1.8.2.2 HRPWM Buck Converter Run-Time Code
          3. 14.14.1.8.3 Implementing a DAC Function Using an R+C Reconstruction Filter
            1. 14.14.1.8.3.1 PWM DAC Function Initialization Code
            2. 14.14.1.8.3.2 PWM DAC Function Run-Time Code
      2. 14.14.2 SFO Library Software - SFO_TI_Build_V8.lib
        1. 14.14.2.1 Scale Factor Optimizer Function - int SFO()
        2. 14.14.2.2 Software Usage
          1. 14.14.2.2.1 A Sample of How to Add "Include" Files
          2.        735
          3. 14.14.2.2.2 Declaring an Element
          4.        737
          5. 14.14.2.2.3 Initializing With a Scale Factor Value
          6.        739
          7. 14.14.2.2.4 SFO Function Calls
    15. 14.15 ePWM Registers
      1. 14.15.1 ePWM Base Addresses
      2. 14.15.2 EPWM_REGS Registers
      3. 14.15.3 Register to Driverlib Function Mapping
        1. 14.15.3.1 EPWM Registers to Driverlib Functions
        2. 14.15.3.2 HRPWM Registers to Driverlib Functions
  17. 15Enhanced Capture (eCAP)
    1. 15.1 Introduction
      1. 15.1.1 Features
      2. 15.1.2 ECAP Related Collateral
    2. 15.2 Description
    3. 15.3 Configuring Device Pins for the eCAP
    4. 15.4 Capture and APWM Operating Mode
    5. 15.5 Capture Mode Description
      1. 15.5.1  Event Prescaler
      2. 15.5.2  Edge Polarity Select and Qualifier
      3. 15.5.3  Continuous/One-Shot Control
      4. 15.5.4  32-Bit Counter and Phase Control
      5. 15.5.5  CAP1-CAP4 Registers
      6. 15.5.6  eCAP Synchronization
        1. 15.5.6.1 Example 1 - Using SWSYNC with ECAP Module
      7. 15.5.7  Interrupt Control
      8. 15.5.8  DMA Interrupt
      9. 15.5.9  Shadow Load and Lockout Control
      10. 15.5.10 APWM Mode Operation
    6. 15.6 Application of the eCAP Module
      1. 15.6.1 Example 1 - Absolute Time-Stamp Operation Rising-Edge Trigger
      2. 15.6.2 Example 2 - Absolute Time-Stamp Operation Rising- and Falling-Edge Trigger
      3. 15.6.3 Example 3 - Time Difference (Delta) Operation Rising-Edge Trigger
      4. 15.6.4 Example 4 - Time Difference (Delta) Operation Rising- and Falling-Edge Trigger
    7. 15.7 Application of the APWM Mode
      1. 15.7.1 Example 1 - Simple PWM Generation (Independent Channels)
    8. 15.8 Software
      1. 15.8.1 ECAP Examples
        1. 15.8.1.1 eCAP APWM Example
        2. 15.8.1.2 eCAP Capture PWM Example
        3. 15.8.1.3 eCAP APWM Phase-shift Example
        4. 15.8.1.4 eCAP Software Sync Example
    9. 15.9 eCAP Registers
      1. 15.9.1 eCAP Base Addresses
      2. 15.9.2 ECAP_REGS Registers
      3. 15.9.3 ECAP Registers to Driverlib Functions
  18. 16Enhanced Quadrature Encoder Pulse (eQEP)
    1. 16.1  Introduction
      1. 16.1.1 EQEP Related Collateral
    2. 16.2  Configuring Device Pins
    3. 16.3  Description
      1. 16.3.1 EQEP Inputs
      2. 16.3.2 Functional Description
      3. 16.3.3 eQEP Memory Map
    4. 16.4  Quadrature Decoder Unit (QDU)
      1. 16.4.1 Position Counter Input Modes
        1. 16.4.1.1 Quadrature Count Mode
        2. 16.4.1.2 Direction-Count Mode
        3. 16.4.1.3 Up-Count Mode
        4. 16.4.1.4 Down-Count Mode
      2. 16.4.2 eQEP Input Polarity Selection
      3. 16.4.3 Position-Compare Sync Output
    5. 16.5  Position Counter and Control Unit (PCCU)
      1. 16.5.1 Position Counter Operating Modes
        1. 16.5.1.1 Position Counter Reset on Index Event (QEPCTL[PCRM]=00)
        2. 16.5.1.2 Position Counter Reset on Maximum Position (QEPCTL[PCRM]=01)
        3. 16.5.1.3 Position Counter Reset on the First Index Event (QEPCTL[PCRM] = 10)
        4. 16.5.1.4 Position Counter Reset on Unit Time-out Event (QEPCTL[PCRM] = 11)
      2. 16.5.2 Position Counter Latch
        1. 16.5.2.1 Index Event Latch
        2. 16.5.2.2 Strobe Event Latch
      3. 16.5.3 Position Counter Initialization
      4. 16.5.4 eQEP Position-compare Unit
    6. 16.6  eQEP Edge Capture Unit
    7. 16.7  eQEP Watchdog
    8. 16.8  eQEP Unit Timer Base
    9. 16.9  eQEP Interrupt Structure
    10. 16.10 eQEP Registers
      1. 16.10.1 eQEP Base Addresses
      2. 16.10.2 EQEP_REGS Registers
      3. 16.10.3 EQEP Registers to Driverlib Functions
  19. 17Serial Peripheral Interface (SPI)
    1. 17.1 Introduction
      1. 17.1.1 Features
      2. 17.1.2 SPI Related Collateral
      3. 17.1.3 Block Diagram
    2. 17.2 System-Level Integration
      1. 17.2.1 SPI Module Signals
      2. 17.2.2 Configuring Device Pins
        1. 17.2.2.1 GPIOs Required for High-Speed Mode
      3. 17.2.3 SPI Interrupts
      4. 17.2.4 DMA Support
    3. 17.3 SPI Operation
      1. 17.3.1  Introduction to Operation
      2. 17.3.2  Master Mode
      3. 17.3.3  Slave Mode
      4. 17.3.4  Data Format
        1. 17.3.4.1 Transmission of Bit from SPIRXBUF
      5. 17.3.5  Baud Rate Selection
        1. 17.3.5.1 Baud Rate Determination
        2. 17.3.5.2 Baud Rate Calculation in Non-High Speed Mode (HS_MODE = 0)
      6. 17.3.6  SPI Clocking Schemes
      7. 17.3.7  SPI FIFO Description
      8. 17.3.8  SPI DMA Transfers
        1. 17.3.8.1 Transmitting Data Using SPI with DMA
        2. 17.3.8.2 Receiving Data Using SPI with DMA
      9. 17.3.9  SPI High-Speed Mode
      10. 17.3.10 SPI 3-Wire Mode Description
    4. 17.4 Programming Procedure
      1. 17.4.1 Initialization Upon Reset
      2. 17.4.2 Configuring the SPI
      3. 17.4.3 Configuring the SPI for High-Speed Mode
      4. 17.4.4 Data Transfer Example
      5. 17.4.5 SPI 3-Wire Mode Code Examples
        1. 17.4.5.1 3-Wire Master Mode Transmit
        2.       852
          1. 17.4.5.2.1 3-Wire Master Mode Receive
        3.       854
          1. 17.4.5.2.1 3-Wire Slave Mode Transmit
        4.       856
          1. 17.4.5.2.1 3-Wire Slave Mode Receive
      6. 17.4.6 SPI STEINV Bit in Digital Audio Transfers
    5. 17.5 Software
      1. 17.5.1 SPI Examples
        1. 17.5.1.1 SPI Digital Loopback
        2. 17.5.1.2 SPI Digital Loopback with FIFO Interrupts
        3. 17.5.1.3 SPI Digital External Loopback without FIFO Interrupts
        4. 17.5.1.4 SPI Digital External Loopback with FIFO Interrupts
        5. 17.5.1.5 SPI Digital Loopback with DMA
        6. 17.5.1.6 SPI EEPROM
        7. 17.5.1.7 SPI DMA EEPROM
    6. 17.6 SPI Registers
      1. 17.6.1 SPI Base Addresses
      2. 17.6.2 SPI_REGS Registers
      3. 17.6.3 SPI Registers to Driverlib Functions
  20. 18Serial Communications Interface (SCI)
    1. 18.1  Introduction
      1. 18.1.1 Features
      2. 18.1.2 SCI Related Collateral
      3. 18.1.3 Block Diagram
    2. 18.2  Architecture
    3. 18.3  SCI Module Signal Summary
    4. 18.4  Configuring Device Pins
    5. 18.5  Multiprocessor and Asynchronous Communication Modes
    6. 18.6  SCI Programmable Data Format
    7. 18.7  SCI Multiprocessor Communication
      1. 18.7.1 Recognizing the Address Byte
      2. 18.7.2 Controlling the SCI TX and RX Features
      3. 18.7.3 Receipt Sequence
    8. 18.8  Idle-Line Multiprocessor Mode
      1. 18.8.1 Idle-Line Mode Steps
      2. 18.8.2 Block Start Signal
      3. 18.8.3 Wake-Up Temporary (WUT) Flag
        1. 18.8.3.1 Sending a Block Start Signal
      4. 18.8.4 Receiver Operation
    9. 18.9  Address-Bit Multiprocessor Mode
      1. 18.9.1 Sending an Address
    10. 18.10 SCI Communication Format
      1. 18.10.1 Receiver Signals in Communication Modes
      2. 18.10.2 Transmitter Signals in Communication Modes
    11. 18.11 SCI Port Interrupts
      1. 18.11.1 Break Detect
    12. 18.12 SCI Baud Rate Calculations
    13. 18.13 SCI Enhanced Features
      1. 18.13.1 SCI FIFO Description
      2. 18.13.2 SCI Auto-Baud
      3. 18.13.3 Autobaud-Detect Sequence
    14. 18.14 Software
      1. 18.14.1 SCI Examples
    15. 18.15 SCI Registers
      1. 18.15.1 SCI Base Addresses
      2. 18.15.2 SCI_REGS Registers
      3. 18.15.3 SCI Registers to Driverlib Functions
  21. 19Inter-Integrated Circuit Module (I2C)
    1. 19.1 Introduction
      1. 19.1.1 I2C Related Collateral
      2. 19.1.2 Features
      3. 19.1.3 Features Not Supported
      4. 19.1.4 Functional Overview
      5. 19.1.5 Clock Generation
      6. 19.1.6 I2C Clock Divider Registers (I2CCLKL and I2CCLKH)
        1. 19.1.6.1 Formula for the Master Clock Period
    2. 19.2 Configuring Device Pins
    3. 19.3 I2C Module Operational Details
      1. 19.3.1  Input and Output Voltage Levels
      2. 19.3.2  Selecting Pullup Resistors
      3. 19.3.3  Data Validity
      4. 19.3.4  Operating Modes
      5. 19.3.5  I2C Module START and STOP Conditions
      6. 19.3.6  Non-repeat Mode versus Repeat Mode
      7. 19.3.7  Serial Data Formats
        1. 19.3.7.1 7-Bit Addressing Format
        2. 19.3.7.2 10-Bit Addressing Format
        3. 19.3.7.3 Free Data Format
        4. 19.3.7.4 Using a Repeated START Condition
      8. 19.3.8  Clock Synchronization
      9. 19.3.9  Arbitration
      10. 19.3.10 Digital Loopback Mode
      11. 19.3.11 NACK Bit Generation
    4. 19.4 Interrupt Requests Generated by the I2C Module
      1. 19.4.1 Basic I2C Interrupt Requests
      2. 19.4.2 I2C FIFO Interrupts
    5. 19.5 Resetting or Disabling the I2C Module
    6. 19.6 Software
      1. 19.6.1 I2C Examples
        1. 19.6.1.1 C28x-I2C Library source file for FIFO interrupts
        2. 19.6.1.2 C28x-I2C Library source file for FIFO using polling
        3. 19.6.1.3 C28x-I2C Library source file for FIFO interrupts
        4. 19.6.1.4 I2C Digital Loopback with FIFO Interrupts
        5. 19.6.1.5 I2C EEPROM
        6. 19.6.1.6 I2C Digital External Loopback with FIFO Interrupts
        7. 19.6.1.7 I2C EEPROM
        8. 19.6.1.8 I2C controller target communication using FIFO interrupts
        9. 19.6.1.9 I2C EEPROM
    7. 19.7 I2C Registers
      1. 19.7.1 I2C Base Addresses
      2. 19.7.2 I2C_REGS Registers
      3. 19.7.3 I2C Registers to Driverlib Functions
  22. 20Multichannel Buffered Serial Port (McBSP)
    1. 20.1  Introduction
      1. 20.1.1 MCBSP Related Collateral
      2. 20.1.2 Features of the McBSPs
      3. 20.1.3 McBSP Pins/Signals
        1. 20.1.3.1 McBSP Generic Block Diagram
    2. 20.2  Configuring Device Pins
    3. 20.3  McBSP Operation
      1. 20.3.1 Data Transfer Process of McBSPs
        1. 20.3.1.1 Data Transfer Process for Word Length of 8, 12, or 16 Bits
        2. 20.3.1.2 Data Transfer Process for Word Length of 20, 24, or 32 Bits
      2. 20.3.2 Companding (Compressing and Expanding) Data
        1. 20.3.2.1 Companding Formats
        2. 20.3.2.2 Capability to Compand Internal Data
        3. 20.3.2.3 Reversing Bit Order: Option to Transfer LSB First
      3. 20.3.3 Clocking and Framing Data
        1. 20.3.3.1 Clocking
        2. 20.3.3.2 Serial Words
        3. 20.3.3.3 Frames and Frame Synchronization
        4. 20.3.3.4 Generating Transmit and Receive Interrupts
          1. 20.3.3.4.1 Detecting Frame-Synchronization Pulses, Even in Reset State
        5. 20.3.3.5 Ignoring Frame-Synchronization Pulses
        6. 20.3.3.6 Frame Frequency
        7. 20.3.3.7 Maximum Frame Frequency
      4. 20.3.4 Frame Phases
        1. 20.3.4.1 Number of Phases, Words, and Bits Per Frame
        2. 20.3.4.2 Single-Phase Frame Example
        3. 20.3.4.3 Dual-Phase Frame Example
        4. 20.3.4.4 Implementing the AC97 Standard With a Dual-Phase Frame
      5. 20.3.5 McBSP Reception
      6. 20.3.6 McBSP Transmission
      7. 20.3.7 Interrupts and DMA Events Generated by a McBSP
    4. 20.4  McBSP Sample Rate Generator
      1. 20.4.1 Block Diagram
        1. 20.4.1.1 Clock Generation in the Sample Rate Generator
        2. 20.4.1.2 Choosing an Input Clock
        3. 20.4.1.3 Choosing a Polarity for the Input Clock
        4. 20.4.1.4 Choosing a Frequency for the Output Clock (CLKG)
          1. 20.4.1.4.1 CLKG Frequency
        5. 20.4.1.5 Keeping CLKG Synchronized to External MCLKR
      2. 20.4.2 Frame Synchronization Generation in the Sample Rate Generator
        1. 20.4.2.1 Choosing the Width of the Frame-Synchronization Pulse on FSG
        2. 20.4.2.2 Controlling the Period Between the Starting Edges of Frame-Synchronization Pulses on FSG
        3. 20.4.2.3 Keeping FSG Synchronized to an External Clock
      3. 20.4.3 Synchronizing Sample Rate Generator Outputs to an External Clock
        1. 20.4.3.1 Operating the Transmitter Synchronously with the Receiver
        2. 20.4.3.2 Synchronization Examples
      4. 20.4.4 Reset and Initialization Procedure for the Sample Rate Generator
    5. 20.5  McBSP Exception/Error Conditions
      1. 20.5.1 Types of Errors
      2. 20.5.2 Overrun in the Receiver
        1. 20.5.2.1 Example of Overrun Condition
        2. 20.5.2.2 Example of Preventing Overrun Condition
      3. 20.5.3 Unexpected Receive Frame-Synchronization Pulse
        1. 20.5.3.1 Possible Responses to Receive Frame-Synchronization Pulses
        2. 20.5.3.2 Example of Unexpected Receive Frame-Synchronization Pulse
        3. 20.5.3.3 Preventing Unexpected Receive Frame-Synchronization Pulses
      4. 20.5.4 Overwrite in the Transmitter
        1. 20.5.4.1 Example of Overwrite Condition
        2. 20.5.4.2 Preventing Overwrites
      5. 20.5.5 Underflow in the Transmitter
        1. 20.5.5.1 Example of the Underflow Condition
        2. 20.5.5.2 Example of Preventing Underflow Condition
      6. 20.5.6 Unexpected Transmit Frame-Synchronization Pulse
        1. 20.5.6.1 Possible Responses to Transmit Frame-Synchronization Pulses
        2. 20.5.6.2 Example of Unexpected Transmit Frame-Synchronization Pulse
        3. 20.5.6.3 Preventing Unexpected Transmit Frame-Synchronization Pulses
    6. 20.6  Multichannel Selection Modes
      1. 20.6.1 Channels, Blocks, and Partitions
      2. 20.6.2 Multichannel Selection
      3. 20.6.3 Configuring a Frame for Multichannel Selection
      4. 20.6.4 Using Two Partitions
        1. 20.6.4.1 Assigning Blocks to Partitions A and B
        2. 20.6.4.2 Reassigning Blocks During Reception/Transmission
      5. 20.6.5 Using Eight Partitions
      6. 20.6.6 Receive Multichannel Selection Mode
      7. 20.6.7 Transmit Multichannel Selection Modes
        1. 20.6.7.1 Disabling/Enabling Versus Masking/Unmasking
        2. 20.6.7.2 Activity on McBSP Pins for Different Values of XMCM
      8. 20.6.8 Using Interrupts Between Block Transfers
    7. 20.7  SPI Operation Using the Clock Stop Mode
      1. 20.7.1 SPI Protocol
      2. 20.7.2 Clock Stop Mode
      3. 20.7.3 Enable and Configure the Clock Stop Mode
      4. 20.7.4 Clock Stop Mode Timing Diagrams
      5. 20.7.5 Procedure for Configuring a McBSP for SPI Operation
      6. 20.7.6 McBSP as the SPI Master
      7. 20.7.7 McBSP as an SPI Slave
    8. 20.8  Receiver Configuration
      1. 20.8.1  Programming the McBSP Registers for the Desired Receiver Operation
      2. 20.8.2  Resetting and Enabling the Receiver
        1. 20.8.2.1 Reset Considerations
      3. 20.8.3  Set the Receiver Pins to Operate as McBSP Pins
      4. 20.8.4  Digital Loopback Mode
      5. 20.8.5  Clock Stop Mode
      6. 20.8.6  Receive Multichannel Selection Mode
      7. 20.8.7  Receive Frame Phases
      8. 20.8.8  Receive Word Lengths
        1. 20.8.8.1 Word Length Bits
      9. 20.8.9  Receive Frame Length
        1. 20.8.9.1 Selected Frame Length
      10. 20.8.10 Receive Frame-Synchronization Ignore Function
        1. 20.8.10.1 Unexpected Frame-Synchronization Pulses and the Frame-Synchronization Ignore Function
        2. 20.8.10.2 Examples of Effects of RFIG
      11. 20.8.11 Receive Companding Mode
        1. 20.8.11.1 Companding
        2. 20.8.11.2 Format of Expanded Data
        3. 20.8.11.3 Companding Internal Data
        4. 20.8.11.4 Option to Receive LSB First
      12. 20.8.12 Receive Data Delay
        1. 20.8.12.1 Data Delay
        2. 20.8.12.2 0-Bit Data Delay
        3. 20.8.12.3 2-Bit Data Delay
      13. 20.8.13 Receive Sign-Extension and Justification Mode
        1. 20.8.13.1 Sign-Extension and the Justification
      14. 20.8.14 Receive Interrupt Mode
      15. 20.8.15 Receive Frame-Synchronization Mode
        1. 20.8.15.1 Receive Frame-Synchronization Modes
      16. 20.8.16 Receive Frame-Synchronization Polarity
        1. 20.8.16.1 Frame-Synchronization Pulses, Clock Signals, and Their Polarities
        2. 20.8.16.2 Frame-Synchronization Period and the Frame-Synchronization Pulse Width
      17. 20.8.17 Receive Clock Mode
        1. 20.8.17.1 Selecting a Source for the Receive Clock and a Data Direction for the MCLKR Pin
      18. 20.8.18 Receive Clock Polarity
        1. 20.8.18.1 Frame Synchronization Pulses, Clock Signals, and Their Polarities
      19. 20.8.19 SRG Clock Divide-Down Value
        1. 20.8.19.1 Sample Rate Generator Clock Divider
      20. 20.8.20 SRG Clock Synchronization Mode
      21. 20.8.21 SRG Clock Mode (Choose an Input Clock)
      22. 20.8.22 SRG Input Clock Polarity
        1. 20.8.22.1 Using CLKXP/CLKRP to Choose an Input Clock Polarity
    9. 20.9  Transmitter Configuration
      1. 20.9.1  Programming the McBSP Registers for the Desired Transmitter Operation
      2. 20.9.2  Resetting and Enabling the Transmitter
        1. 20.9.2.1 Reset Considerations
      3. 20.9.3  Set the Transmitter Pins to Operate as McBSP Pins
      4. 20.9.4  Digital Loopback Mode
      5. 20.9.5  Clock Stop Mode
      6. 20.9.6  Transmit Multichannel Selection Mode
      7. 20.9.7  XCERs Used in the Transmit Multichannel Selection Mode
      8. 20.9.8  Transmit Frame Phases
      9. 20.9.9  Transmit Word Lengths
        1. 20.9.9.1 Word Length Bits
      10. 20.9.10 Transmit Frame Length
        1. 20.9.10.1 Selected Frame Length
      11. 20.9.11 Enable/Disable the Transmit Frame-Synchronization Ignore Function
        1. 20.9.11.1 Unexpected Frame-Synchronization Pulses and Frame-Synchronization Ignore
        2. 20.9.11.2 Examples Showing the Effects of XFIG
      12. 20.9.12 Transmit Companding Mode
        1. 20.9.12.1 Companding
        2. 20.9.12.2 Format for Data To Be Compressed
        3. 20.9.12.3 Capability to Compand Internal Data
        4. 20.9.12.4 Option to Transmit LSB First
      13. 20.9.13 Transmit Data Delay
        1. 20.9.13.1 Data Delay
        2. 20.9.13.2 0-Bit Data Delay
        3. 20.9.13.3 2-Bit Data Delay
      14. 20.9.14 Transmit DXENA Mode
      15. 20.9.15 Transmit Interrupt Mode
      16. 20.9.16 Transmit Frame-Synchronization Mode
        1. 20.9.16.1 Other Considerations
      17. 20.9.17 Transmit Frame-Synchronization Polarity
        1. 20.9.17.1 Frame Synchronization Pulses, Clock Signals, and Their Polarities
      18. 20.9.18 SRG Frame-Synchronization Period and Pulse Width
        1. 20.9.18.1 Frame-Synchronization Period and Frame-Synchronization Pulse Width
      19. 20.9.19 Transmit Clock Mode
        1. 20.9.19.1 Selecting a Source for the Transmit Clock and a Data Direction for the MCLKX pin
        2. 20.9.19.2 Other Considerations
      20. 20.9.20 Transmit Clock Polarity
        1. 20.9.20.1 Frame Synchronization Pulses, Clock Signals, and Their Polarities
    10. 20.10 Emulation and Reset Considerations
      1. 20.10.1 McBSP Emulation Mode
      2. 20.10.2 Resetting and Initializing McBSPs
        1. 20.10.2.1 McBSP Pin States: DSP Reset Versus Receiver/Transmitter Reset
        2. 20.10.2.2 Device Reset, McBSP Reset, and Sample Rate Generator Reset
        3. 20.10.2.3 McBSP Initialization Procedure
        4. 20.10.2.4 Resetting the Transmitter While the Receiver is Running
          1. 20.10.2.4.1 Resetting and Configuring McBSP Transmitter While McBSP Receiver Running
    11. 20.11 Data Packing Examples
      1. 20.11.1 Data Packing Using Frame Length and Word Length
      2. 20.11.2 Data Packing Using Word Length and the Frame-Synchronization Ignore Function
    12. 20.12 Interrupt Generation
      1. 20.12.1 McBSP Receive Interrupt Generation
      2. 20.12.2 McBSP Transmit Interrupt Generation
      3. 20.12.3 Error Flags
    13. 20.13 McBSP Modes
    14. 20.14 Special Case: External Device is the Transmit Frame Master
    15. 20.15 Software
      1. 20.15.1 MCBSP Examples
    16. 20.16 McBSP Registers
      1. 20.16.1 McBSP Base Addresses
      2. 20.16.2 McBSP_REGS Registers
      3. 20.16.3 MCBSP Registers to Driverlib Functions
  23. 21Controller Area Network (CAN)
    1. 21.1  Introduction
      1. 21.1.1 DCAN Related Collateral
      2. 21.1.2 Features
      3. 21.1.3 Block Diagram
        1. 21.1.3.1 CAN Core
        2. 21.1.3.2 Message Handler
        3. 21.1.3.3 Message RAM
        4. 21.1.3.4 Registers and Message Object Access (IFx)
    2. 21.2  Functional Description
      1. 21.2.1 Configuring Device Pins
      2. 21.2.2 Address/Data Bus Bridge
    3. 21.3  Operating Modes
      1. 21.3.1 Initialization
      2. 21.3.2 CAN Message Transfer (Normal Operation)
        1. 21.3.2.1 Disabled Automatic Retransmission
        2. 21.3.2.2 Auto-Bus-On
      3. 21.3.3 Test Modes
        1. 21.3.3.1 Silent Mode
        2. 21.3.3.2 Loopback Mode
        3. 21.3.3.3 External Loopback Mode
        4. 21.3.3.4 Loopback Combined with Silent Mode
    4. 21.4  Multiple Clock Source
    5. 21.5  Interrupt Functionality
      1. 21.5.1 Message Object Interrupts
      2. 21.5.2 Status Change Interrupts
      3. 21.5.3 Error Interrupts
      4. 21.5.4 Peripheral Interrupt Expansion (PIE) Module Nomenclature for DCAN Interrupts
      5. 21.5.5 Interrupt Topologies
    6. 21.6  Parity Check Mechanism
      1. 21.6.1 Behavior on Parity Error
    7. 21.7  Debug Mode
    8. 21.8  Module Initialization
    9. 21.9  Configuration of Message Objects
      1. 21.9.1 Configuration of a Transmit Object for Data Frames
      2. 21.9.2 Configuration of a Transmit Object for Remote Frames
      3. 21.9.3 Configuration of a Single Receive Object for Data Frames
      4. 21.9.4 Configuration of a Single Receive Object for Remote Frames
      5. 21.9.5 Configuration of a FIFO Buffer
    10. 21.10 Message Handling
      1. 21.10.1  Message Handler Overview
      2. 21.10.2  Receive/Transmit Priority
      3. 21.10.3  Transmission of Messages in Event Driven CAN Communication
      4. 21.10.4  Updating a Transmit Object
      5. 21.10.5  Changing a Transmit Object
      6. 21.10.6  Acceptance Filtering of Received Messages
      7. 21.10.7  Reception of Data Frames
      8. 21.10.8  Reception of Remote Frames
      9. 21.10.9  Reading Received Messages
      10. 21.10.10 Requesting New Data for a Receive Object
      11. 21.10.11 Storing Received Messages in FIFO Buffers
      12. 21.10.12 Reading from a FIFO Buffer
    11. 21.11 CAN Bit Timing
      1. 21.11.1 Bit Time and Bit Rate
        1. 21.11.1.1 Synchronization Segment
        2. 21.11.1.2 Propagation Time Segment
        3. 21.11.1.3 Phase Buffer Segments and Synchronization
        4. 21.11.1.4 Oscillator Tolerance Range
      2. 21.11.2 Configuration of the CAN Bit Timing
        1. 21.11.2.1 Calculation of the Bit Timing Parameters
        2. 21.11.2.2 Example for Bit Timing at High Baudrate
        3. 21.11.2.3 Example for Bit Timing at Low Baudrate
    12. 21.12 Message Interface Register Sets
      1. 21.12.1 Message Interface Register Sets 1 and 2 (IF1 and IF2)
      2. 21.12.2 Message Interface Register Set 3 (IF3)
    13. 21.13 Message RAM
      1. 21.13.1 Structure of Message Objects
      2. 21.13.2 Addressing Message Objects in RAM
      3. 21.13.3 Message RAM Representation in Debug Mode
    14. 21.14 Software
      1. 21.14.1 CAN Examples
    15. 21.15 CAN Registers
      1. 21.15.1 CAN Base Addresses
      2. 21.15.2 CAN_REGS Registers
      3. 21.15.3 CAN Registers to Driverlib Functions
  24. 22Universal Serial Bus (USB) Controller
    1. 22.1 Introduction
      1. 22.1.1 Features
      2. 22.1.2 USB Related Collateral
      3. 22.1.3 Block Diagram
        1. 22.1.3.1 Signal Description
        2. 22.1.3.2 VBus Recommendations
    2. 22.2 Functional Description
      1. 22.2.1 Operation as a Device
        1. 22.2.1.1 Control and Configurable Endpoints
          1. 22.2.1.1.1 IN Transactions as a Device
          2. 22.2.1.1.2 Out Transactions as a Device
          3. 22.2.1.1.3 Scheduling
          4. 22.2.1.1.4 Additional Actions
          5. 22.2.1.1.5 Device Mode Suspend
          6. 22.2.1.1.6 Start of Frame
          7. 22.2.1.1.7 USB Reset
          8. 22.2.1.1.8 Connect/Disconnect
      2. 22.2.2 Operation as a Host
        1. 22.2.2.1 Endpoint Registers
        2. 22.2.2.2 IN Transactions as a Host
        3. 22.2.2.3 OUT Transactions as a Host
        4. 22.2.2.4 Transaction Scheduling
        5. 22.2.2.5 USB Hubs
        6. 22.2.2.6 Babble
        7. 22.2.2.7 Host SUSPEND
        8. 22.2.2.8 USB RESET
        9. 22.2.2.9 Connect/Disconnect
      3. 22.2.3 DMA Operation
      4. 22.2.4 Address/Data Bus Bridge
    3. 22.3 Initialization and Configuration
      1. 22.3.1 Pin Configuration
      2. 22.3.2 Endpoint Configuration
    4. 22.4 USB Global Interrupts
    5. 22.5 Software
      1. 22.5.1 USB Examples
    6. 22.6 USB Registers
      1. 22.6.1 USB Base Address
      2. 22.6.2 USB Register Map
      3. 22.6.3 Register Descriptions
        1. 22.6.3.1  USB Device Functional Address Register (USBFADDR), offset 0x000
        2. 22.6.3.2  USB Power Management Register (USBPOWER), offset 0x001
        3. 22.6.3.3  USB Transmit Interrupt Status Register
        4. 22.6.3.4  USB Receive Interrupt Status Register
        5. 22.6.3.5  USB Transmit Interrupt Enable Register
        6. 22.6.3.6  USB Receive Interrupt Enable Register
        7. 22.6.3.7  USB General Interrupt Status Register (USBIS), offset 0x00A
        8. 22.6.3.8  USB Interrupt Enable Register (USBIE), offset 0x00B
        9. 22.6.3.9  USB Frame Value Register (USBFRAME), offset 0x00C
        10. 22.6.3.10 USB Endpoint Index Register (USBEPIDX), offset 0x00E
        11. 22.6.3.11 USB Test Mode Register (USBTEST), offset 0x00F
        12. 22.6.3.12 USB FIFO Endpoint n Register (USBFIFO[0]-USBFIFO[3])
        13. 22.6.3.13 USB Device Control Register (USBDEVCTL), offset 0x060
        14. 22.6.3.14 USB Transmit Dynamic FIFO Sizing Register (USBTXFIFOSZ), offset 0x062
        15. 22.6.3.15 USB Receive Dynamic FIFO Sizing Register (USBRXFIFOSZ), offset 0x063
        16. 22.6.3.16 USB Transmit FIFO Start Address Register (USBTXFIFOADD), offset 0x064
        17. 22.6.3.17 USB Receive FIFO Start Address Register (USBRXFIFOADD), offset 0x066
        18. 22.6.3.18 USB Connect Timing Register (USBCONTIM), offset 0x07A
        19. 22.6.3.19 USB Full-Speed Last Transaction to End of Frame Timing Register (USBFSEOF), offset 0x07D
        20. 22.6.3.20 USB Low-Speed Last Transaction to End of Frame Timing Register (USBLSEOF), offset 0x07E
        21. 22.6.3.21 USB Transmit Functional Address Endpoint n Registers (USBTXFUNCADDR[0]-USBTXFUNCADDR[n])
        22. 22.6.3.22 USB Transmit Hub Address Endpoint n Registers (USBTXHUBADDR[0]-USBTXHUBADDR[n])
        23. 22.6.3.23 USB Transmit Hub Port Endpoint n Registers (USBTXHUBPORT[0]-USBTXHUBPORT[n])
        24. 22.6.3.24 USB Receive Functional Address Endpoint n Registers (USBRXFUNCADDR[1]-USBRXFUNCADDR[n)
        25. 22.6.3.25 USB Receive Hub Address Endpoint n Registers (USBRXHUBADDR[1]-USBRXHUBADDR[n])
        26. 22.6.3.26 USB Receive Hub Port Endpoint n Register (USBRXHUBPORT[1]-USBRXHUBPORT[n])
        27. 22.6.3.27 USB Maximum Transmit Data Endpoint n Registers (USBTXMAXP[1]-USBTXMAXP[n])
        28. 22.6.3.28 USB Control and Status Endpoint 0 Low Register (USBCSRL0), offset 0x102
        29. 22.6.3.29 USB Control and Status Endpoint 0 High Register (USBCSRH0), offset 0x103
        30. 22.6.3.30 USB Receive Byte Count Endpoint 0 Register (USBCOUNT0), offset 0x108
        31. 22.6.3.31 USB Type Endpoint 0 Register (USBTYPE0), offset 0x10A
        32. 22.6.3.32 USB NAK Limit Register (USBNAKLMT), offset 0x10B
        33. 22.6.3.33 USB Transmit Control and Status Endpoint n Low Register (USBTXCSRL[1]-USBTXCSRL[n])
        34. 22.6.3.34 USB Transmit Control and Status Endpoint n High Register (USBTXCSRH[1]-USBTXCSRH[n])
        35. 22.6.3.35 USB Maximum Receive Data Endpoint n Registers (USBRXMAXP[1]-USBRXMAXP[n])
        36. 22.6.3.36 USB Receive Control and Status Endpoint n Low Register (USBRXCSRL[1]-USBRXCSRL[n])
        37. 22.6.3.37 USB Receive Control and Status Endpoint n High Register (USBRXCSRH[1]-USBRXCSRH[n])
        38. 22.6.3.38 USB Receive Byte Count Endpoint n Register (USBRXCOUNT[1]-USBRXCOUNT[n])
        39. 22.6.3.39 USB Host Transmit Configure Type Endpoint n Registers (USBTXTYPE[1]-USBTXTYPE[n])
        40. 22.6.3.40 USB Host Transmit Interval Endpoint n Registers (USBTXINTERVAL[1]-USBTXINTERVAL[n])
        41. 22.6.3.41 USB Host Configure Receive Type Endpoint n Register (USBRXTYPE[1]-USBRXTYPE[n])
        42. 22.6.3.42 USB Host Receive Polling Interval Endpoint n Registers (USBRXINTERVAL[1]-USBRXINTERVAL[n])
        43. 22.6.3.43 USB Request Packet Count in Block Transfer Endpoint n Registers (USBRQPKTCOUNT[1]-USBRQPKTCOUNT[n])
        44. 22.6.3.44 USB Receive Double Packet Buffer Disable Register (USBRXDPKTBUFDIS), offset 0x340
        45. 22.6.3.45 USB Transmit Double Packet Buffer Disable Register (USBTXDPKTBUFDIS), offset 0x342
        46. 22.6.3.46 USB External Power Control Register (USBEPC), offset 0x400
        47. 22.6.3.47 USB External Power Control Raw Interrupt Status Register (USBEPCRIS), offset 0x404
        48. 22.6.3.48 USB External Power Control Interrupt Mask Register (USBEPCIM), offset 0x408
        49. 22.6.3.49 USB External Power Control Interrupt Status and Clear Register (USBEPCISC), offset 0x40C
        50. 22.6.3.50 USB Device RESUME Raw Interrupt Status Register (USBDRRIS), offset 0x410
        51. 22.6.3.51 USB Device RESUME Raw Interrupt Mask Register (USBDRIM), offset 0x414
        52. 22.6.3.52 USB Device RESUME Interrupt Status and Clear Register (USBDRISC), offset 0x418
        53. 22.6.3.53 USB General-Purpose Control and Status Register (USBGPCS), offset 0x41C
        54. 22.6.3.54 USB DMA Select Register (USBDMASEL), offset 0x450
      4. 22.6.4 USB Registers to Driverlib Functions
  25. 23Universal Parallel Port (uPP)
    1. 23.1 Introduction
      1. 23.1.1 Features Supported
    2. 23.2 Configuring Device Pins
    3. 23.3 Functional Description
      1. 23.3.1 Functional Block Diagram
      2. 23.3.2 Data Flow
      3. 23.3.3 Clock Generation and Control
    4. 23.4 IO Interface and System Requirements
      1. 23.4.1  Pin Multiplexing
      2. 23.4.2  Internal DMA Controller Description
        1. 23.4.2.1 DMA Programming Concepts
        2. 23.4.2.2 Data Interleave Mode
      3. 23.4.3  Protocol Description
        1. 23.4.3.1 DATA[7:0] Signals
        2. 23.4.3.2 START Signal
        3. 23.4.3.3 ENABLE
        4. 23.4.3.4 WAIT Signal
        5. 23.4.3.5 CLOCK Signal
        6. 23.4.3.6 Signal Timing Diagrams
      4. 23.4.4  Data Format
      5. 23.4.5  Reset Considerations
        1. 23.4.5.1 Software Reset
        2. 23.4.5.2 Hardware Reset
      6. 23.4.6  Interrupt Support
        1. 23.4.6.1 End of Line (EOL) Event
        2. 23.4.6.2 End of Window (EOW) Event
        3. 23.4.6.3 Underrun or Overflow (UOR) Event
        4. 23.4.6.4 DMA Programming Error (DPE) Event
      7. 23.4.7  Emulation Considerations
      8. 23.4.8  Transmit and Receive FIFOs
      9. 23.4.9  Transmit and Receive Data (MSG) RAM
      10. 23.4.10 Initialization and Operation
        1. 23.4.10.1 System Tuning Tips
    5. 23.5 UPP Registers
      1. 23.5.1 UPP Base Addresses
      2. 23.5.2 UPP_REGS Registers
      3. 23.5.3 UPP Registers to Driverlib Functions
  26. 24External Memory Interface (EMIF)
    1. 24.1 Introduction
      1. 24.1.1 Purpose of the Peripheral
      2. 24.1.2 EMIF Related Collateral
      3. 24.1.3 Features
        1. 24.1.3.1 Asynchronous Memory Support
        2. 24.1.3.2 Synchronous DRAM Memory Support
      4. 24.1.4 Functional Block Diagram
      5. 24.1.5 Configuring Device Pins
    2. 24.2 EMIF Module Architecture
      1. 24.2.1  EMIF Clock Control
      2. 24.2.2  EMIF Requests
      3. 24.2.3  EMIF Signal Descriptions
      4. 24.2.4  EMIF Signal Multiplexing Control
      5. 24.2.5  SDRAM Controller and Interface
        1. 24.2.5.1  SDRAM Commands
        2. 24.2.5.2  Interfacing to SDRAM
        3. 24.2.5.3  SDRAM Configuration Registers
        4. 24.2.5.4  SDRAM Auto-Initialization Sequence
        5. 24.2.5.5  SDRAM Configuration Procedure
        6. 24.2.5.6  EMIF Refresh Controller
          1. 24.2.5.6.1 Determining the Appropriate Value for the RR Field
        7. 24.2.5.7  Self-Refresh Mode
        8. 24.2.5.8  Power-Down Mode
        9. 24.2.5.9  SDRAM Read Operation
        10. 24.2.5.10 SDRAM Write Operations
        11. 24.2.5.11 Mapping from Logical Address to EMIF Pins
      6. 24.2.6  Asynchronous Controller and Interface
        1. 24.2.6.1 Interfacing to Asynchronous Memory
        2. 24.2.6.2 Accessing Larger Asynchronous Memories
        3. 24.2.6.3 Configuring EMIF for Asynchronous Accesses
        4. 24.2.6.4 Read and Write Operations in Normal Mode
          1. 24.2.6.4.1 Asynchronous Read Operations (Normal Mode)
          2. 24.2.6.4.2 Asynchronous Write Operations (Normal Mode)
        5. 24.2.6.5 Read and Write Operation in Select Strobe Mode
          1. 24.2.6.5.1 Asynchronous Read Operations (Select Strobe Mode)
          2. 24.2.6.5.2 Asynchronous Write Operations (Select Strobe Mode)
        6. 24.2.6.6 Extended Wait Mode and the EM1WAIT Pin
      7. 24.2.7  Data Bus Parking
      8. 24.2.8  Reset and Initialization Considerations
      9. 24.2.9  Interrupt Support
        1. 24.2.9.1 Interrupt Events
      10. 24.2.10 DMA Event Support
      11. 24.2.11 EMIF Signal Multiplexing
      12. 24.2.12 Memory Map
      13. 24.2.13 Priority and Arbitration
      14. 24.2.14 System Considerations
        1. 24.2.14.1 Asynchronous Request Times
      15. 24.2.15 Power Management
        1. 24.2.15.1 Power Management Using Self-Refresh Mode
        2. 24.2.15.2 Power Management Using Power Down Mode
      16. 24.2.16 Emulation Considerations
    3. 24.3 Example Configuration
      1. 24.3.1 Hardware Interface
      2. 24.3.2 Software Configuration
        1. 24.3.2.1 Configuring the SDRAM Interface
          1. 24.3.2.1.1 PLL Programming for EMIF to K4S641632H-TC(L)70 Interface
          2. 24.3.2.1.2 SDRAM Timing Register (SDRAM_TR) Settings for EMIF to K4S641632H-TC(L)70 Interface
          3. 24.3.2.1.3 SDRAM Self Refresh Exit Timing Register (SDR_EXT_TMNG) Settings for EMIF to K4S641632H-TC(L)70 Interface
          4. 24.3.2.1.4 SDRAM Refresh Control Register (SDRAM_RCR) Settings for EMIF to K4S641632H-TC(L)70 Interface
          5. 24.3.2.1.5 SDRAM Configuration Register (SDRAM_CR) Settings for EMIF to K4S641632H-TC(L)70 Interface
        2. 24.3.2.2 Configuring the Flash Interface
          1. 24.3.2.2.1 Asynchronous 1 Configuration Register (ASYNC_CS2_CFG) Settings for EMIF to LH28F800BJE-PTTL90 Interface
    4. 24.4 EMIF Registers
      1. 24.4.1 EMIF Base Addresses
      2. 24.4.2 EMIF_REGS Registers
      3. 24.4.3 EMIF1_CONFIG_REGS Registers
      4. 24.4.4 EMIF2_CONFIG_REGS Registers
      5. 24.4.5 EMIF Registers to Driverlib Functions
  27. 25Configurable Logic Block (CLB)
    1. 25.1 Introduction
      1. 25.1.1 CLB Related Collateral
    2. 25.2 Description
      1. 25.2.1 CLB Clock
    3. 25.3 CLB Input/Output Connection
      1. 25.3.1 Overview
      2. 25.3.2 CLB Input Selection
      3. 25.3.3 CLB Output Selection
      4. 25.3.4 CLB Output Signal Multiplexer
    4. 25.4 CLB Tile
      1. 25.4.1 Static Switch Block
      2. 25.4.2 Counter Block
        1. 25.4.2.1 Counter Description
        2. 25.4.2.2 Counter Operation
      3. 25.4.3 FSM Block
      4. 25.4.4 LUT4 Block
      5. 25.4.5 Output LUT Block
      6. 25.4.6 High Level Controller (HLC)
        1. 25.4.6.1 High Level Controller Events
        2. 25.4.6.2 High Level Controller Instructions
        3. 25.4.6.3 <Src> and <Dest>
        4. 25.4.6.4 Operation of the PUSH and PULL Instructions (Overflow and Underflow Detection)
    5. 25.5 CPU Interface
      1. 25.5.1 Register Description
      2. 25.5.2 Non-Memory Mapped Registers
    6. 25.6 DMA Access
    7. 25.7 Software
      1. 25.7.1 CLB Examples
        1. 25.7.1.1  CLB Empty Project
        2. 25.7.1.2  CLB Combinational Logic
        3. 25.7.1.3  CLB GPIO Input Filter
        4. 25.7.1.4  CLB Auxilary PWM
        5. 25.7.1.5  CLB PWM Protection
        6. 25.7.1.6  CLB Event Window
        7. 25.7.1.7  CLB Signal Generator
        8. 25.7.1.8  CLB State Machine
        9. 25.7.1.9  CLB External Signal AND Gate
        10. 25.7.1.10 CLB Timer
        11. 25.7.1.11 CLB Timer Two States
        12. 25.7.1.12 CLB Interrupt Tag
        13. 25.7.1.13 CLB Output Intersect
        14. 25.7.1.14 CLB PUSH PULL
        15. 25.7.1.15 CLB Multi Tile
        16. 25.7.1.16 CLB Tile to Tile Delay
        17. 25.7.1.17 CLB based One-shot PWM
        18. 25.7.1.18 CLB Trip Zone Timestamp
    8. 25.8 CLB Registers
      1. 25.8.1 CLB Base Addresses
      2. 25.8.2 CLB_LOGIC_CONFIG_REGS Registers
      3. 25.8.3 CLB_LOGIC_CONTROL_REGS Registers
      4. 25.8.4 CLB_DATA_EXCHANGE_REGS Registers
      5. 25.8.5 CLB Registers to Driverlib Functions
  28. 26Revision History

Submodule Overview

The ePWM module represents one complete PWM channel composed of two PWM outputs: EPWMxA and EPWMxB. Multiple ePWM modules are instanced within a device as shown in Figure 14-1. Each ePWM instance is identical with one exception. Some instances include a hardware extension that allows more precise control of the PWM outputs. This extension is the high-resolution pulse width modulator (HRPWM) and is described in Section 14.14. See the device data sheet to determine which ePWM instances include this feature. Each ePWM module is indicated by a numerical value starting with 1. For example, ePWM1 is the first instance and ePWM3 is the third instance in the system and ePWMx indicates any instance.

The ePWM modules are chained together by way of a clock synchronization scheme that allows them to operate as a single system when required. Additionally, this synchronization scheme can be extended to the capture peripheral submodules (eCAP). The number of submodules is device-dependent and based on target application needs. Submodules can also operate standalone.

Each ePWM module supports the following features:

  • Dedicated 16-bit time-base counter with period and frequency control
  • Two PWM outputs (EPWMxA and EPWMxB) that can be used in the following configurations:
    • Two independent PWM outputs with single-edge operation
    • Two independent PWM outputs with dual-edge symmetric operation
    • One independent PWM output with dual-edge asymmetric operation
  • Asynchronous override control of PWM signals through software.
  • Programmable phase-control support for lag or lead operation relative to other ePWM modules.
  • Hardware-locked (synchronized) phase relationship on a cycle-by-cycle basis.
  • Dead-band generation with independent rising and falling edge delay control.
  • Programmable trip zone allocation of both cycle-by-cycle trip and one-shot trip on fault conditions.
  • A trip condition can force either high, low, or high-impedance state logic levels at PWM outputs.
  • All events can trigger both CPU interrupts and ADC start of conversion (SOC)
  • Programmable event prescaling minimizes CPU overhead on interrupts.
  • PWM chopping by high-frequency carrier signal, useful for pulse transformer gate drives.

Each ePWM module is connected to the input/output signals shown in Figure 14-1. The signals are described in detail in subsequent sections.

The order in which the ePWM modules are connected can differ from what is shown in Figure 14-1. See Section 14.4.3.3 for the synchronization scheme for a particular device. Each ePWM module consists of eight submodules and is connected within a system by way of the signals shown in Figure 14-2.

F2837xS Multiple
                    ePWM Modules
This signal exists only on devices with an eQEP submodule.
Figure 14-1 Multiple ePWM Modules
F2837xS Submodules and Signal
                    Connections for an ePWM Module Figure 14-2 Submodules and Signal Connections for an ePWM Module

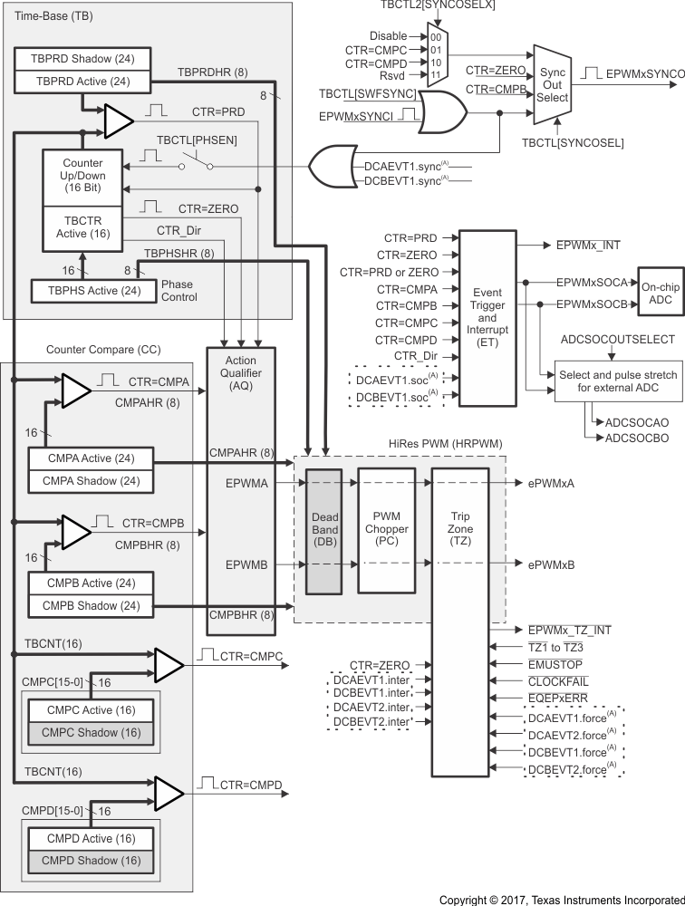
Figure 14-3 shows more internal details of a single ePWM module. The main signals used by the ePWM module are:

  • PWM output signals (EPWMxA and EPWMxB)

    The PWM output signals are made available external to the device.

  • Trip-zone signals (TZ1 to TZ6)

    These input signals alert the ePWM module of fault conditions external to the ePWM module. Each submodule on a device can be configured to either use or ignore any of the trip-zone signals. The TZ1 to TZ3 trip-zone signals can be configured as asynchronous inputs through the GPIO peripheral using the Input X-BAR logic, refer to Figure 14-50. TZ4 is connected to an inverted EQEPx error signal (EQEPxERR), which can be generated from any one of the EQEP submodule (for those devices with an EQEP module). TZ5 is connected to the system clock fail logic, and TZ6 is connected to the EMUSTOP output from the CPU. This allows configuring a trip action when the clock fails or the CPU halts.

  • Time-base synchronization input (EPWMxSYNCI), output (EPWMxSYNCO), and peripheral (EPWMxSYNCPER) signals

    The synchronization signals daisy chain the ePWM modules together. Each module can be configured to either use or ignore the synchronization input. The clock synchronization input and output signal are brought out to pins only for ePWM1 (ePWM module #1). The ePWM modules are separated into groups of three for syncing purposes. An external sync signal (EXTSYNCIN1 or EXTSYNCIN2) can be used to issue a sync signal to the first ePWM module in each chain. These same modules can also send the EPWMxSYNCOUT signal to a GPIO. For more information, see Section 14.4.3.3.

    Each ePWM module also generates another PWMSYNC signal called EPWMxSYNCPER. EPWMxSYNCPER goes to the GPDAC and CMPSS for synchronization purposes. Functionality is configured using the HRPCTL register, but has no relation with the HRPWM. For more information on how EPWMxSYNCPER is used by the GPDAC and CMPSS, see the respective chapters.

  • ADC start-of-conversion signals (EPWMxSOCA and EPWMxSOCB)

    Each ePWM module has two ADC start of conversion signals. Any ePWM module can trigger a start of conversion. Whichever event triggers the start of conversion is configured in the event-trigger submodule of the ePWM.

  • Comparator output signals (COMPxOUT)

    Output signals from the comparator module can be fed through the Input X-BAR and EPWM X-BAR to one or all of the 12 trip inputs [TRIPIN1 - TRIPIN12] and in conjunction with the trip zone signals can generate digital compare events.

  • Peripheral bus

    The peripheral bus is 32-bits wide and allows both 16-bit and 32-bit writes to the ePWM register file.

F2837xS ePWM
                    Modules and Critical Internal Signal Interconnects
These events are generated by the ePWM Digital Compare (DC) submodule based on the levels of the TRIPIN inputs.
Figure 14-3 ePWM Modules and Critical Internal Signal Interconnects