SLVA927A November   2017  – April 2019 LM25066A , LM25066I , LM5050-1 , LM5051 , LM5064 , LM5066 , LM5067 , LM5069 , LM66100 , LM74500-Q1 , LM74700-Q1 , TPL7407LA , TPS1H100-Q1 , TPS1HA08-Q1 , TPS2113A , TPS2115A , TPS22810 , TPS22915 , TPS22916 , TPS22918 , TPS22971 , TPS22990 , TPS23525 , TPS2412 , TPS24751 , TPS24770 , TPS25942A , TPS2595 , TPS2660 , TPS27S100 , TPS2H160-Q1 , TPS4H160-Q1 , ULN2003A

 

  1.   Basics of Power Switches
    1.     Trademarks
    2. 1 Load Switches
    3. 2 Power Multiplexing
    4. 3 eFuses
    5. 4 Hot Swap
    6. 5 Ideal Diode, ORing Controllers
    7. 6 Smart High-Side Switches
    8. 7 Low-Side Switches
    9. 8 References
  2.   Revision History

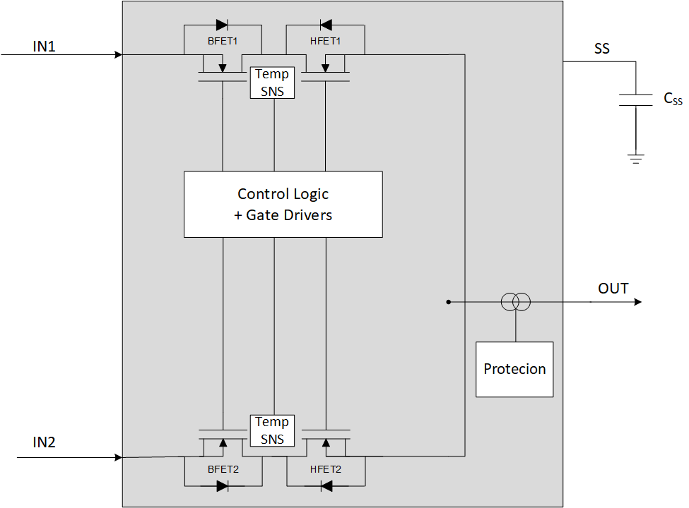
Power Multiplexing

image.gifFigure 3. Power MUX Block Diagram

Integrated Power MUX devices allow a system to transition between different power sources seamlessly. If the main power supply fails, power multiplexing allows the system to switch to a backup power supply, such as a battery, to preserve operating conditions. Power multiplexing can also provide switching between two different voltage levels for subsystems that operate at two different voltages. In this scenario, to prevent reverse current flow from VOUT into one of the VIN channels, reverse current protection (RCP) blocks current from flowing back through the body diode. Power multiplexing also contains adjustable current limits. If the current exceeds the threshold set by the switch, the switch clamps the channel and prevent current from exceeding the limit. Furthermore, if the current limit forces the device to reach higher temperatures, thermal shutdown turns off the switch until it can operate at safe conditions again. Similar to load switches, power MUX switches also contain inrush current control to prevent large transient current events.

Power MUX devices can switch between different power rails in three general ways: manually, automatically, or both. Manual switchovers occur with an external GPIO. Whenever you want to switch between power rails, the enable pin is toggled and the output is powered by the other power rail. Automatic switchover occurs whenever the primary power supply fails or is disconnected. When the device detects the voltage drop, it automatically switches to the backup power rail. There are some Power MUX solutions which offer the flexibility to be used in an automatic configuration and to be controlled by a manual control signal. This method can have a default (automatic) priority, but can then be overridden by an external microcontroller if needed.

Table 3. Integrated Power MUX Examples(1)

DESCRIPTION DEVICE RECOMMENDED VOLTAGE RANGE MAX CURRENT TYPICAL Ron PACKAGE
Automatic priority and manual override, adjustable current limit TPS2120 2.8 V to 22 V 3 A, each channel 62 mΩ CSP
Automatic priority and manual override, fast output switchover, adjustable current limit TPS2121 2.8 V to 22 V 4.5 A, each channel 56 mΩ QFN
TI.com/PowerMux for more information about power multiplexing.