SBAU352 June   2020

 

  1.   ADS131B04-Q1 Evaluation Module
    1.     Trademarks
    2. 1 EVM Overview
      1. 1.1 ADS131B04-Q1EVM Kit
      2. 1.2 ADS131B04-Q1EVM Board
    3. 2 EVM Analog Interface
      1. 2.1 ADC Analog Input Signal Path
      2. 2.2 ADC External Clock (CLKIN) Options
    4. 3 Digital Interface
      1. 3.1 SPI Communication
      2. 3.2 Connection to the PHI
      3. 3.3 Digital Header
      4. 3.4 LaunchPad Connectors
    5. 4 Power Supplies
    6. 5 ADS131B04-Q1EVM Initial Setup
      1. 5.1 Default Jumper Settings
      2. 5.2 EVM Graphical User Interface (GUI) Software Installation
    7. 6 ADS131B04-Q1EVM Operation
      1. 6.1 EVM GUI Global Settings for ADC Control
      2. 6.2 Register Map Configuration Tool
      3. 6.3 Time Domain Display Tool
      4. 6.4 Spectral Analysis Tool
      5. 6.5 Histogram Tool
    8. 7 ADS131B04-Q1EVM Bill of Materials, PCB Layout, and Schematic
      1. 7.1 Bill of Materials
      2. 7.2 PCB Layout
      3. 7.3 Schematic

Schematic

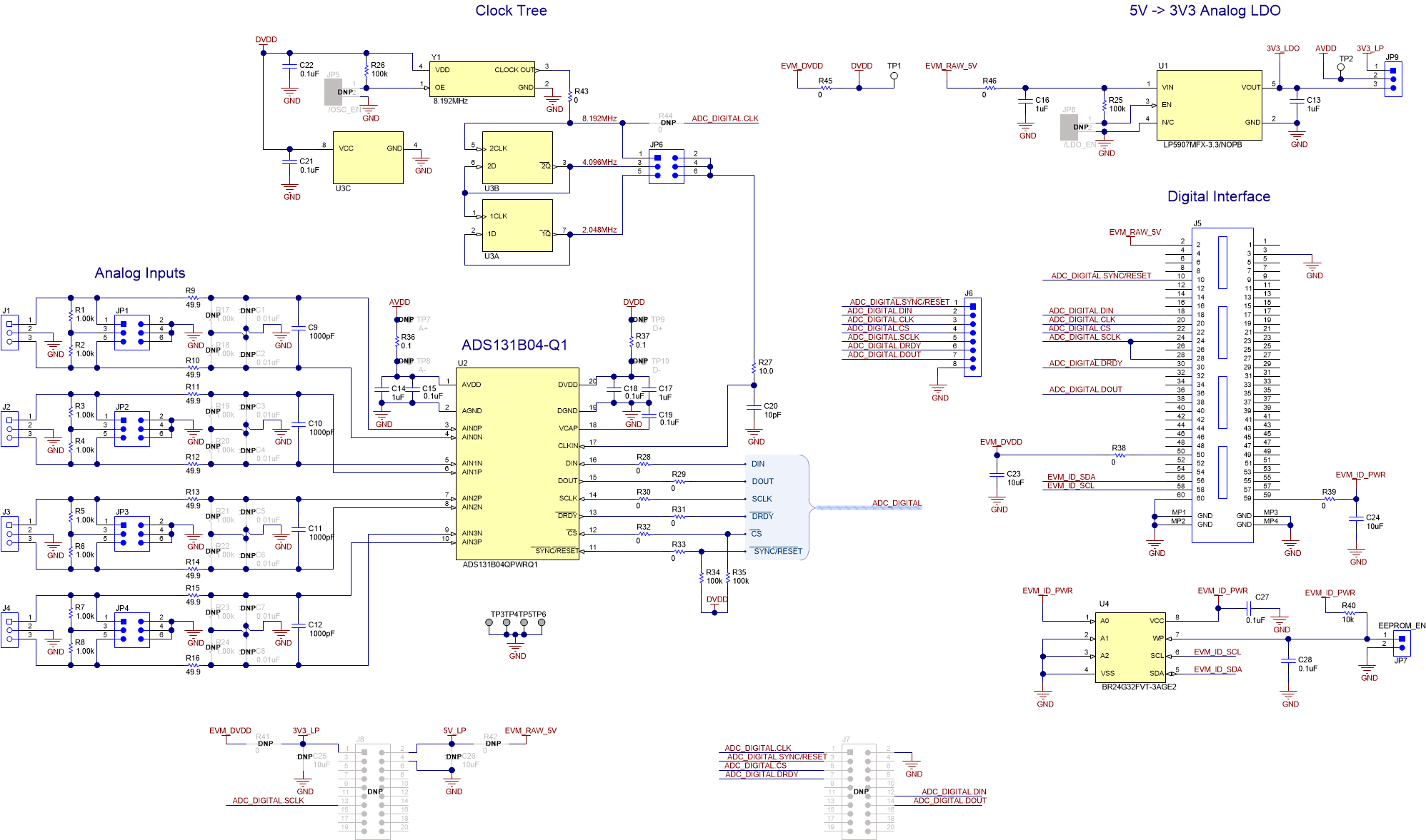
Figure 23 and Figure 24 illustrate the ADS131B04-Q1EVM schematics.

hardware_sbau332.gifFigure 23. ADS131B04-Q1EVM Hardware Schematic
schematic_sbau352.gifFigure 24. ADS131B04-Q1EVM Main Schematic